GM Service Manual Online
For 1990-2009 cars only
Makes
🢒
Chevrolet
🢒
1999
🢒
Camaro
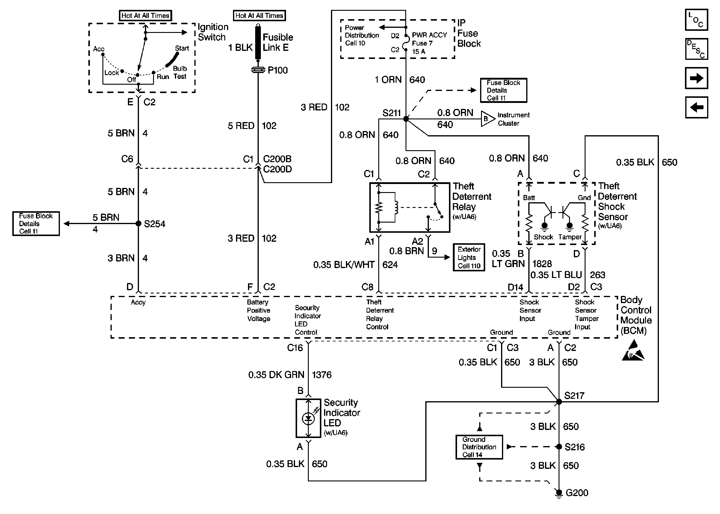
🢒 BCM, Ignition Switch, Security Indicator LED, Theft Deterrent Relay, and Theft Deterrent Shock Sensor
BCM, Ignition Switch, Security Indicator LED, Theft Deterrent Relay, and Theft Deterrent Shock Sensor
BCM, Ignition Switch, Security Indicator LED, Theft Deterrent Relay, and Theft Deterrent Shock Sensor
Theft Deterrent System Components
Content Theft Deterrent (CTD) Circuit Description
BCM, Instrument Cluster, and Horn Relay
BCM, Ignition Key Lock Cylinder, and PCM
Fusible Links, IP Fuse Block, and Underhood Electrical Centers
I/P Fuses 7, 9, 10 and 11
BCM, Instrument Cluster, and Horn Relay
Ignition Switch and IP Fuse Block
Park/Turnlamps, Foglamps Relay, Side Marker Lamps Cell 110
G200 Door Locks, Mirrors, Windows
Handling ESD Sensitive Parts Notice