GM Service Manual Online
For 1990-2009 cars only
Makes
🢒
Chevrolet
🢒
1999
🢒
Camaro
🢒 BCM, Instrument Cluster, and Horn Relay
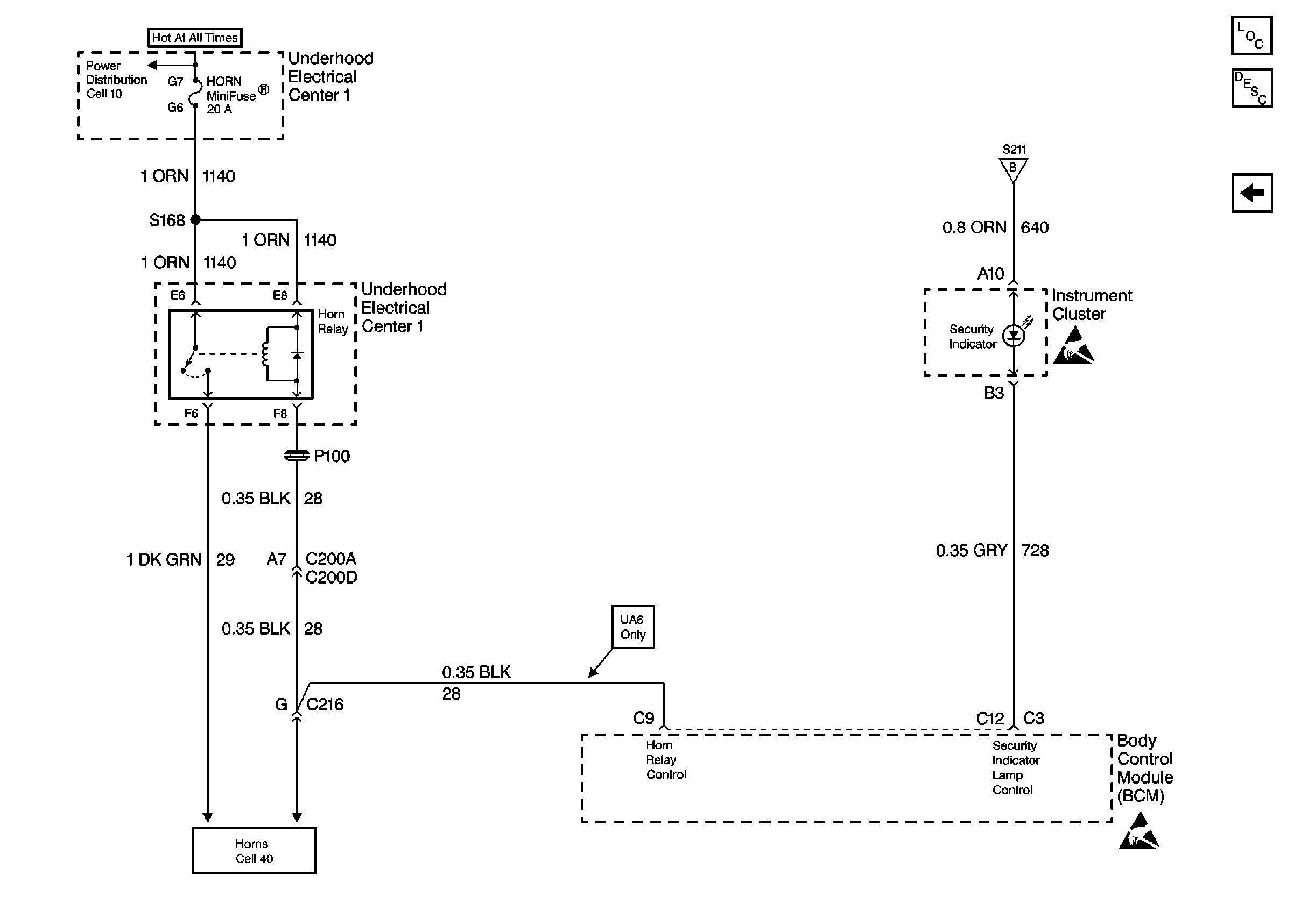
BCM, Instrument Cluster, and Horn Relay
BCM, Instrument Cluster, and Horn Relay
Theft Deterrent System Components
Content Theft Deterrent (CTD) Circuit Description
BCM, Ignition Switch, Security Indicator LED, Theft Deterrent Relay, and Theft Deterrent Shock Sensor
Battery and Underhood Electrical Center 1
BCM, Ignition Switch, Security Indicator LED, Theft Deterrent Relay, and Theft Deterrent Shock Sensor
Handling ESD Sensitive Parts Notice
Horn, Horn Switches, and UH Electrical Center
Handling ESD Sensitive Parts Notice