GM Service Manual Online
For 1990-2009 cars only
Makes
🢒
Chevrolet
🢒
1999
🢒
Camaro
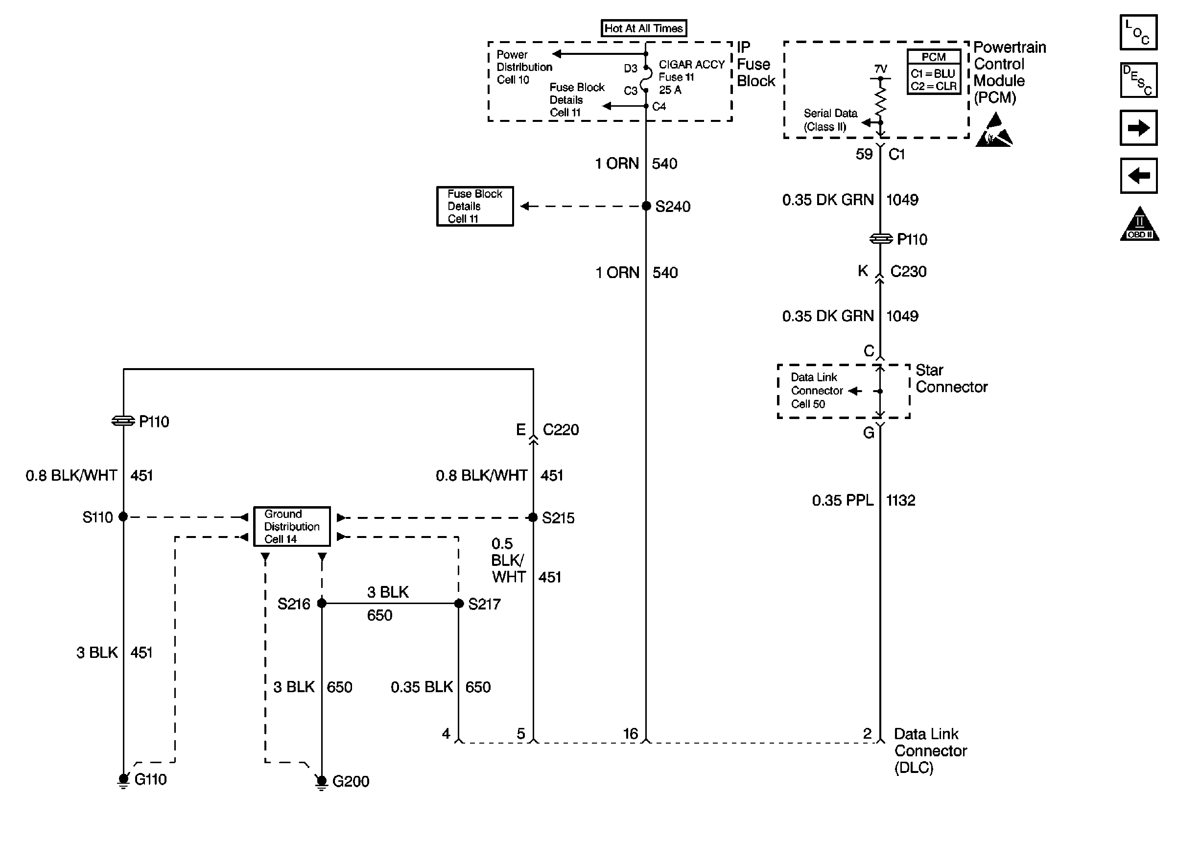
🢒 Power, Ground and MIL
Power, Ground and MIL
Power, Ground and MIL
Engine Controls Components
Powertrain Control Module Description
Ignition Control, Knock Sensors
Power, Ground and MIL
OBD II Symbol Description Notice
Fusible Links, IP Fuse Block, and Underhood Electrical Centers
I/P Fuses 7, 9, 10 and 11
Handling ESD Sensitive Parts Notice
I/P Fuses 7, 9, 10 and 11
Power and Ground Cell 50
G110 V6 VIN K