GM Service Manual Online
For 1990-2009 cars only
Makes
🢒
Chevrolet
🢒
1999
🢒
Camaro
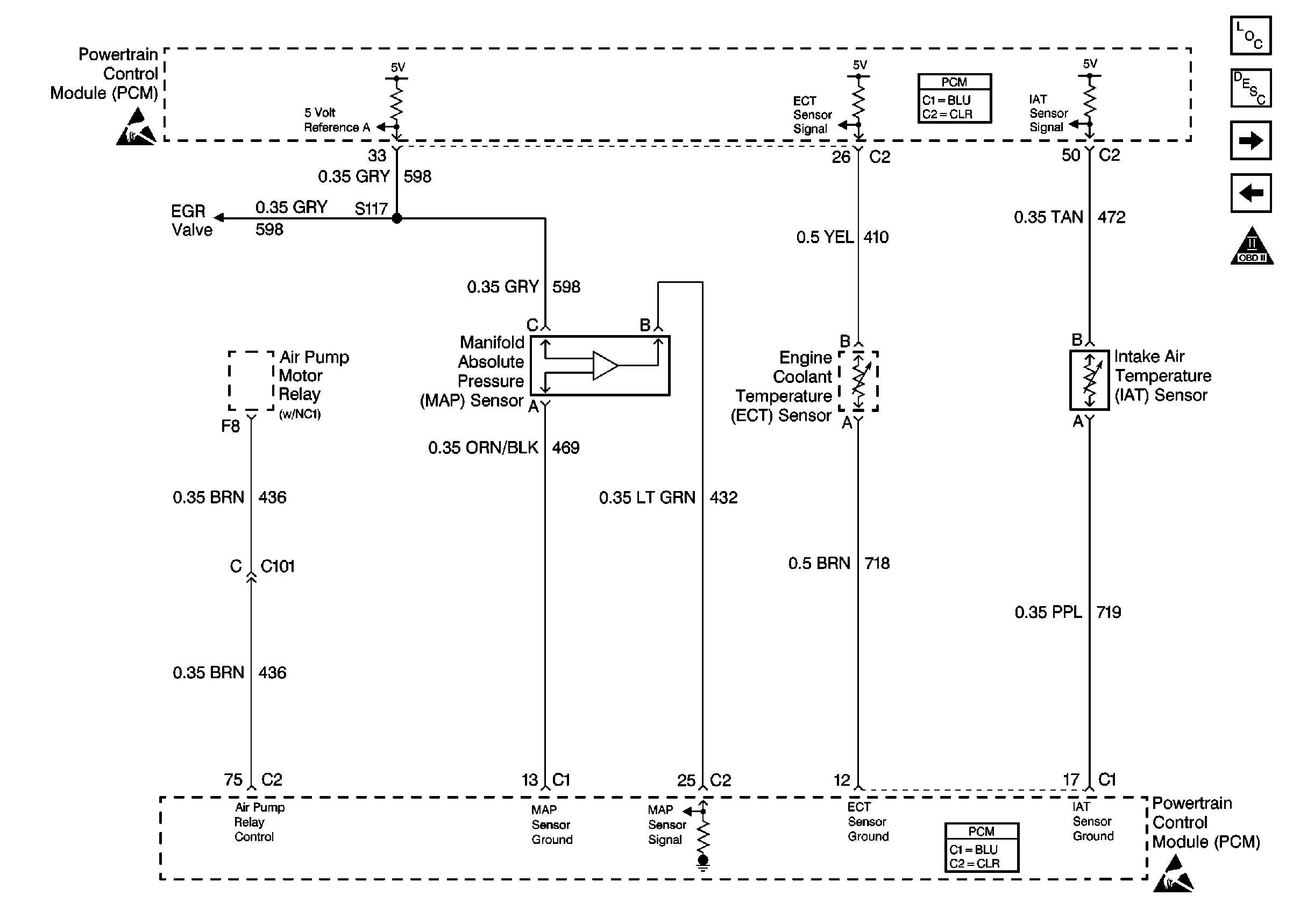
🢒 TP, MAP, ECT, IAT Sensors
TP, MAP, ECT, IAT Sensors
TP, MAP, ECT, IAT Sensors
Engine Controls Components
Powertrain Control Module Description
HO2S Sensors
Fuel Injectors
OBD II Symbol Description Notice
Handling ESD Sensitive Parts Notice
MAF Sensor, EVAP System, EGR Valve
Handling ESD Sensitive Parts Notice