GM Service Manual Online
For 1990-2009 cars only
Makes
🢒
Chevrolet
🢒
1999
🢒
Camaro
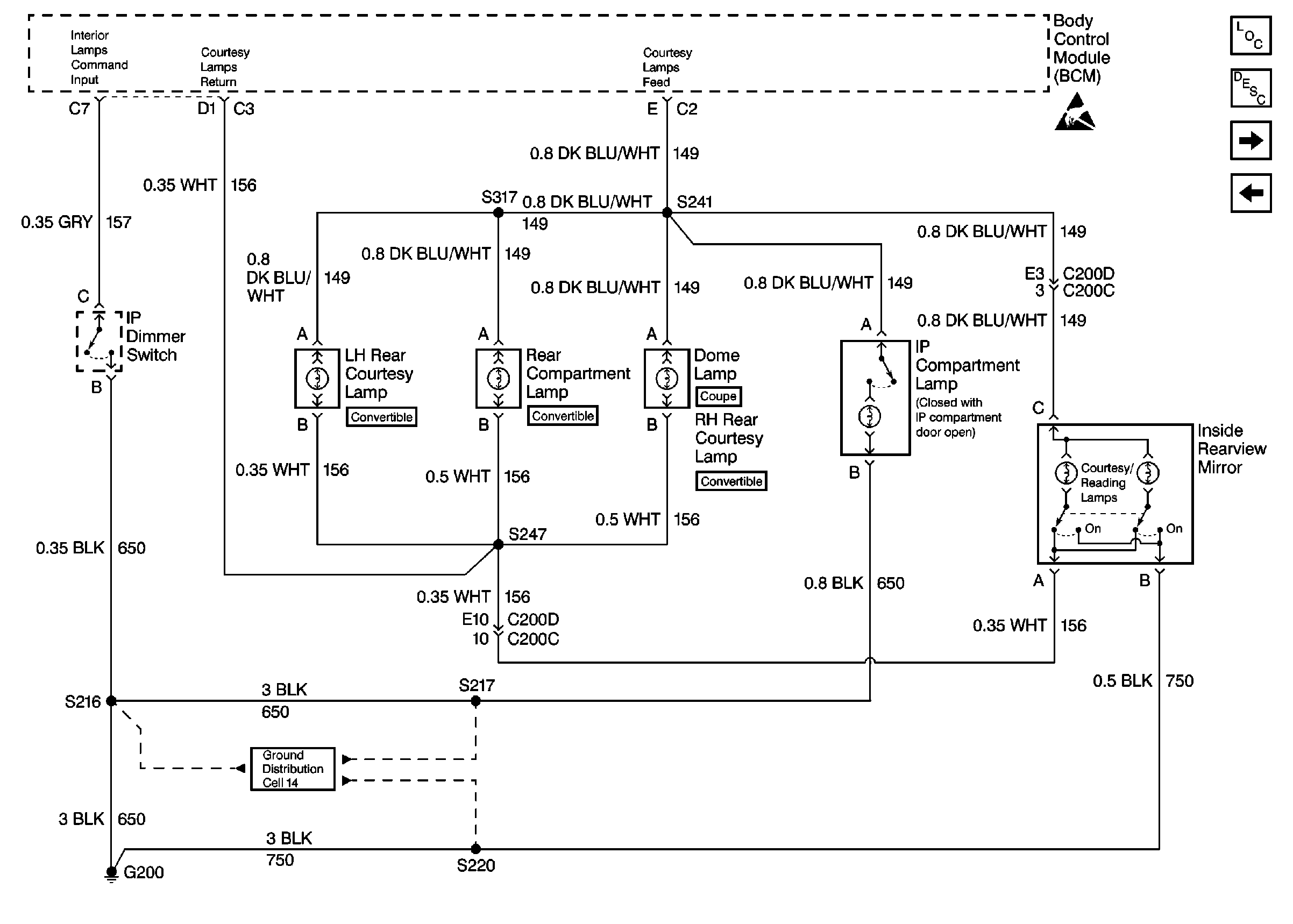
🢒 BCM and Courtesy Lamps
BCM and Courtesy Lamps
BCM and Courtesy Lamps
Body Control Module Components
Body Control System Circuit Description
BCM Inputs and Outputs
Door Lock Switches, Instrument Cluster, Seat Belt Switch
G200 Door Locks, Mirrors, Windows
Handling ESD Sensitive Parts Notice