GM Service Manual Online
For 1990-2009 cars only
Makes
🢒
Chevrolet
🢒
1999
🢒
Camaro
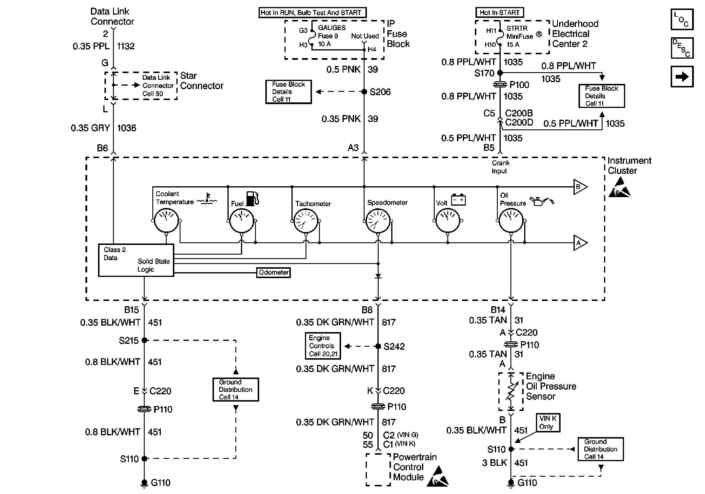
🢒 Data Link, Engine Oil Pressure Sensor, Instrument Cluster, and PCM
Data Link, Engine Oil Pressure Sensor, Instrument Cluster, and PCM
Data Link, Engine Oil Pressure Sensor, Instrument Cluster, and PCM
Instrument Cluster Components
Audible Warnings Circuit Description
BCM and Headlamp Dimmer Switch
Class 2 Serial Data Line Cell 50
I/P Fuses 7, 9, 10 and 11
U/H Center 2: STRTR, PCM IGN and ABS IGN Fuses
BCM, Engine Coolant Level Indicator Module, PCM, and Rear Compartment Lid Ajar Indicator Switch
BCM and Headlamp Dimmer Switch
Handling ESD Sensitive Parts Notice
G110 V6 VIN K
TCS Retard Signal, VSS Output and VSS Signal
G110 V6 VIN K
Handling ESD Sensitive Parts Notice