GM Service Manual Online
For 1990-2009 cars only
Makes
🢒
Chevrolet
🢒
1999
🢒
Camaro
🢒 Chevrolet: Without Daytime Running Lights Cell 100
Chevrolet: Without Daytime Running Lights Cell 100
Chevrolet: Without Daytime Running Lights Cell 100
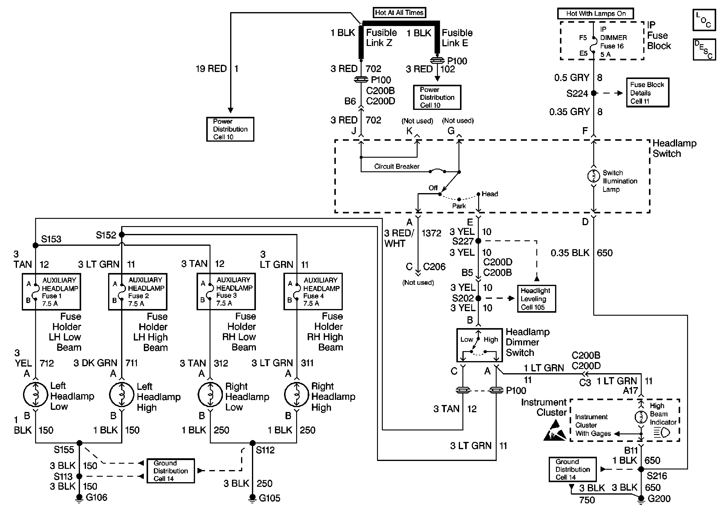
Fusible Links, IP Fuse Block, and Underhood Electrical Centers
Fusible Links, IP Fuse Block, and Underhood Electrical Centers
I/P Fuses 13 and 16
Lighting Systems Components
Headlights Circuit Description Chevrolet
Europe and Scandanavia Cell 105
BCM and Headlamp Dimmer Switch
Handling Electrostatic Discharge Sensitive Parts Notice
G200 DRL, HVAC, Rear Defog
G105