GM Service Manual Online
For 1990-2009 cars only
Makes
🢒
Chevrolet
🢒
1999
🢒
Camaro
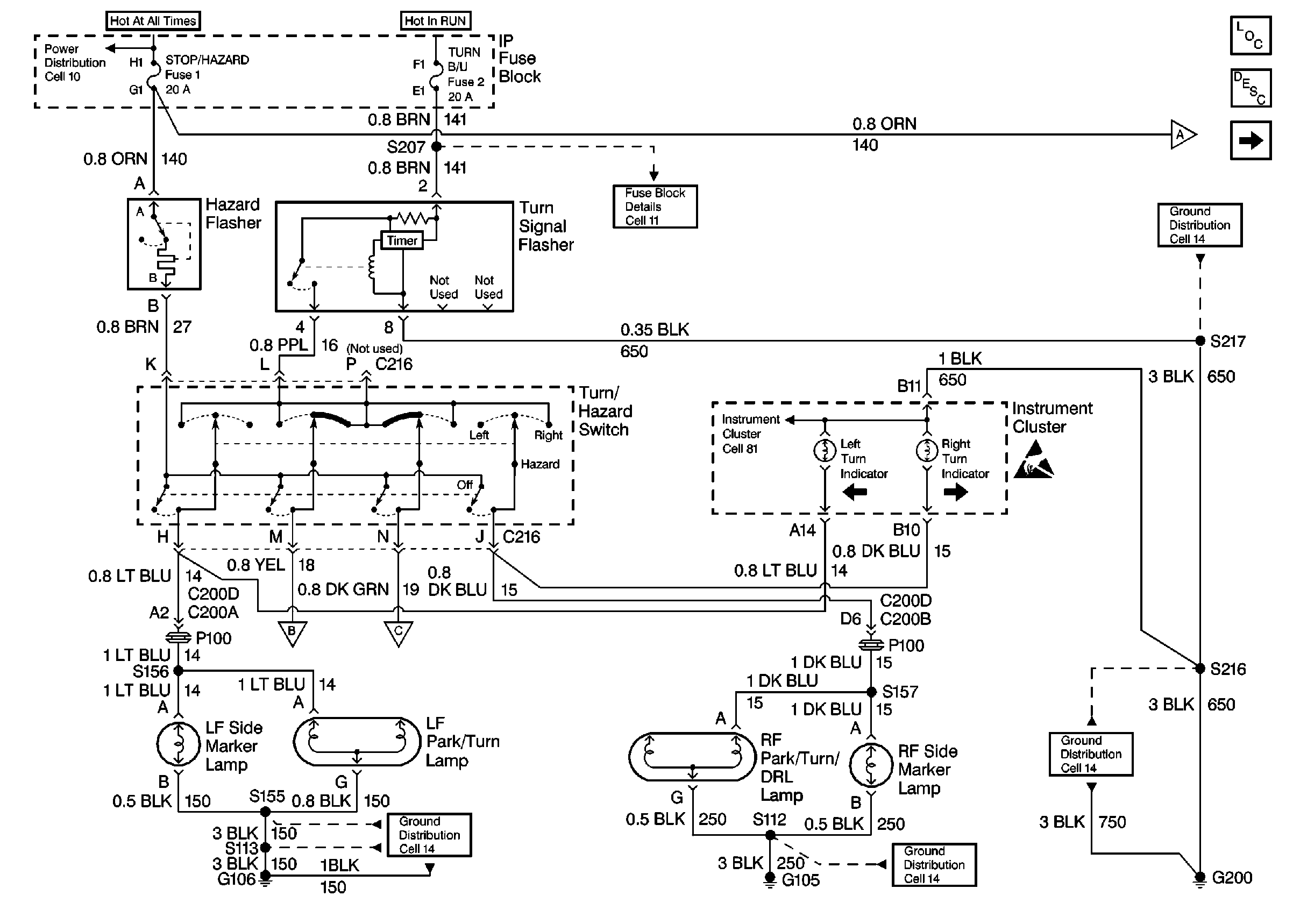
🢒 Chevrolet: Side Marker Lamps, LF Park/Turn Lamp, RF Park/Turn/DRL Lamp Cell 110
Chevrolet: Side Marker Lamps, LF Park/Turn Lamp, RF Park/Turn/DRL Lamp Cell 110
Chevrolet: Side Marker Lamps, LF Park/Turn Lamp, RF Park/Turn/DRL Lamp Cell 110
Fusible Links, IP Fuse Block, and Underhood Electrical Centers
I/P Fuses 1, 2, 5 and 6
Chevrolet: Center High Mounted Stoplamp, Taillamps, Tail/Stop Lamps Cell 110
Lighting Systems Components
Exterior Lights Circuit Description
Chevrolet: Center High Mounted Stoplamp, Taillamps, Tail/Stop Lamps Cell 110
G200 DRL, HVAC, Rear Defog
BCM and Headlamp Dimmer Switch
G200 DRL, HVAC, Rear Defog
G105
G106
Chevrolet: Rear Turn Lamps, Tail/Stop Lamps, License Lamps Cell 110
Chevrolet: Rear Turn Lamps, Tail/Stop Lamps, License Lamps Cell 110
Handling Electrostatic Discharge Sensitive Parts Notice