GM Service Manual Online
For 1990-2009 cars only
Figure 1:

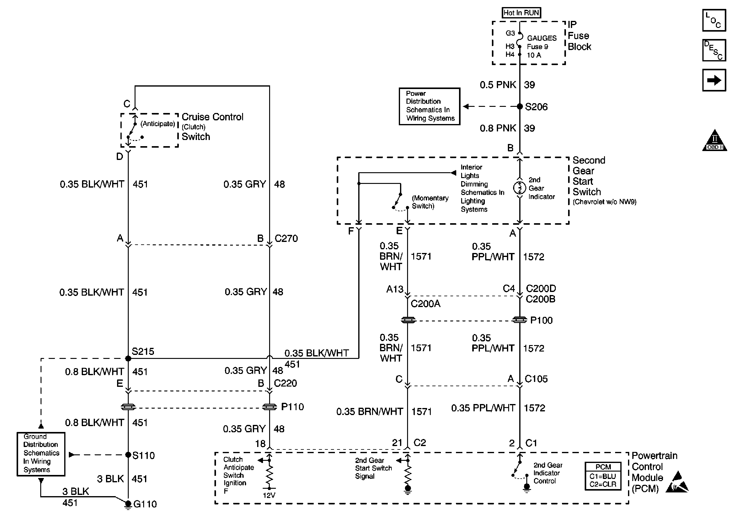
Second Gear Start Switch, Clutch Anticipate Switch (V6 VIN K)


Object Number: 526982  Size: FS
Automatic Transmission Components
Electronic Component Description
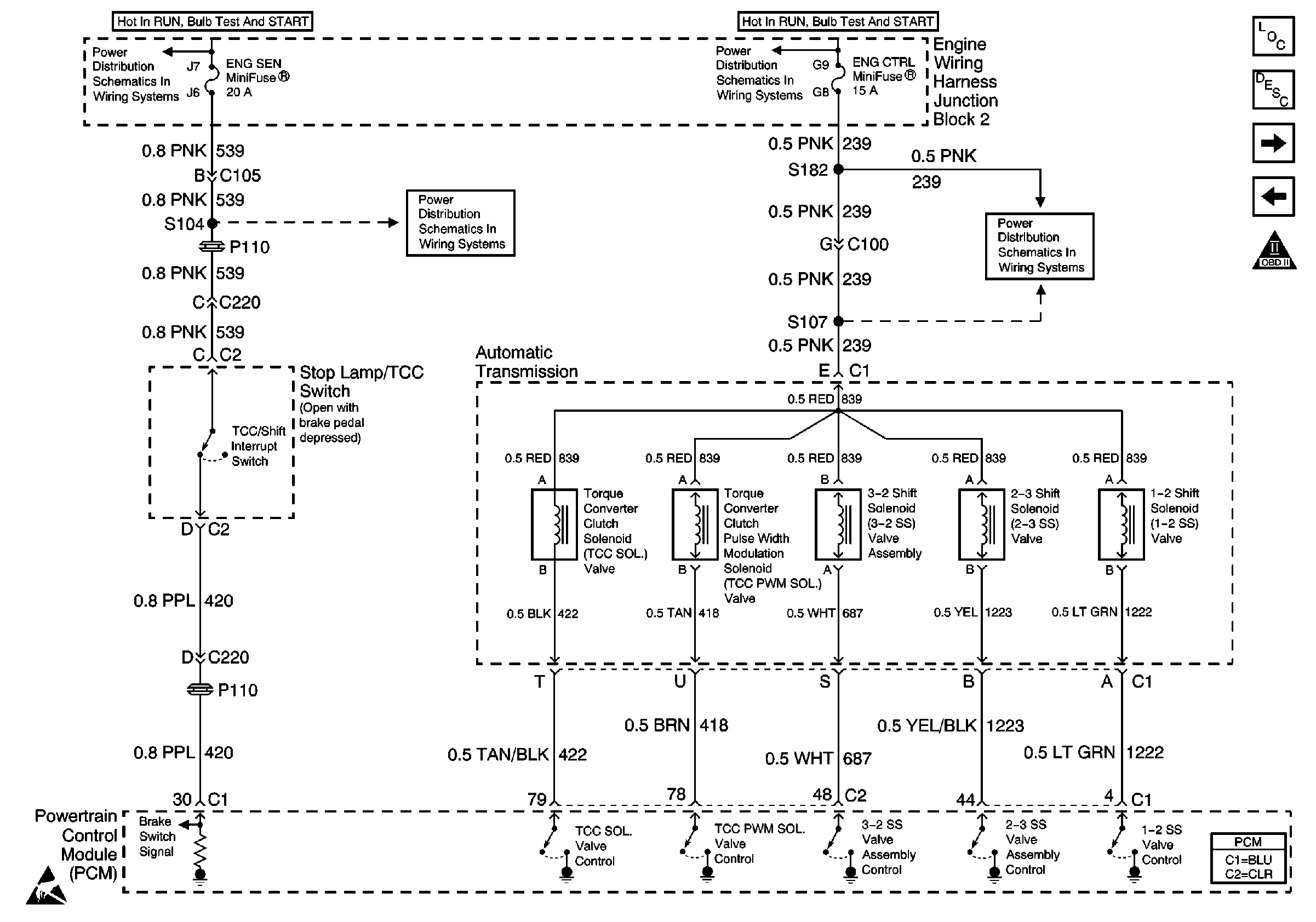
Brake Switch, TCC Solenoid (V6 VIN K)
OBD II Symbol Description Notice
Interior Illumination Lamps 1 of 2
AIR BAG and GAUGES Fuses
Ground Distribution Schematics
Powertrain Control Module Connector End Views
Figure 2:

Brake Switch, TCC Solenoid (V6 VIN K)


Object Number: 526983  Size: FS
Automatic Transmission Components
Electronic Component Description
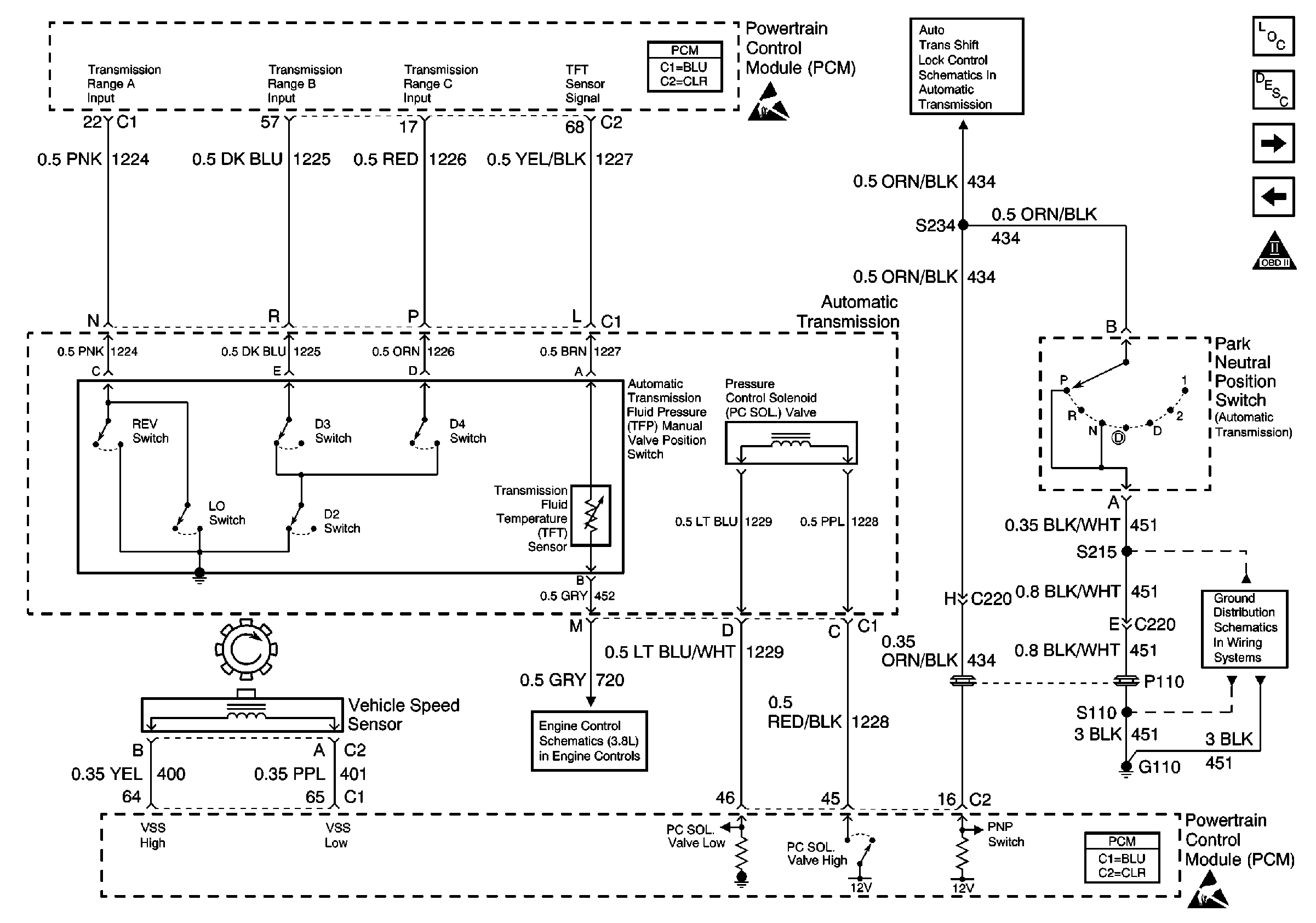
Automatic Transmission, Park Neutral Position Switch, Vehicle Speed Sensor (V6 VIN K)
Second Gear Start Switch, Clutch Anticipate Switch (V6 VIN K)
OBD II Symbol Description Notice
ENG CTRL Fuse
ENG CTRL Fuse
ENG SEN Fuse
ENG SEN Fuse
Powertrain Control Module Connector End Views
Figure 3:

Automatic Transmission, Park Neutral Position Switch, Vehicle Speed Sensor (V6 VIN K)


Object Number: 526984  Size: FS
Automatic Transmission Components
Electronic Component Description
Brake Switch, TCC Solenoid (V8 VIN G)
Brake Switch, TCC Solenoid (V6 VIN K)
OBD II Symbol Description Notice
Ground Distribution Schematics
AT Shift Lock Control Actuator Solenoid, and Diode
Powertrain Control Module Connector End Views
Powertrain Control Module Connector End Views
Figure 4:

Brake Switch, TCC Solenoid (V8 VIN G)


Object Number: 526985  Size: FS
Automatic Transmission Components
Electronic Component Description
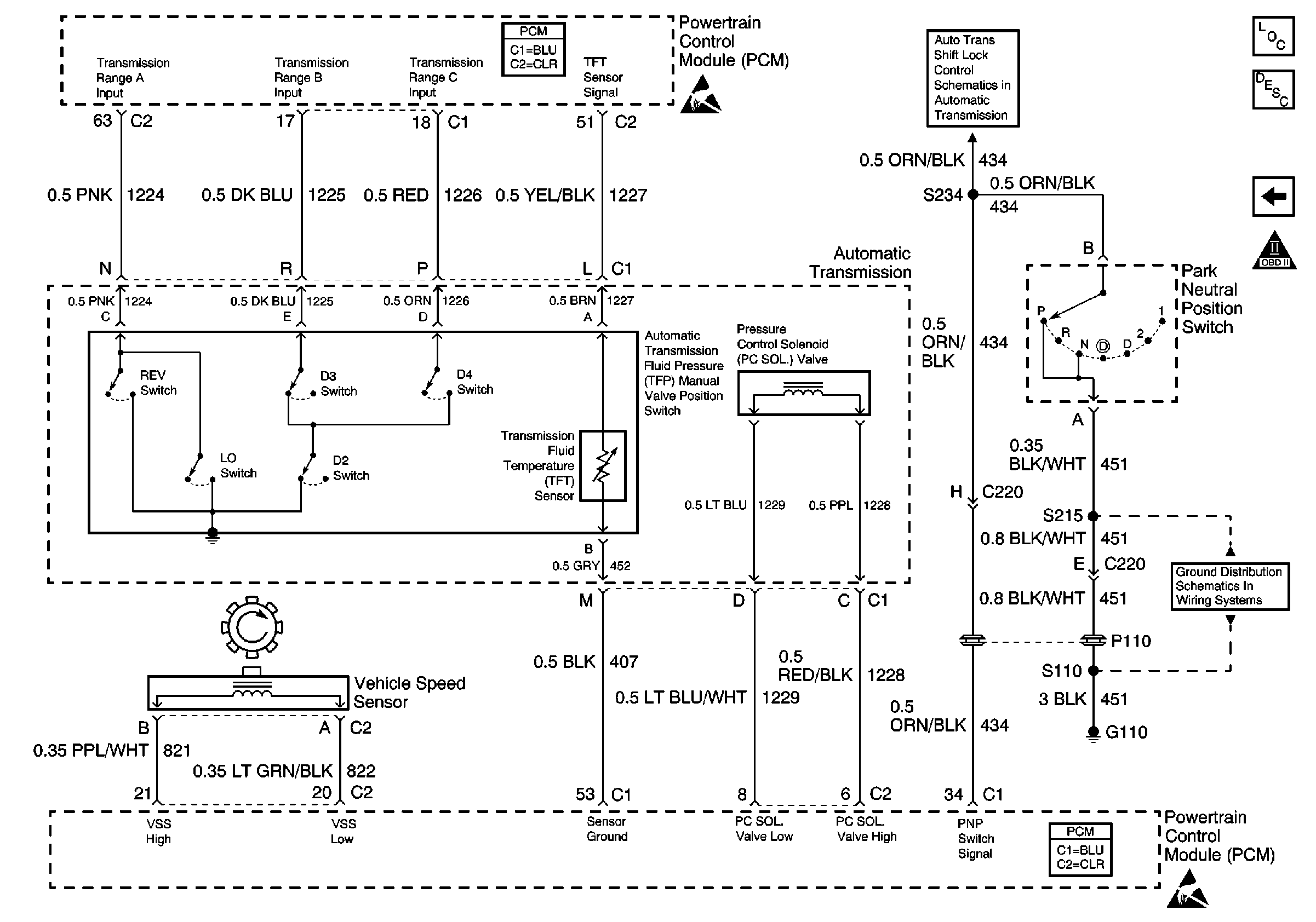
Automatic Transmission, Park Neutral Position Switch, Vehicle Speed Sensor (V8 VIN G)
Automatic Transmission, Park Neutral Position Switch, Vehicle Speed Sensor (V6 VIN K)
OBD II Symbol Description Notice
ENG CTRL Fuse
ENG CTRL Fuse
ENG SEN Fuse
ENG SEN Fuse
Powertrain Control Module Connector End Views
Figure 5:

Automatic Transmission, Park Neutral Position Switch, Vehicle Speed Sensor (V8 VIN G)


Object Number: 526986  Size: FS
Automatic Transmission Components
Electronic Component Description
Brake Switch, TCC Solenoid (V8 VIN G)
OBD II Symbol Description Notice
Ground Distribution Schematics
AT Shift Lock Control Actuator Solenoid, and Diode
Powertrain Control Module Connector End Views
Powertrain Control Module Connector End Views