GM Service Manual Online
For 1990-2009 cars only
Makes
🢒
Chevrolet
🢒
2000
🢒
Camaro
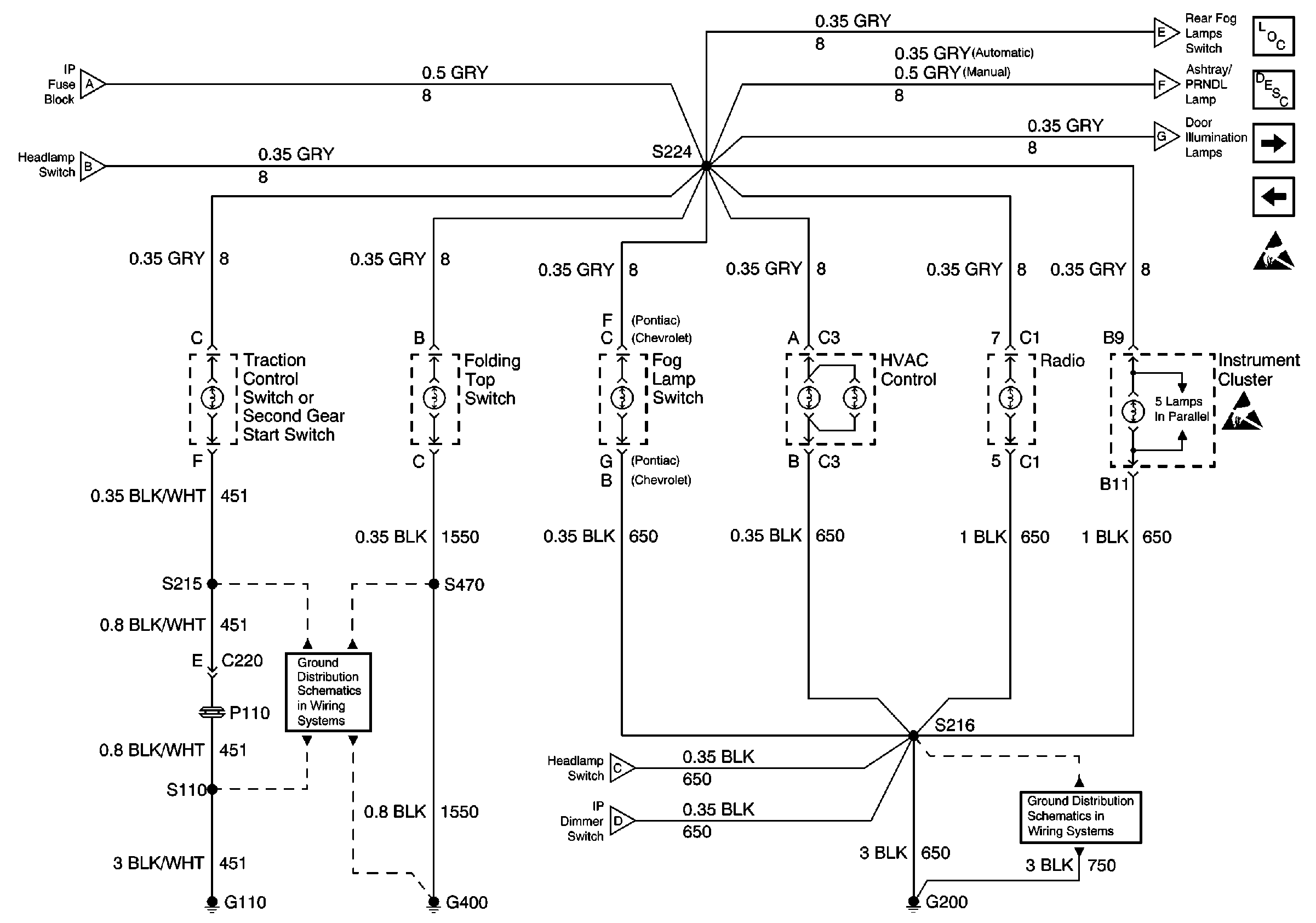
🢒 Interior Illumination Lamps 1 of 2
Interior Illumination Lamps 1 of 2
Interior Illumination Lamps 1 of 2
Lighting Systems Components
Interior Lights Dimming Circuit Description
Interior Illumination Lamps 2 of 2
Headlamp Switch and IP Dimmer Switch
Handling ESD Sensitive Parts Notice
Headlamp Switch and IP Dimmer Switch
Ground Distribution Schematics
Headlamp Switch and IP Dimmer Switch
G200 Splice S220