GM Service Manual Online
For 1990-2009 cars only
Figure 1:

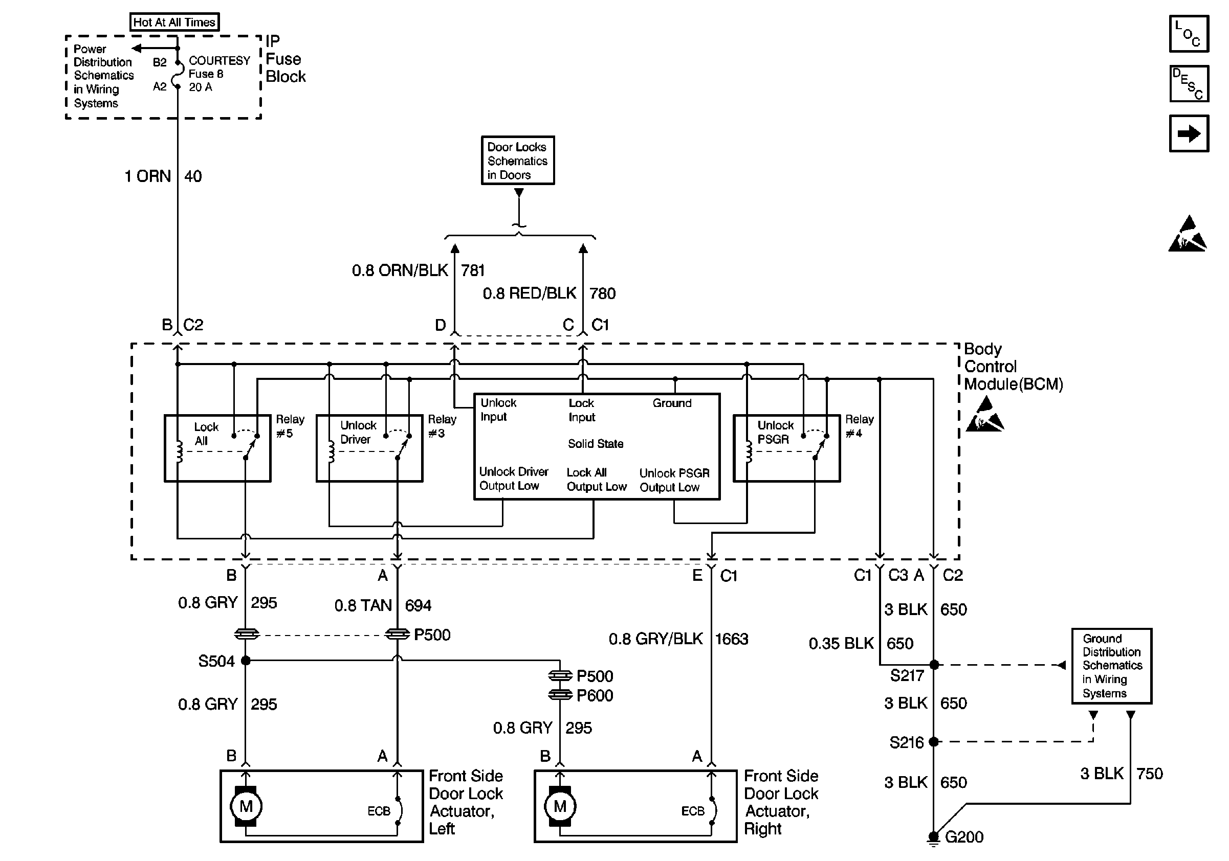
Body Control Module and Side Door Lock Actuators


Object Number: 509030  Size: FS
Keyless Entry Components
Keyless Entry System Circuit Description
Body Control Module and Rear Compartment Lid Release Components
Handling ESD Sensitive Parts Notice
COURTESY and RADIO ACCY Fuses
Body Control Module and Door Lock Switches
G200 Splice S220
Figure 2:

Body Control Module and Rear Compartment Lid Release Components


Object Number: 509033  Size: FS
Keyless Entry Components
Keyless Entry System Circuit Description
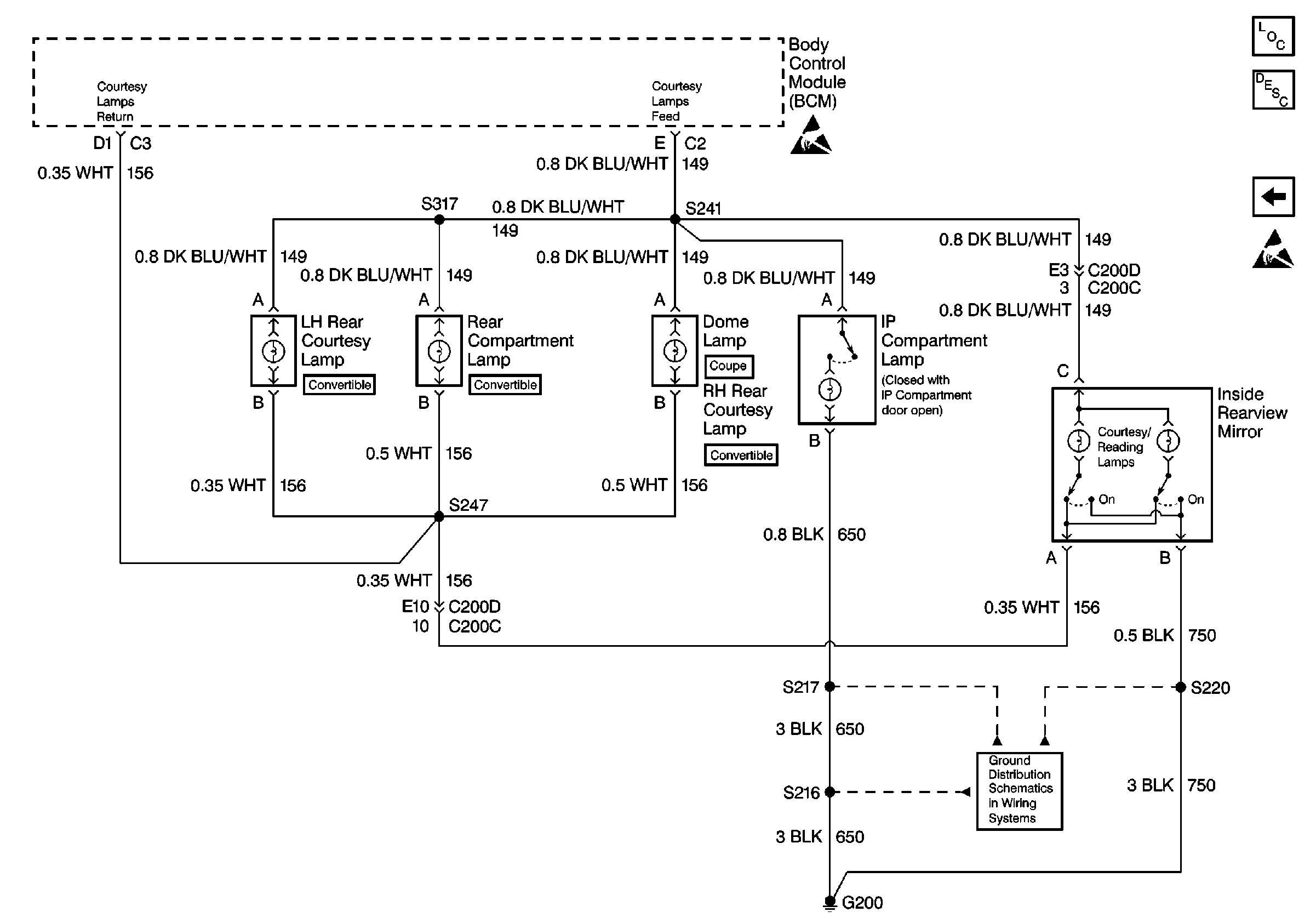
Body Control Module and Courtesy Lamps
Body Control Module and Side Door Lock Actuators
Handling ESD Sensitive Parts Notice
COURTESY and RADIO ACCY Fuses
TAIL LPS and STOP/HAZARD Fuses
Body Control Module, Rear Release Actuator, Relay, and Switch
G200 Splice S220
G400 Splice S470
Figure 3:

Body Control Module and Courtesy Lamps


Object Number: 509037  Size: FS
Keyless Entry Components
Keyless Entry System Circuit Description
Body Control Module and Rear Compartment Lid Release Components
Handling ESD Sensitive Parts Notice
G200 Splice S220