GM Service Manual Online
For 1990-2009 cars only
Figure 1:

Starter Relay


Object Number: 510056  Size: FS
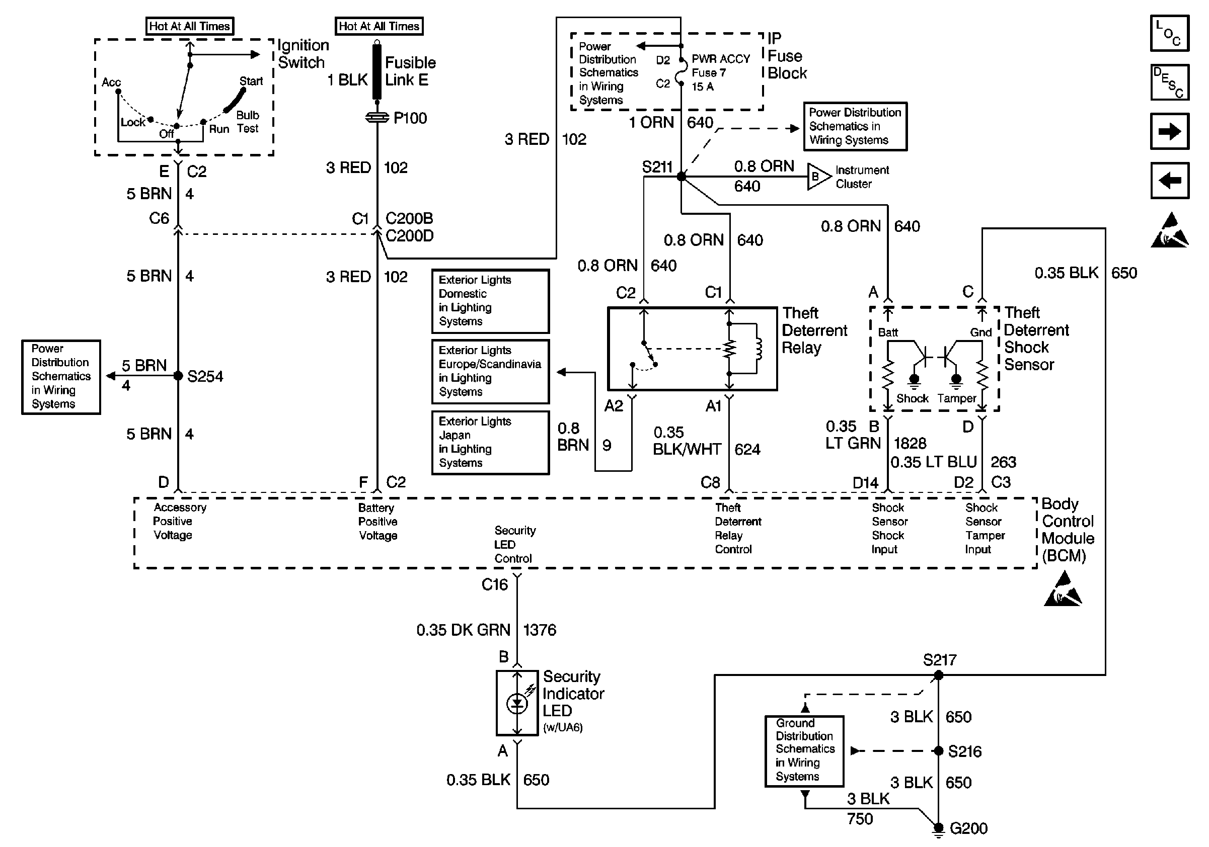
Theft Deterrent System Components
Vehicle Theft Deterrent (VTD)Circuit Description
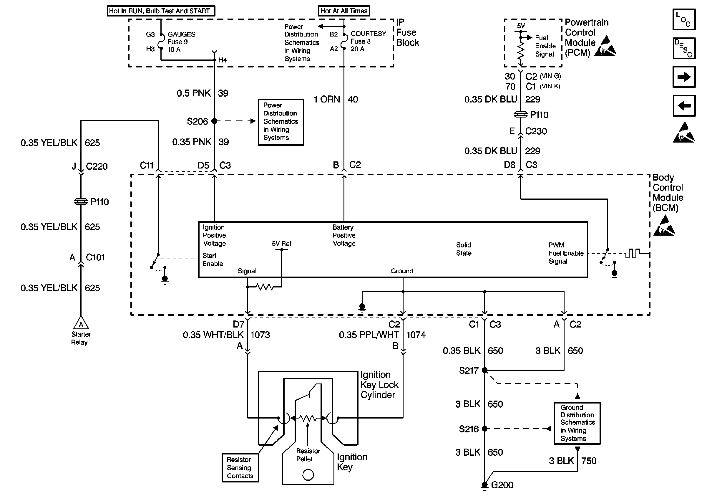
Ignition Key Input
Fusible Links, CIG/ACCY, ENG CTRL, IGN, I/P-1, I/P-2, and PWR ACCY Fuses
Instrument Cluster Gauges
Ignition Switch
Power and Ground
Ignition Key Input
Figure 2:

Ignition Key Input


Object Number: 510061  Size: FS
Theft Deterrent System Components
Vehicle Theft Deterrent (VTD)Circuit Description
Content Theft Deterrent Components
Starter Relay
Handling ESD Sensitive Parts Notice
COURTESY and RADIO ACCY Fuses
AIR BAG and GAUGES Fuses
Starter Relay
G200 Splice S220
Figure 3:

Content Theft Deterrent Components


Object Number: 510058  Size: FS
Theft Deterrent System Components
Content Theft Deterrent (CTD) Circuit Description
Body Control Module and Horn Relay
Ignition Key Input
Handling ESD Sensitive Parts Notice
Fusible Links, CIG/ACCY, ENG CTRL, IGN, I/P-1, I/P-2, and PWR ACCY Fuses
TAIL LPS and STOP/HAZARD Fuses
Body Control Module and Horn Relay
Body Control Module (BCM) and Ignition Switch
Exterior Lights Schematics Pontiac
Exterior Lights Schematics Europe and Scandinavia
Exterior Lights Schematics Japan
G200 Splice S220
Figure 4:

Body Control Module and Horn Relay


Object Number: 510065  Size: FS
Theft Deterrent System Components
Content Theft Deterrent (CTD) Circuit Description
Content Theft Deterrent Components
Handling ESD Sensitive Parts Notice
ABS BAT SOL, ABS BAT-2, HORN, H/L DOOR-HORN, LH HDLP DR, RH HDLP DR, and TCS BAT Fuses
Content Theft Deterrent Components
Horn Relay, Horn Switches and Horns