GM Service Manual Online
For 1990-2009 cars only
Makes
🢒
Chevrolet
🢒
2000
🢒
Camaro
🢒 5.7L With Traction Control
5.7L With Traction Control
5.7L With Traction Control
ABS Components
ABS Description
5.7L With Traction Control
5.7L With Traction Control
Handling ESD Sensitive Parts Notice
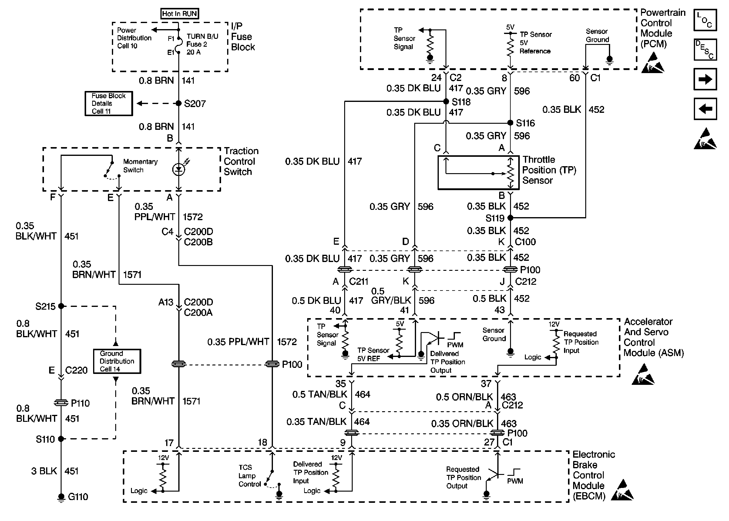
Ignition Switch and IP Fuse Block
I/P Fuses 1, 2, 5 and 6
G110 V8 VIN G
Handling ESD Sensitive Parts Notice
Handling ESD Sensitive Parts Notice
Handling ESD Sensitive Parts Notice