GM Service Manual Online
For 1990-2009 cars only
Makes
🢒
Chevrolet
🢒
2000
🢒
Camaro
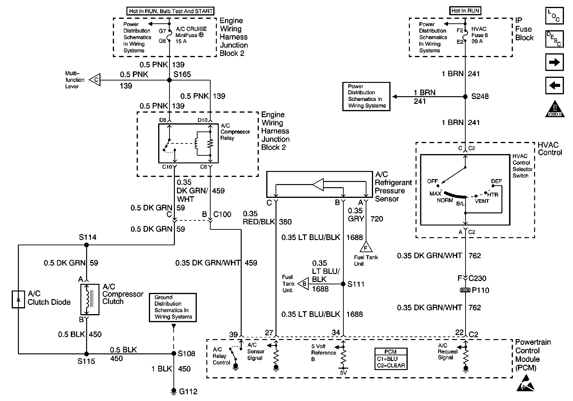
🢒 A/C HVAC Control
A/C HVAC Control
A/C HVAC Control
Engine Controls Components
Engine Cooling Fans
Automatic Transmission, Park Neutral Position Switch
OBD II Symbol Description Notice
Handling ESD Sensitive Parts Notice
HVAC and TURN B/U Fuses
HVAC and TURN B/U Fuses
Fuel Pump Controls
Fuel Pump Controls
G112 V6 VIN K
A/C CRUISE and ETC Fuses
TAC Module, Brake Switch, Cruise
Powertrain Control Module Connector End Views
Powertrain Control Module Controlled Air Conditioning Description