GM Service Manual Online
For 1990-2009 cars only
Makes
🢒
Chevrolet
🢒
2000
🢒
Camaro
🢒 Chevrolet
Chevrolet
Chevrolet
Lighting Systems Components
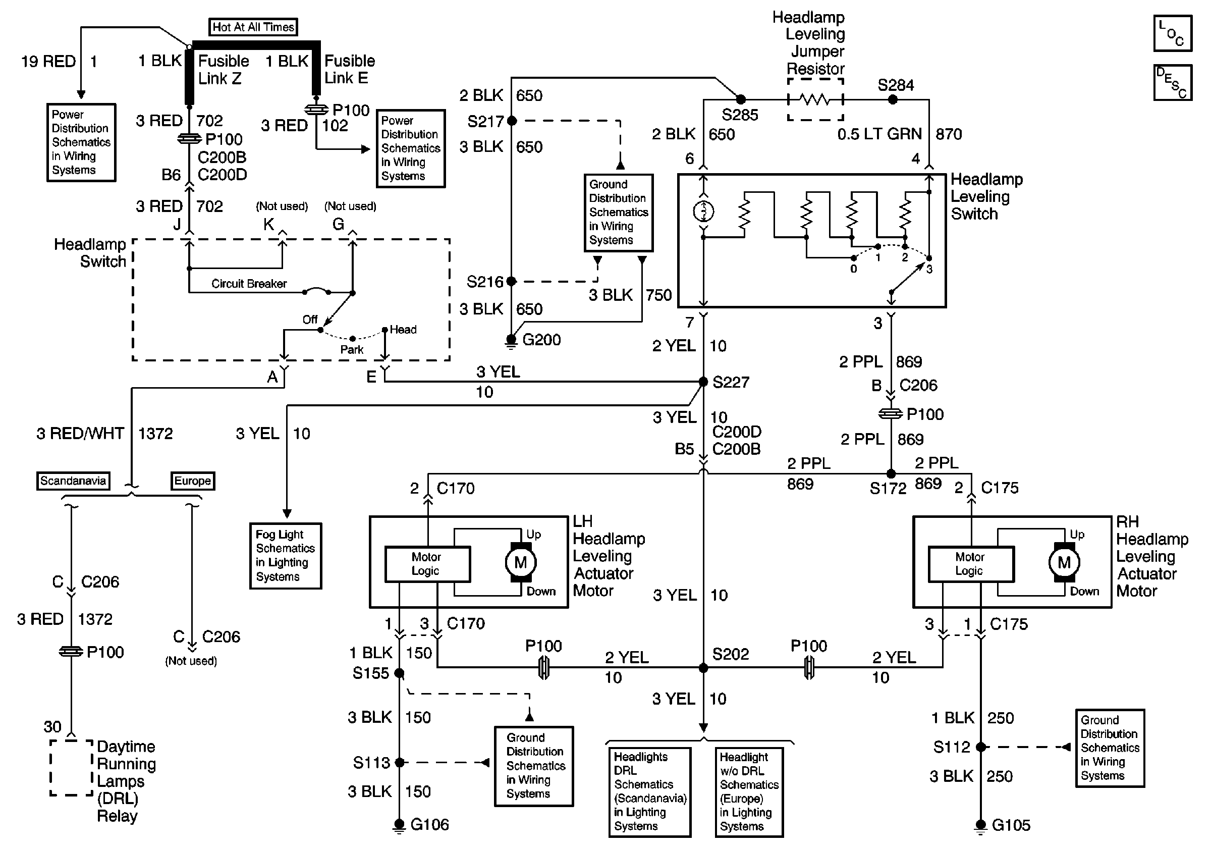
Headlight Leveling Circuit Description Europe
G105
Chevrolet
Chevrolet
G106
Ground Distribution Schematics
Fusible Links, CIG/ACCY, ENG CTRL, IGN, I/P-1, I/P-2, and PWR ACCY Fuses
Fusible Links, CIG/ACCY, ENG CTRL, IGN, I/P-1, I/P-2, and PWR ACCY Fuses
Chevrolet: Front Fog Lamps