GM Service Manual Online
For 1990-2009 cars only
Makes
🢒
Chevrolet
🢒
2000
🢒
Camaro
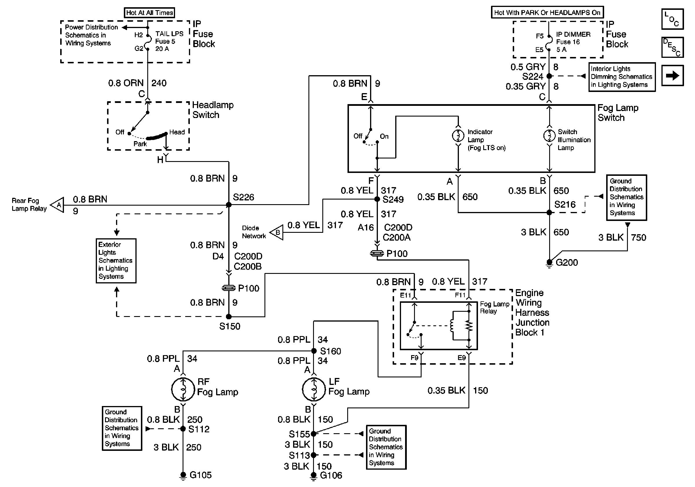
🢒 Chevrolet: Front Fog Lamps
Chevrolet: Front Fog Lamps
Chevrolet: Front Fog Lamps
Lighting Systems Components
Fog Lights Circuit Description
Chevrolet: Rear Fog Lamps
G200 Splice S216
Interior Illumination Lamps 1 of 2
G106
G105
Chevrolet: Rear Fog Lamps
Chevrolet: Side Marker Lamp, Position Lamp, License Lamps, Tail/Stop/Turn Lamps
Chevrolet: Rear Fog Lamps
TAIL LPS and STOP/HAZARD Fuses