GM Service Manual Online
For 1990-2009 cars only
Makes
🢒
Chevrolet
🢒
2000
🢒
Camaro
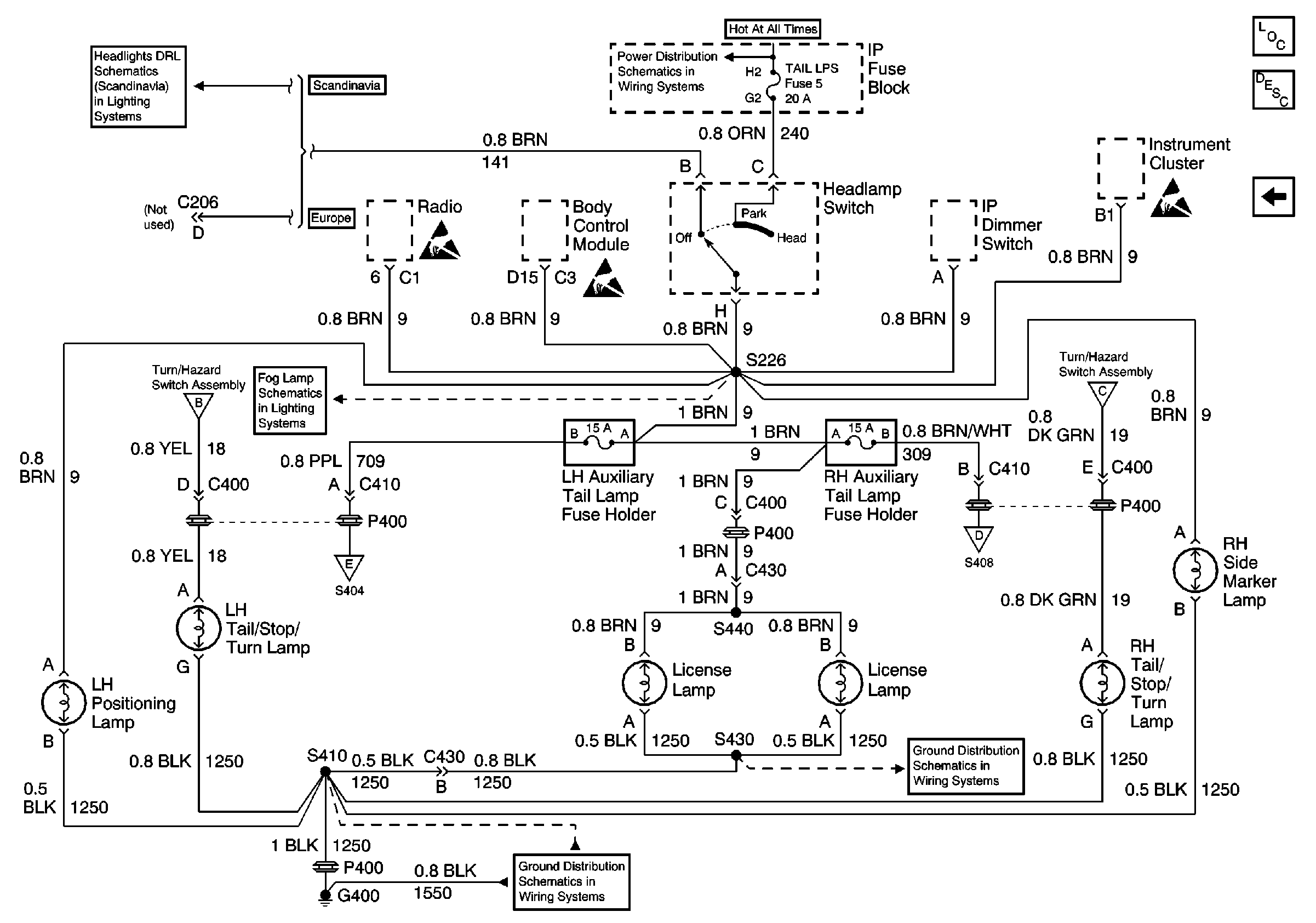
🢒 Chevrolet: Side Marker Lamp, Position Lamp, License Lamps, Tail/Stop/Turn Lamps
Chevrolet: Side Marker Lamp, Position Lamp, License Lamps, Tail/Stop/Turn Lamps
Chevrolet: Side Marker Lamp, Position Lamp, License Lamps, Tail/Stop/Turn Lamps
Lighting Systems Components
Exterior Lights Circuit Description Japan, Europe, Scandinavia
Chevrolet: Center High Mounted Stop Lamp, Taillamps, Tail/Stop Lamps
Chevrolet: Side Marker Lamps, Park/Turn Lamps
Chevrolet: Center High Mounted Stop Lamp, Taillamps, Tail/Stop Lamps
G400 Chevrolet
G400 Chevrolet
Chevrolet: Center High Mounted Stop Lamp, Taillamps, Tail/Stop Lamps
Chevrolet: Front Fog Lamps
Chevrolet: Side Marker Lamps, Park/Turn Lamps
TAIL LPS and STOP/HAZARD Fuses
Chevrolet
Handling ESD Sensitive Parts Notice
Handling ESD Sensitive Parts Notice
Handling ESD Sensitive Parts Notice