GM Service Manual Online
For 1990-2009 cars only
Makes
🢒
Chevrolet
🢒
2000
🢒
Camaro
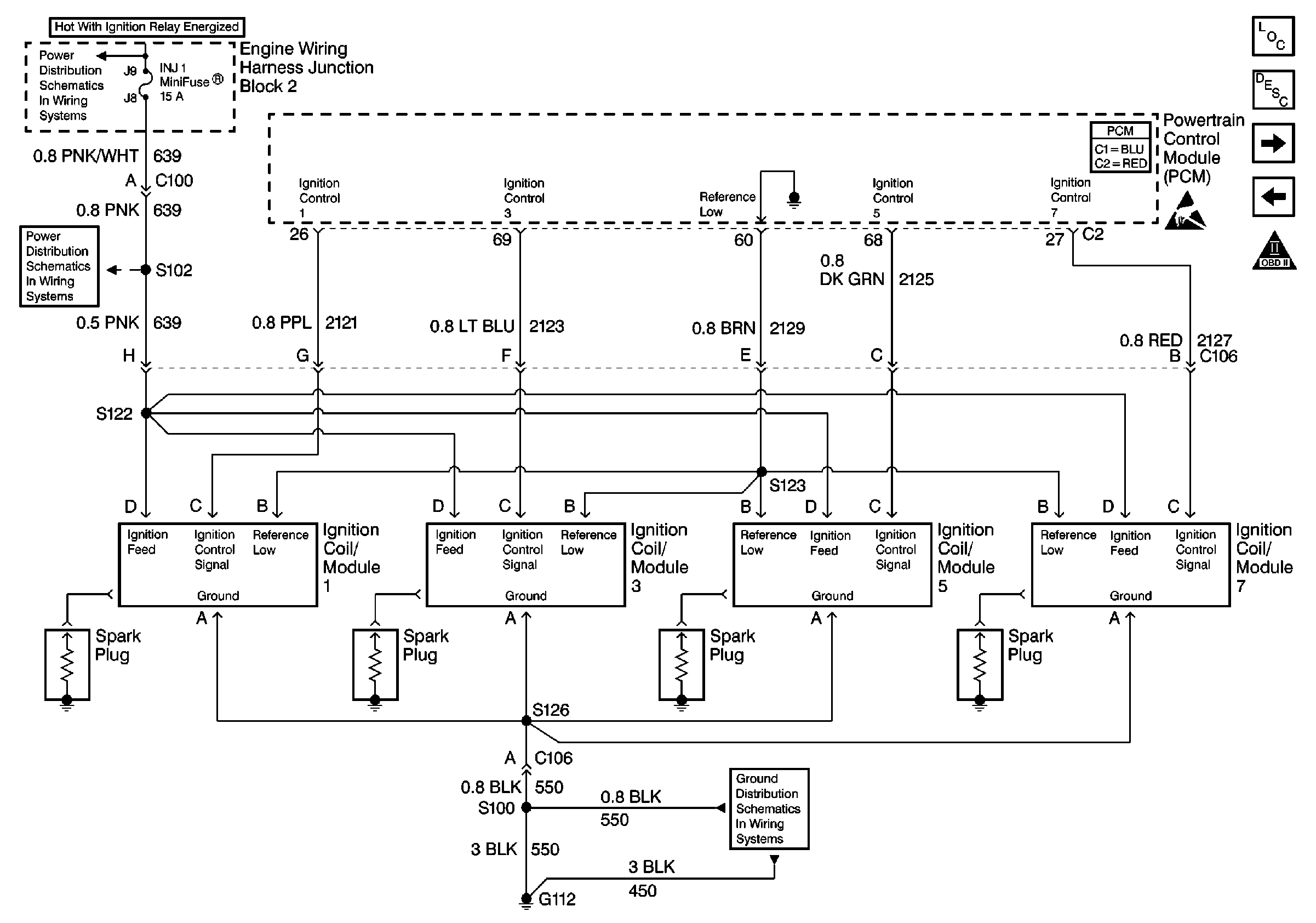
🢒 Ignition Modules/Coils, Bank 1
Ignition Modules/Coils, Bank 1
Ignition Modules/Coils, Bank 1
Engine Controls Components
Electronic Ignition (EI) System Description
Ignition Modules/Coils, Bank 2
Data Link Connector
Handling ESD Sensitive Parts Notice
OBD II Symbol Description Notice
Powertrain Control Module Connector End Views
INJ 1 Fuse
INJ 1 Fuse
G112 V8 VIN G