GM Service Manual Online
For 1990-2009 cars only
Makes
🢒
Chevrolet
🢒
2000
🢒
Camaro
🢒 Ignition Modules/Coils, Bank 2
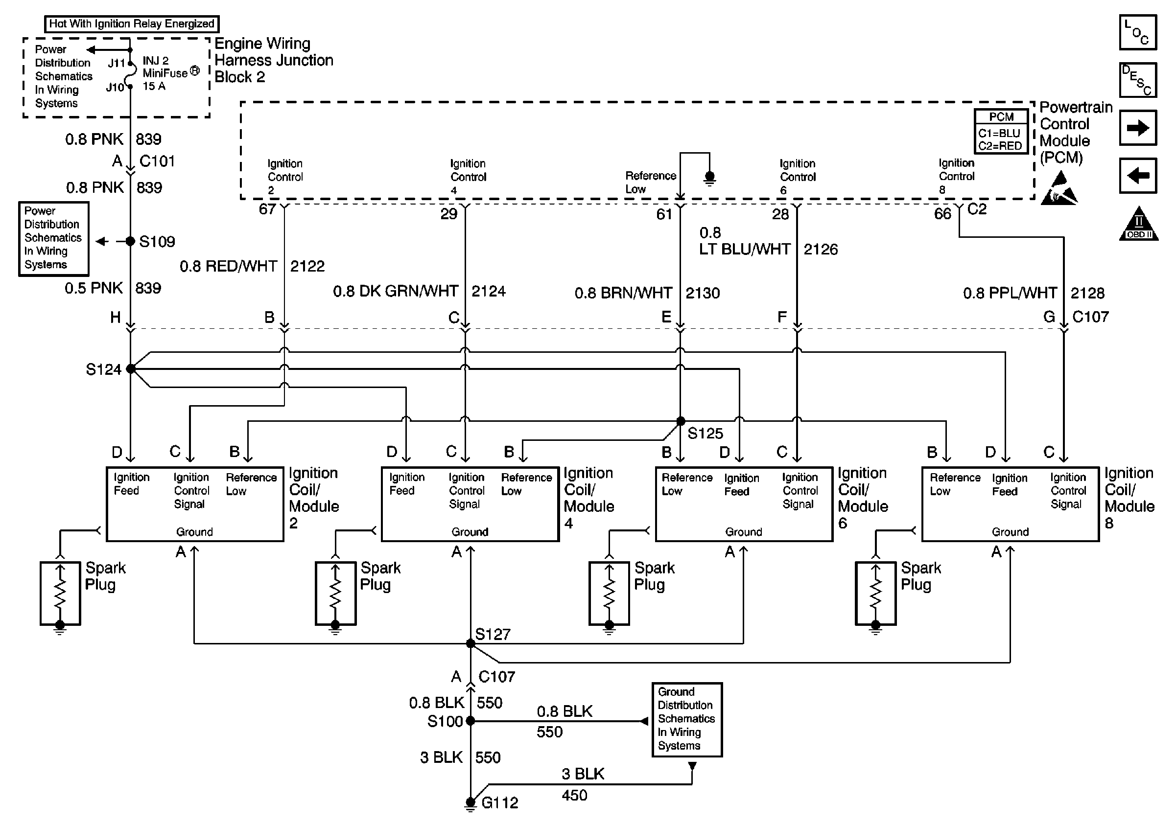
Ignition Modules/Coils, Bank 2
Ignition Modules/Coils, Bank 2
Engine Controls Components
Electronic Ignition (EI) System Description
Camshaft Position Sensor, Crankshaft Position Sensor, and Knock Sensors
Ignition Modules/Coils, Bank 1
OBD II Symbol Description Notice
Handling ESD Sensitive Parts Notice
Powertrain Control Module Connector End Views
INJ 2 Fuse
INJ 2 Fuse
G112 V8 VIN G