GM Service Manual Online
For 1990-2009 cars only

Object Number: 594230  Size: LF
Engine Controls Components
Engine Controls Schematics
OBD II Symbol Description Notice
Handling ESD Sensitive Parts Notice
Handling ESD Sensitive Parts Notice

Circuit Description

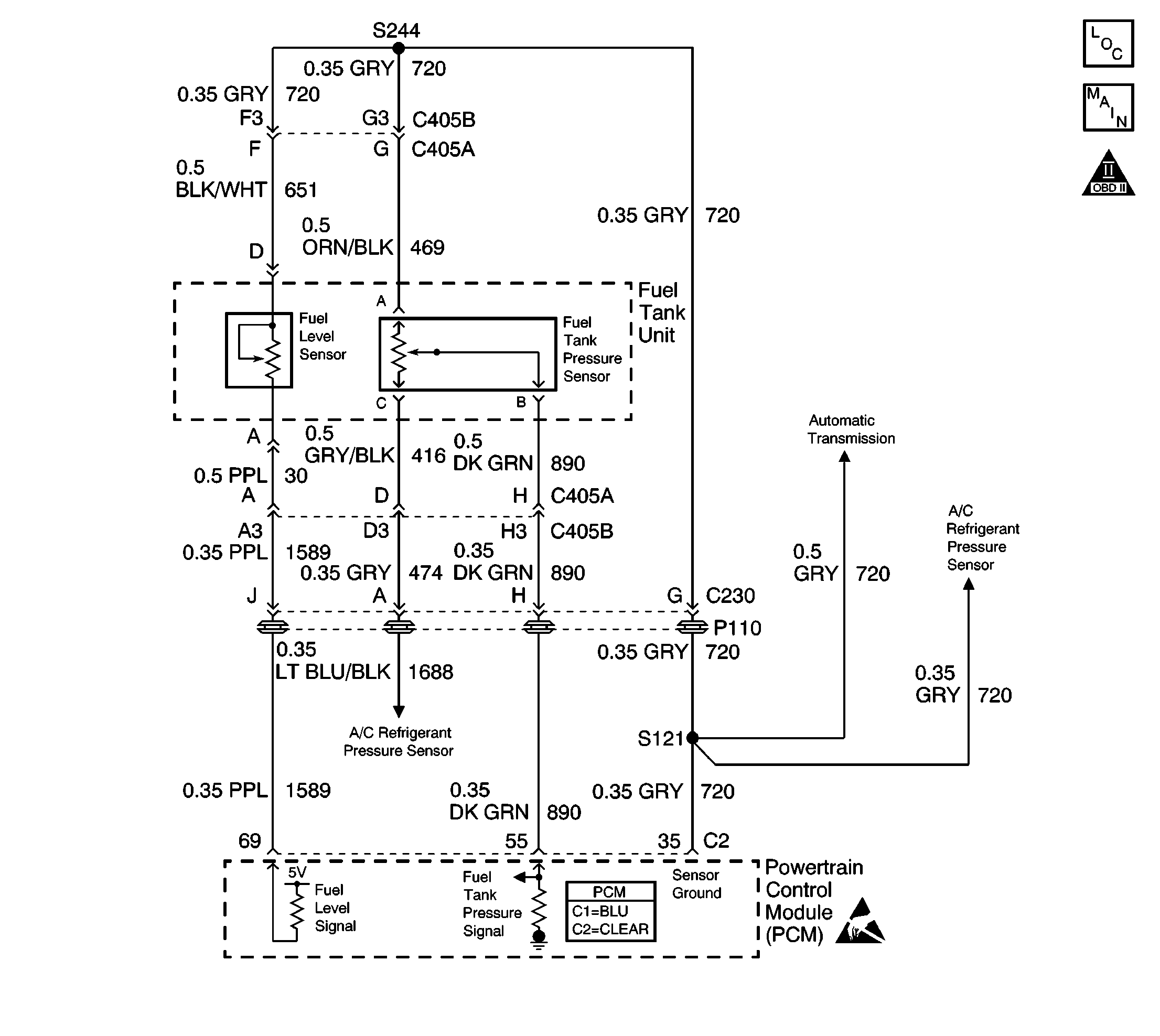
The fuel level sensor changes resistance based on fuel level. The fuel level sensor has a signal circuit and a ground circuit. The PCM applies a voltage (about 5.0 volts) on the signal circuit to the sensor. The PCM monitors changes in this voltage caused by changes in the resistance of the sensor to determine fuel level.

When the fuel tank is full, the sensor resistance is high, and the PCMs signal voltage is only pulled down a small amount through the sensor to ground. Therefore, the PCM will sense a high signal voltage (fuel tank full). When the fuel tank is empty, the sensor resistance is low, and the signal voltage is pulled down a greater amount. This causes the PCM to sense a low signal voltage (fuel tank empty).

The PCM uses inputs from the fuel level sensor to calculate the total fuel remaining in the fuel tank. This information is then sent to the fuel gauge.

This DTC sets when the PCM senses a signal voltage higher than the normal operating range of the sensor.

Conditions for Running the DTC

The ignition switch is in the RUN position.

Conditions for Setting the DTC

    • The fuel level sensor voltage is above 2.9 volts.
    • The condition present for 6  minutes.

Action Taken When the DTC Sets

    • The PCM will illuminate the malfunction indicator lamp (MIL) during the second consecutive trip in which the diagnostic test has been run and failed.
    • The PCM will store conditions which were present when the DTC set as Freeze Frame/Failure Records data.

Conditions for Clearing the MIL/DTC

    • The PCM will turn OFF the malfunction indicator lamp (MIL) during the third consecutive trip in which the diagnostic has run and passed.
    • The history DTC will clear after 40 consecutive warm-up cycles have occurred without a malfunction.
    • The DTC can be cleared by using a scan tool.

Diagnostic Aids

The vehicle fuel gauge displays empty with this DTC set.

Using Freeze Frame and/or Failure Records data may aid in locating an intermittent condition. If you cannot duplicate the DTC, the information included in the Freeze Frame and/or Failure Records data can aid in determining how many miles since the DTC set. The Fail Counter and Pass Counter can also aid determining how many ignition cycles the diagnostic reported a pass and/or a fail. Operate the vehicle within the same freeze frame conditions (RPM, load, vehicle speed, temperature etc.) that you observed. This will isolate when the DTC failed.

Test Description

The numbers below refer to the step numbers on the diagnostic table.

  1. This step determines if the fault is present.

  2. Using the Freeze Frame and/or Failure Records data may aid in locating an intermittent condition. If you cannot duplicate the DTC, the information included in the Freeze Frame and/or Failure Records data can help determine how many miles since the DTC set. The Fail Counter and Pass Counter can also help determine how many ignition cycles the diagnostic reported a pass and/or a fail. Operate the vehicle within the same freeze frame conditions (RPM, load, vehicle speed, temperature etc.) that you observed. This will isolate when the DTC failed. For an intermittent condition.

  3. Inspect the fuel sender pigtail for damage, if damage is found on the pigtail outside of the tank repair as necessary before replacing the sender.

  4. Inspect for proper terminal tension/connections at the PCM harness for all connections before replacing the PCM.

Step

Action

Values

Yes

No

1

Did you perform the Powertrain On-Board Diagnostic (OBD) System Check?

--

Go to Step 2

Go to Powertrain On Board Diagnostic (OBD) System Check

2

  1. Turn ON the ignition, with the engine OFF.
  2. With a scan tool, observe the fuel level sensor parameter.

Does the scan tool indicate fuel level above the specified value?

100%

Go to Step 4

Go to Step 3

3

  1. Turn OFF the ignition for 15 seconds.
  2. Operate the vehicle within the Fail Record conditions.

Does the scan tool indicate that this diagnostic failed this ignition?

--

Go to Step 4

Go to Diagnostic Aids

4

  1. Disconnect the fuel level sensor.
  2. Measure the voltage on the signal circuit using a DMM that is connected to a good ground.

Does the voltage measure less than the specified value?

5.5V

Go to Step 5

Go to Step 7

5

  1. Connect a fused Jumper between the signal and ground circuits.
  2. With a scan tool, observe the fuel level sensor parameter.

Does the scan tool indicate fuel level less than the specified value?

100%

Go to Step 11

Go to Step 6

6

  1. Disconnect the jumper from the fuel level sensor ground circuit.
  2. Jumper the fuel level sensor signal circuit to a known good ground.

Does the scan tool indicate fuel level less than the specified value?

100%

Go to Step 10

Go to Step 8

7

Test the signal circuit for a short to voltage. Refer to Circuit Testing in Wiring Systems.

Did you find a problem?

--

Go to Step 9

Go to Step 14

8

Test the signal circuit for an open or high resistance. Refer to Circuit Testing in Wiring Systems.

Did you find a problem?

--

Go to Step 9

Go to Step 13

9

Repair the signal circuit. Refer to Wiring Repairs in Wiring Systems.

Did you complete the repair?

--

Go to Step 15

--

10

Test the ground circuit for an open or high resistance. Refer to Circuit Testing in Wiring Systems.

Did you find a problem?

--

Go to Step 12

Go to Step 13

11

Replace the fuel level sensor. Refer to Fuel Level Sensor Replacement

Did you complete the replacement?

--

Go to Step 15

--

12

Repair the ground circuit. Refer to Wiring Repairs in Wiring Systems.

Did you complete the repair?

--

Go to Step 15

--

13

Inspect for poor connections at the PCM. Refer to Testing for Intermittent Conditions and Poor Connections and Connector Repairs in Wiring Systems.

Did you find and correct the condition?

--

Go to Step 15

Go to Step 14

14

Important: The replacement PCM must be programmed.

Replace the PCM.

Refer to Powertrain Control Module Replacement/Programming .

Did you complete the replacement?

--

Go to Step 15

--

15

  1. Use the scan tool in order to clear the DTCs.
  2. Operate the vehicle within the Fail Record conditions.

Does the DTC reset?

--

Go to Step 2

Go to Step 16

16

Does the scan tool display any DTCs that you have not diagnosed?

--

Go to applicable DTC

System OK