GM Service Manual Online
For 1990-2009 cars only
Makes
🢒
Chevrolet
🢒
2008
🢒
Captiva
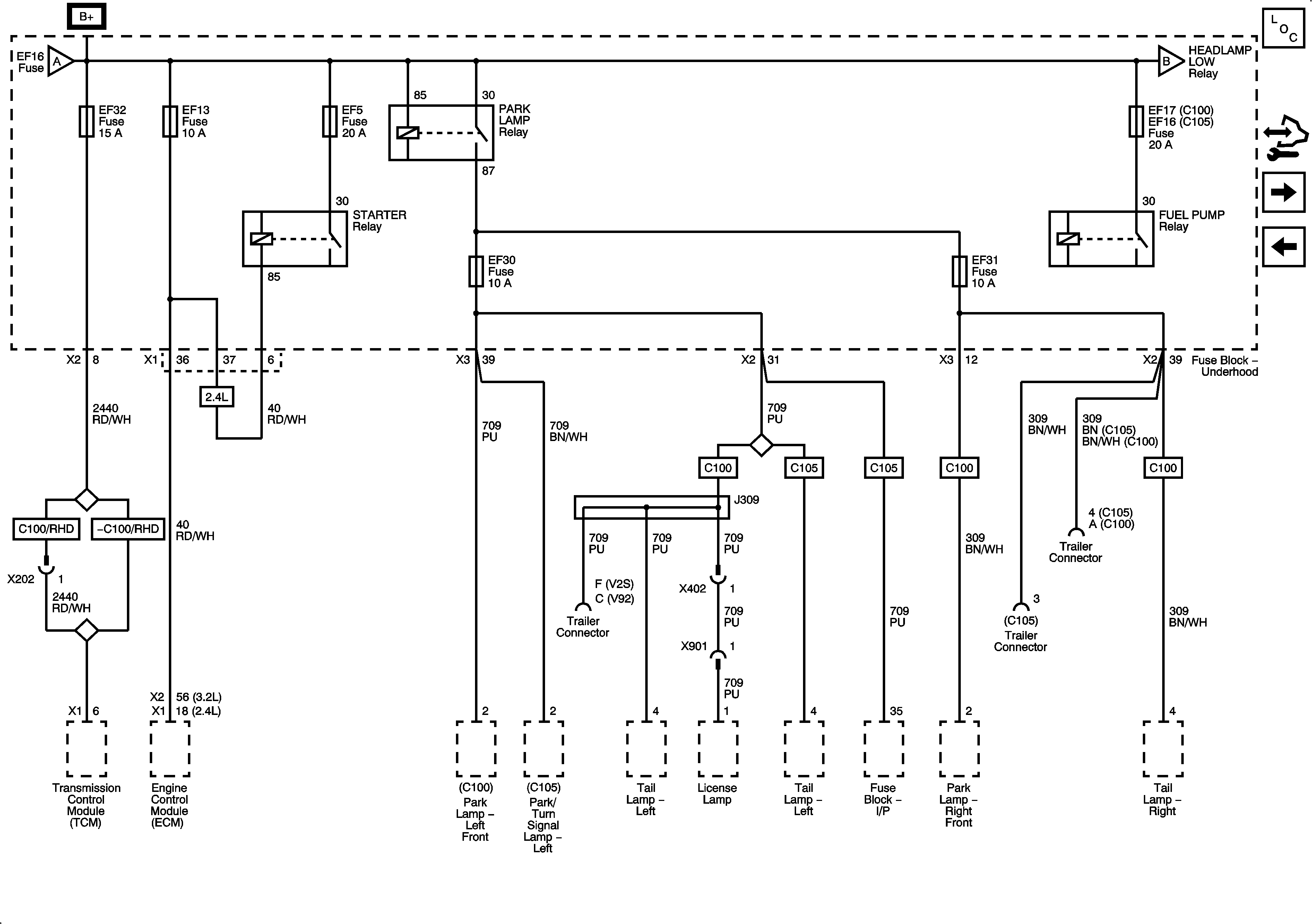
🢒 EF5, 13, 16, 24, 31, 32 Fuses, Starter, Park Lamps, Fuel Pump Relays
EF5, 13, 16, 24, 31, 32 Fuses, Starter, Park Lamps, Fuel Pump Relays
EF5, 13, 16, 24, 31, 32 Fuses, Starter, Park Lamps, Fuel Pump Relays
Master Electrical Component List
Control Module References
EF26, 27, 28, 29 Fuses, Headlamps, Foglamps, Relays
EF1, 4, 16, 18, 19, 20, 23 Fuses