GM Service Manual Online
For 1990-2009 cars only
Makes
🢒
Chevrolet
🢒
2008
🢒
Captiva
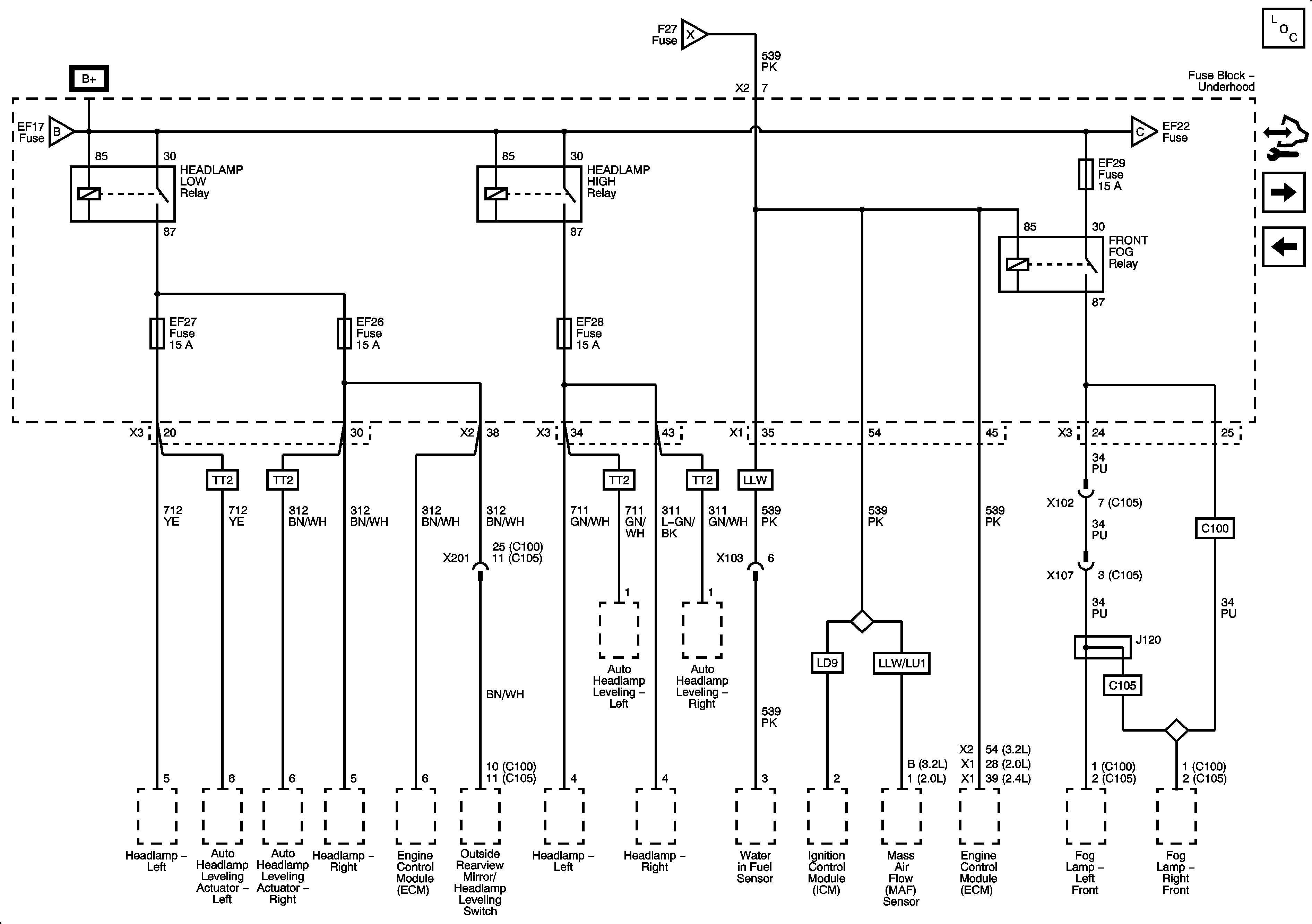
🢒 EF26, 27, 28, 29 Fuses, Headlamps, Foglamps, Relays
EF26, 27, 28, 29 Fuses, Headlamps, Foglamps, Relays
EF26, 27, 28, 29 Fuses, Headlamps, Foglamps Relays
Master Electrical Component List
Control Module References
EF22, 33, 34, Fuses, Horn, Headlamp Washer, Wipers Relays
EF5, 13, 16, 24, 31, 32 Fuses, Starter, Park Lamps, Fuel Pump Relays