GM Service Manual Online
For 1990-2009 cars only

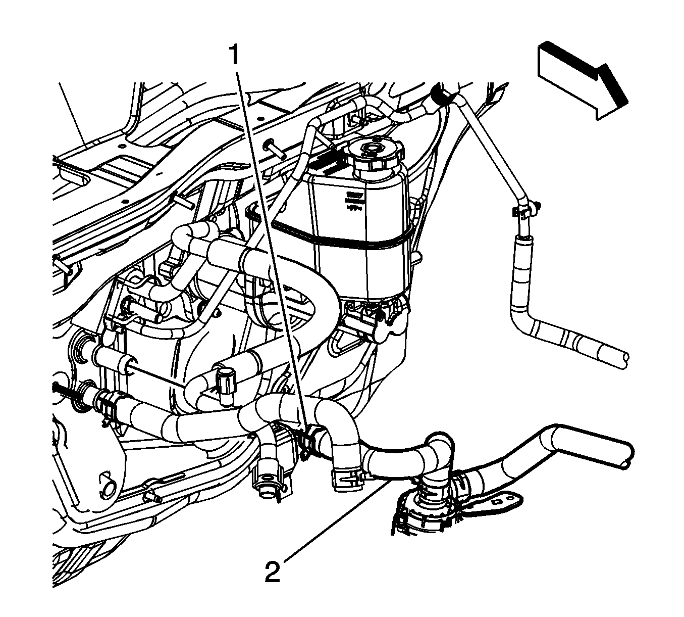
Heater Outlet Hose Replacement LY7


Object Number: 1872315  Size: MF

Callout

Component Name

Preliminary Procedures

  1. Remove the fuel injector sight shield. Refer to Fuel Injector Sight Shield Replacement.
  2. Partially drain the cooling system. Refer to Cooling System Draining and Filling.

1

Heater Outlet Hose Clamp (Qty: 2)

2

Heater Outlet Hose

Heater Outlet Hose Replacement LAT


Object Number: 1872691  Size: MF

Callout

Component Name

Preliminary Procedures

Partially drain the cooling system. Refer to Cooling System Draining and Filling.

1

Heater outlet hose clamps (Qty 2).

2

Heater outlet hose.

Heater Outlet Hose Replacement LE5


Object Number: 1872696  Size: MF

Callout

Component Name

Preliminary Procedures

Partially drain the cooling system. Refer to Cooling System Draining and Filling.

1

Heater outlet hose clamps (Qty 2).

2

Heater outlet hose.

Heater Outlet Hose Replacement LZ4


Object Number: 1888237  Size: MF

Callout

Component Name

Preliminary Procedures

Partially drain the cooling system. Refer to Cooling System Draining and Filling.

1

Heater Outlet Hose Clamp (Qty: 3)

2

Heater Outlet Hose

Heater Outlet Hose Replacement HP5 Pump to Engine

Special Tools

J 38185 Hose Clamp Pliers

Removal Procedure

  1. Drain the coolant. Refer to Cooling System Draining and Filling
  2. Remove the drive motor generator control module assembly. Refer to Drive Motor Generator Control Module Assembly Replacement

  3. Object Number: 2159911  Size: SH
  4. Using J 38185 Hose Clamp Pliers disengage the tension on the hose clamp (1) and remove the heater outlet hose (2) from the thermostat housing.

  5. Object Number: 2159914  Size: SH
  6. Using J 38185 Hose Clamp Pliers disengage the tension on the hose clamp (1) and remove the heater outlet hose (2) from the heater coolant pump.
  7. Remove the heater outlet hose - pump to engine from the vehicle.

Installation Procedure

  1. Install the heater outlet hose - pump to engine to the vehicle.

  2. Object Number: 2159914  Size: SH
  3. Using J 38185 Hose Clamp Pliers disengage the tension on the hose clamp (1) and install the heater outlet hose (2) to the heater coolant pump.

  4. Object Number: 2159911  Size: SH
  5. Using J 38185 Hose Clamp Pliers disengage the tension on the hose clamp (1) and install the heater outlet hose (2) to the thermostat housing.
  6. Install the drive motor generator control module assembly. Refer to Drive Motor Generator Control Module Assembly Replacement
  7. Fill the coolant. Refer to Cooling System Draining and Filling

Heater Outlet Hose Replacement HP5 Pump to Heater Core

Special Tools

J 38185 Hose Clamp Pliers

Removal Procedure

  1. Drain the coolant. Refer to Cooling System Draining and Filling
  2. Remove the drive motor generator control module assembly. Refer to Drive Motor Generator Control Module Assembly Replacement

  3. Object Number: 2159891  Size: SH
  4. Using J 38185 Hose Clamp Pliers disengage the tension on the hose clamp (1) and remove the heater outlet hose (2) from the heater coolant pump.

  5. Object Number: 2159889  Size: SH
  6. Using J 38185 Hose Clamp Pliers disengage the tension on the hose clamp (1) and remove the heater outlet hose (2) from the heater core.
  7. Remove the heater outlet hose - pump to heater core from the vehicle.

Installation Procedure

  1. Install the heater outlet hose - pump to heater core to the vehicle.

  2. Object Number: 2159889  Size: SH
  3. Using J 38185 Hose Clamp Pliers disengage the tension on the hose clamp (1) and install the heater outlet hose (2) to the heater core.

  4. Object Number: 2159911  Size: SH
  5. Using J 38185 Hose Clamp Pliers disengage the tension on the hose clamp (1) and install the heater outlet hose (2) to the heater coolant pump.
  6. Install the drive motor generator control module assembly. Refer to Drive Motor Generator Control Module Assembly Replacement
  7. Fill the coolant. Refer to Cooling System Draining and Filling