GM Service Manual Online
For 1990-2009 cars only
Makes
🢒
Chevrolet
🢒
1997
🢒
Cavalier
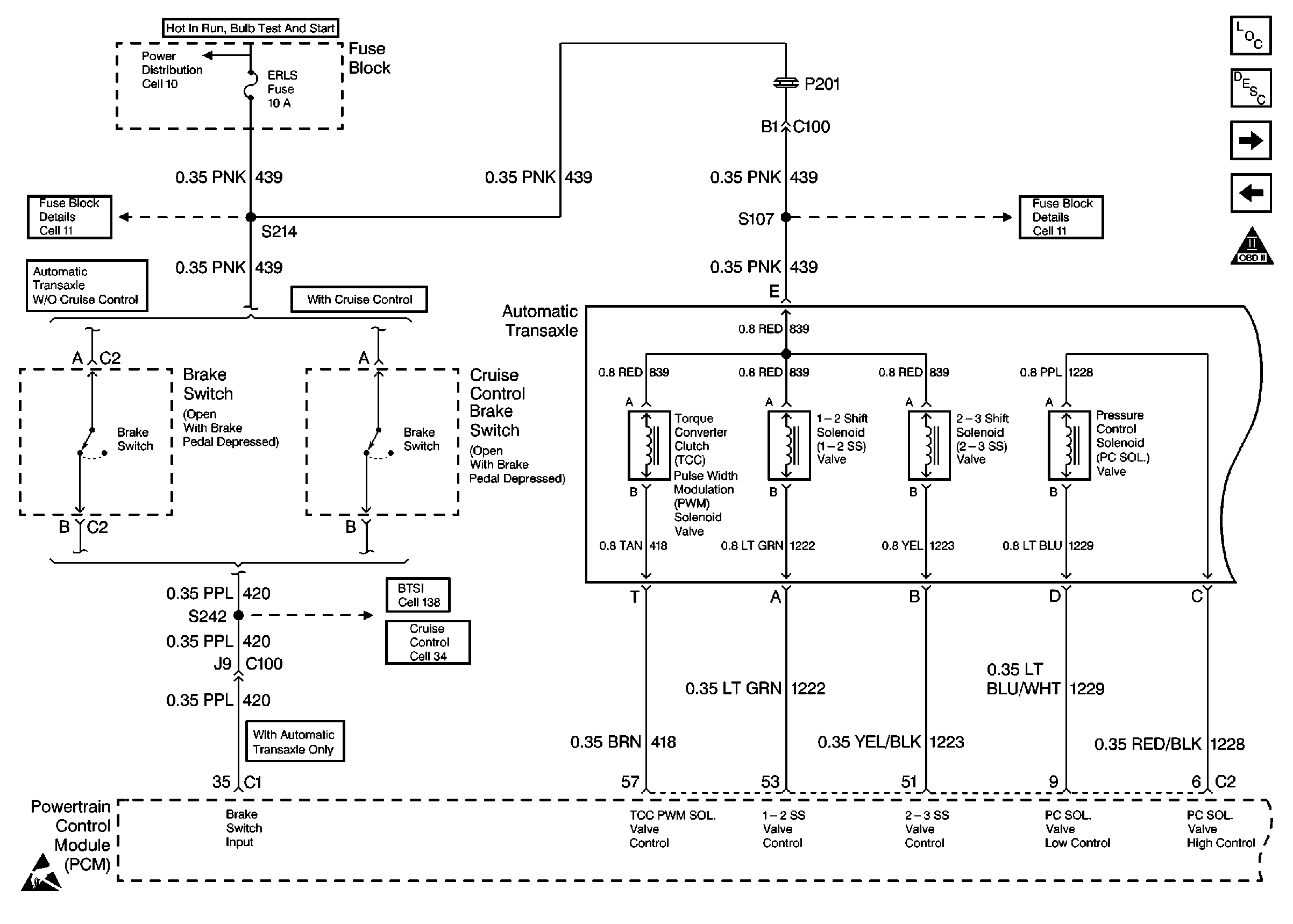
🢒 Transaxle Controls (Solenoids)
Transaxle Controls (Solenoids)
Transaxle Controls (Solenoids)
Engine Controls Components
Information Sensors
Transaxle Controls (Switches)
VSS and Cruise Control
OBD II Symbol Description Notice
Handling ESD Sensitive Parts Notice