GM Service Manual Online
For 1990-2009 cars only
Makes
🢒
Chevrolet
🢒
2001
🢒
Cavalier
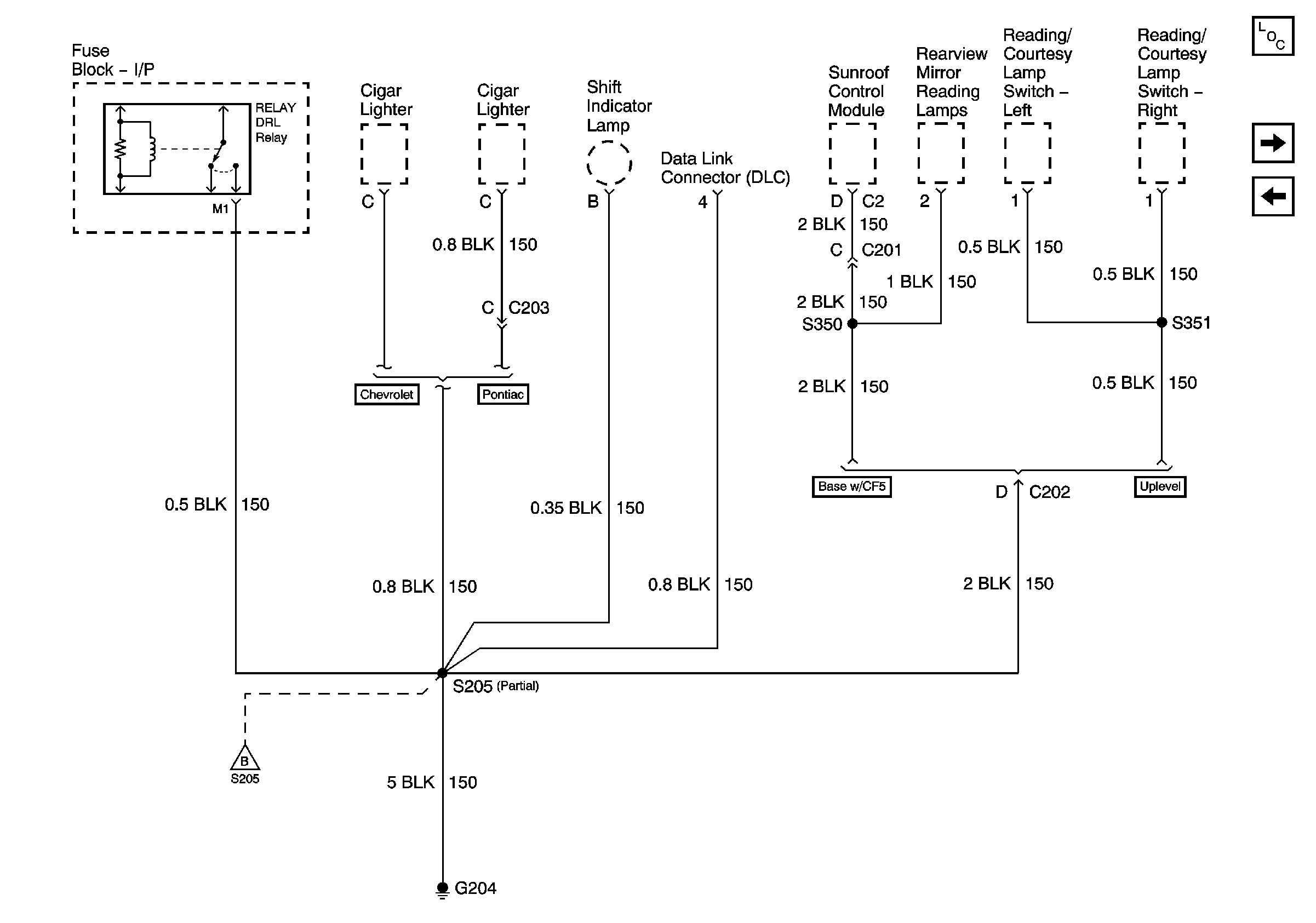
🢒 G204 - 1 of 2
G204 - 1 of 2
G204-1 of 2
Master Electrical Component List
G204 - 2 of 2
G112