GM Service Manual Online
For 1990-2009 cars only
Makes
🢒
Chevrolet
🢒
2001
🢒
Cavalier
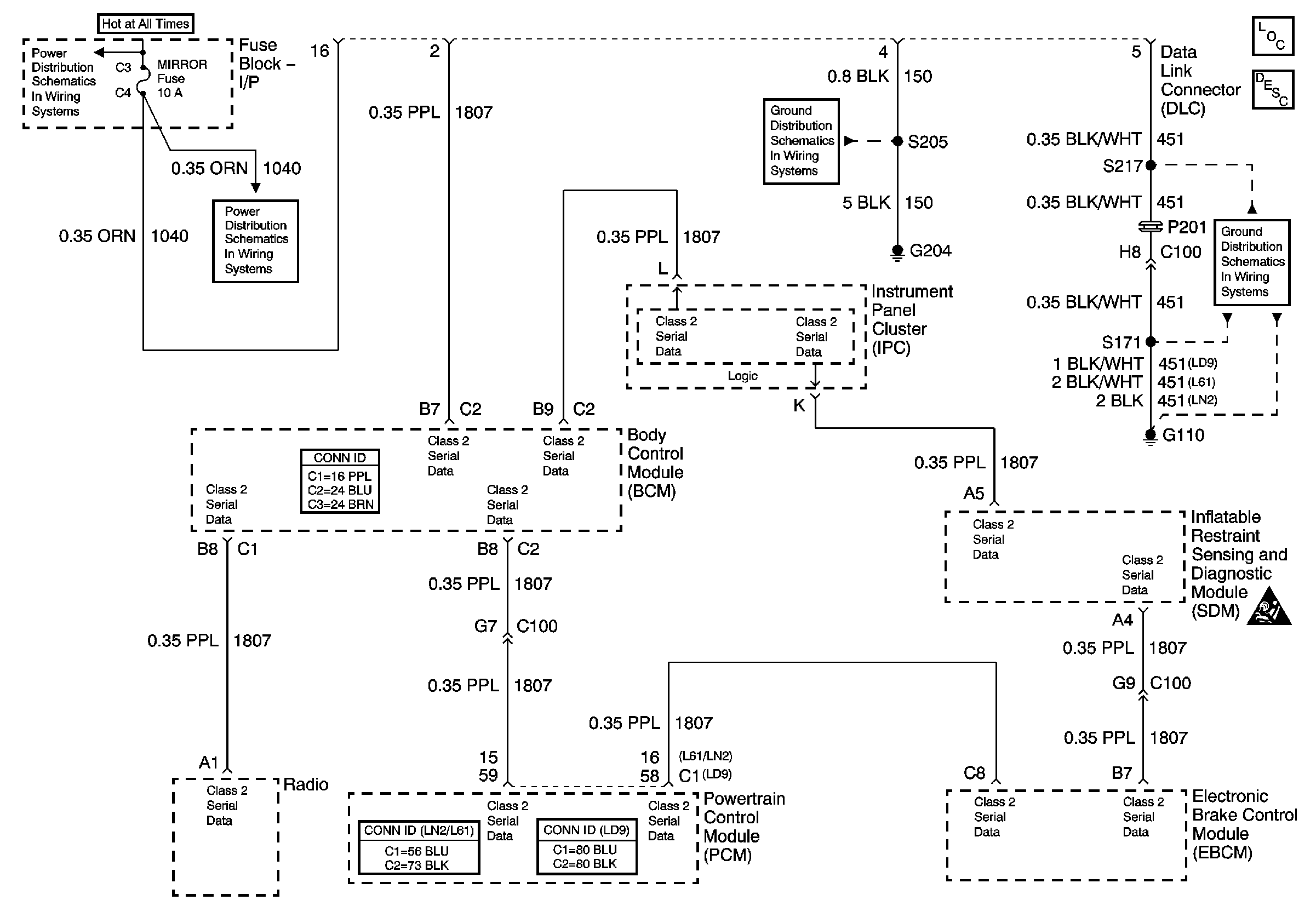
🢒 Data Link Connector (DLC)
Data Link Connector (DLC)
Master Electrical Component List
Data Link Communications Description and Operation
SIR Handling Caution
Underhood Fuse Block BATT 1, and I/P Fuse Block MIRROR, RT HDLP, FLS/PASS, RDO/INTLP, RFA BATT and AMPL Fuses
G204 - 1 of 2
Underhood Fuse Block BATT 1, and I/P Fuse Block MIRROR, RT HDLP, FLS/PASS, RDO/INTLP, RFA BATT and AMPL Fuses
G110 and G111