GM Service Manual Online
For 1990-2009 cars only
Makes
🢒
Chevrolet
🢒
2001
🢒
Cavalier
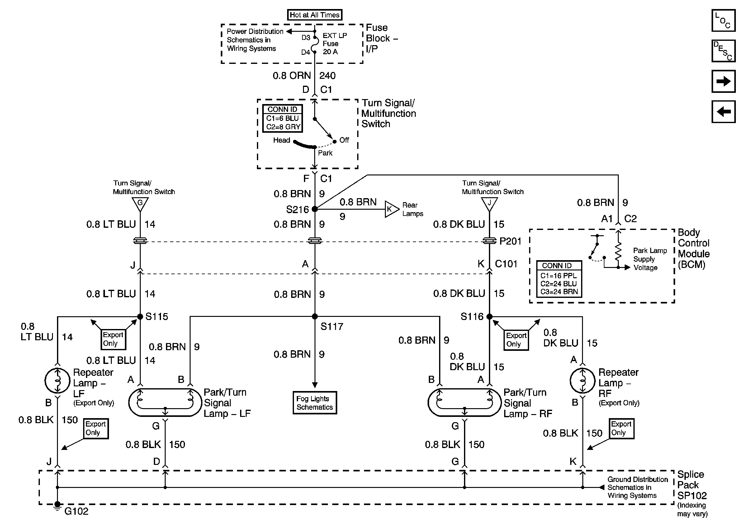
🢒 Park Lamp Controls and Front Lamps - Chevrolet
Park Lamp Controls and Front Lamps - Chevrolet
Park Lamp Controls and Front Lamps-Chevrolet
Master Electrical Component List
Exterior Lighting Systems Description and Operation
Rear Lamps
Park Lamp Controls and Front Lamps - Pontiac
G102 - 1 of 2
Domestic - Pontiac
Domestic - Chevrolet
Export
Lamp Controls, Rear Turn Lamps and Indicators
Rear Lamps
Lamp Controls, Rear Turn Lamps and Indicators