GM Service Manual Online
For 1990-2009 cars only
Makes
🢒
Chevrolet
🢒
2001
🢒
Cavalier
🢒 Domestic - Chevrolet
Domestic - Chevrolet
Domestic -- Chevrolet
Master Electrical Component List
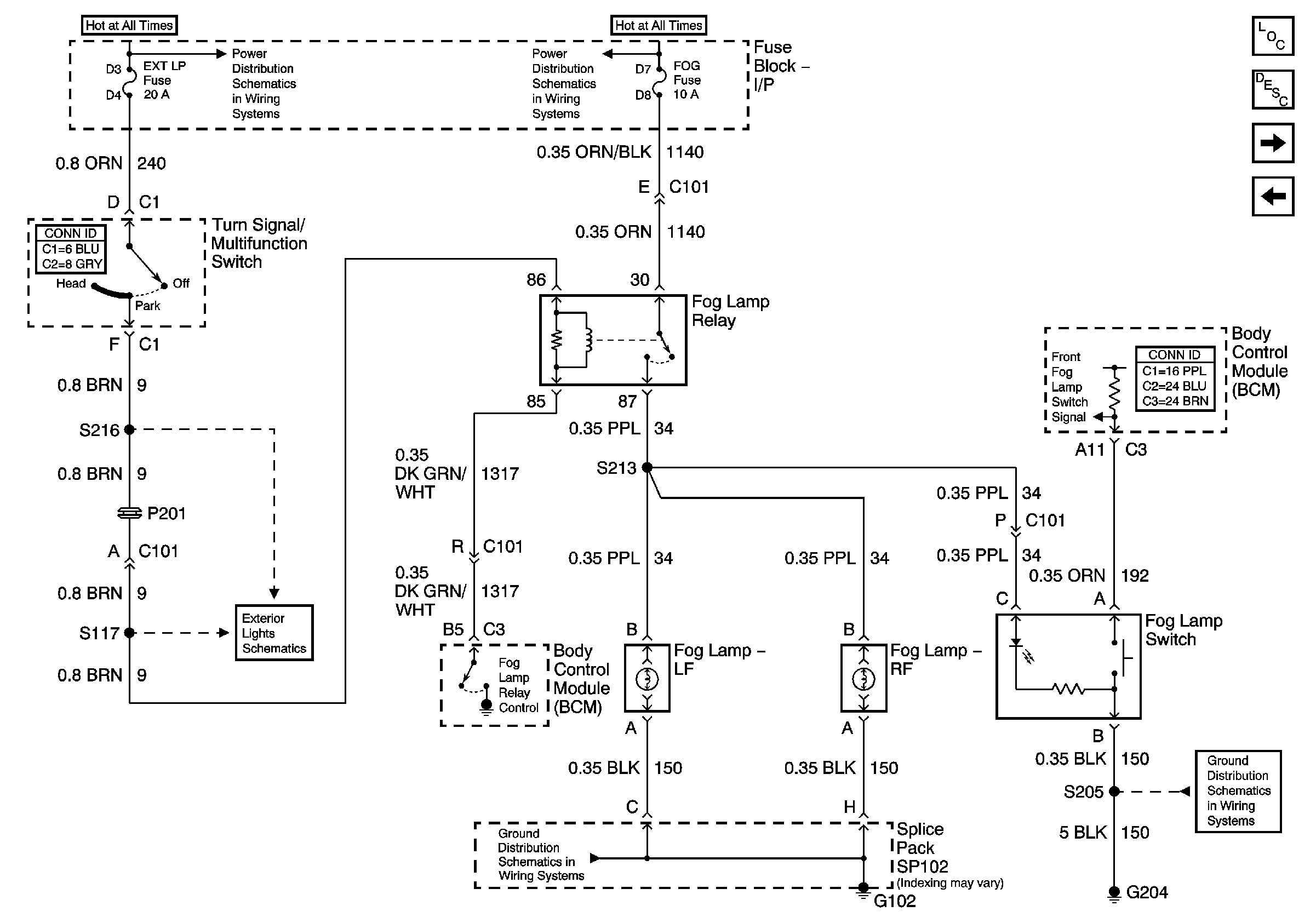
Exterior Lighting Systems Description and Operation
Export
Domestic - Pontiac
G204 - 1 of 2
I/P Fuse Block CIG, HORN, CLSTR, EXT LAMP, FOG, LT HDLP Fuses and HDLP Circuit Breaker
Park Lamp Controls and Front Lamps - Chevrolet