GM Service Manual Online
For 1990-2009 cars only
Makes
🢒
Chevrolet
🢒
2002
🢒
Cavalier
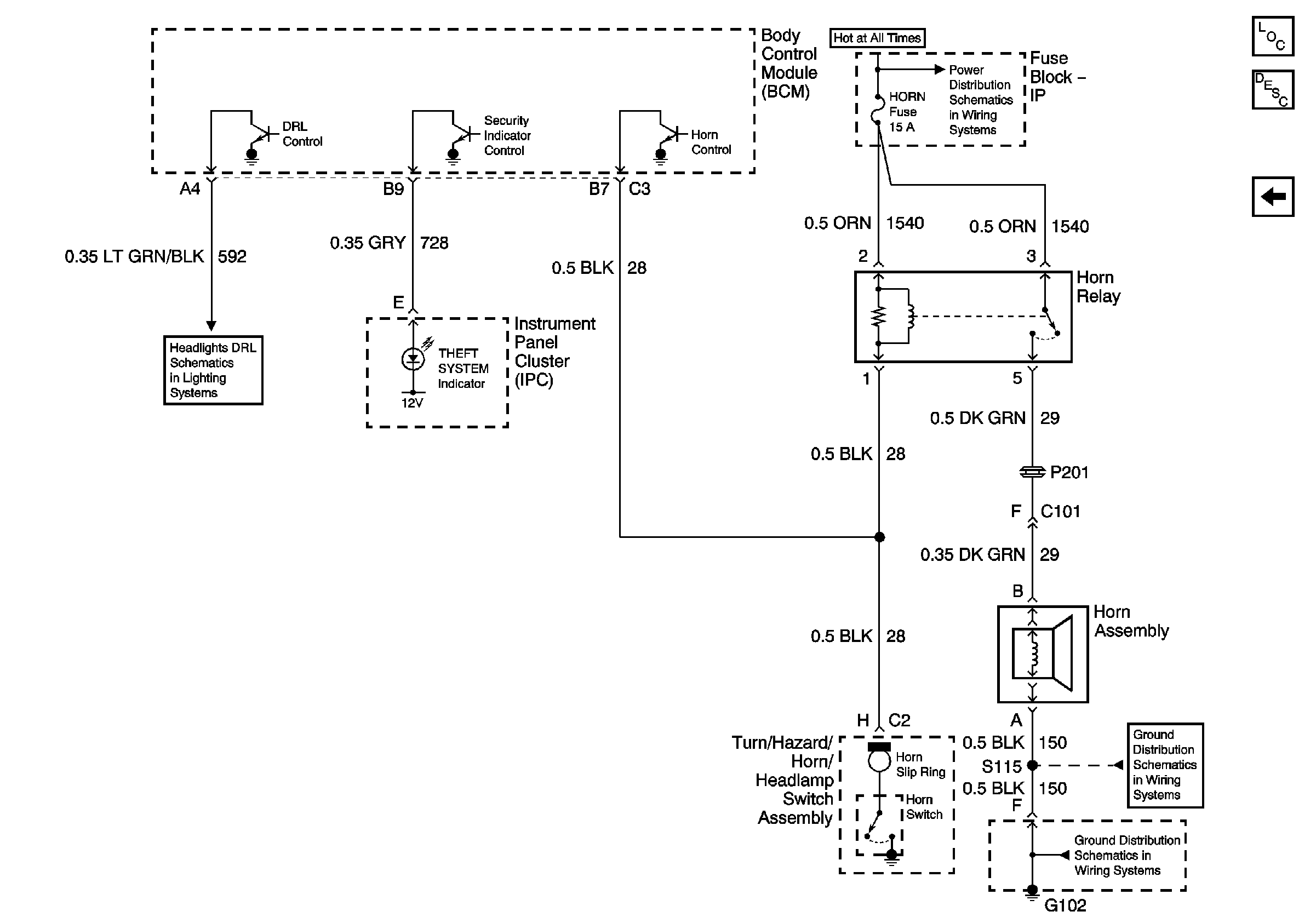
🢒 Content Theft Deterrent: DRL, Security Indicator, and Horn
Content Theft Deterrent: DRL, Security Indicator, and Horn
Content Theft Deterrent: DRL, Security Indicator, and Horn
Master Electrical Component List
Theft Deterrent Passlock™ Lock Cylinder
IP Fuse Block CIG, HORN, LT HDLP, CLSTR, EXT, LP, FOG Fuses, and HDLP Circuit Breaker
G102 - 1 of 2
G102 - 1 of 2
Domestic and Indicators