GM Service Manual Online
For 1990-2009 cars only
Makes
🢒
Chevrolet
🢒
2005
🢒
Cavalier
🢒
Body
🢒
Wiring Systems
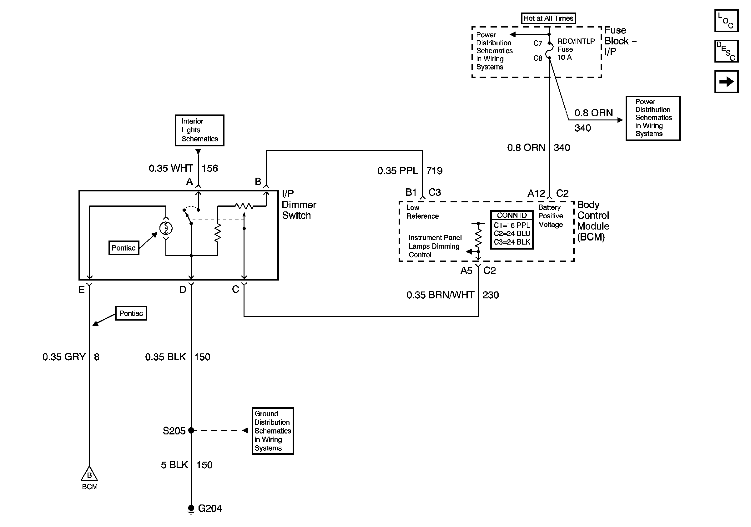
🢒 Interior Lights Dimming Schematics
Figure
1:
Dimmer Controls
Master Electrical Component List
Interior Lighting Systems Description and Operation
Interior Controls Illumination Lamps
Fuse Block - Underhood BATT 1 Fuse, Fuse Block - I/P MIR/DLC, RT HDLP, FLS/PASS, RDO/INTLP, RFA/BATT, AMPL Fuses
Fuse Block - Underhood BATT 1 Fuse, Fuse Block - I/P MIR/DLC, RT HDLP, FLS/PASS, RDO/INTLP, RFA/BATT, AMPL Fuses
Courtesy/Reading Lamps
Interior Controls Illumination Lamps
G204 - Page 2 of 2
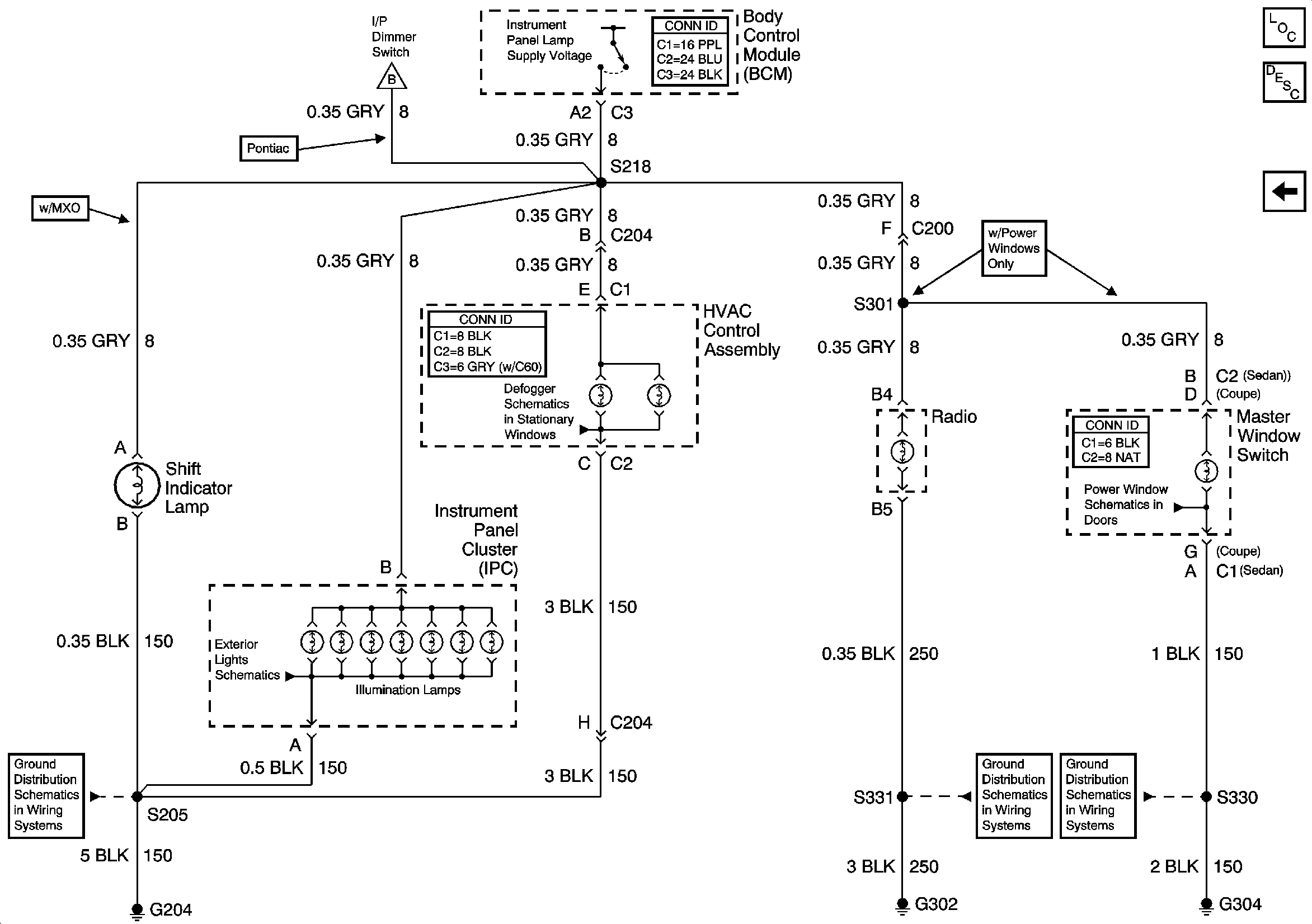
Figure
2:
Interior Controls Illumination Lamps
Master Electrical Component List
Interior Lighting Systems Description and Operation
Front Fog Lamps - Pontiac
Dimmer Controls
Defogger
Windows Power, Ground and Window Controls - Sedan
Lamp Controls, Rear Turn Lamps and Indicators
G204 - Page 1 of 2
G302
G304 - Page 2 of 2