GM Service Manual Online
For 1990-2009 cars only

Refer to Engine Controls Schematics

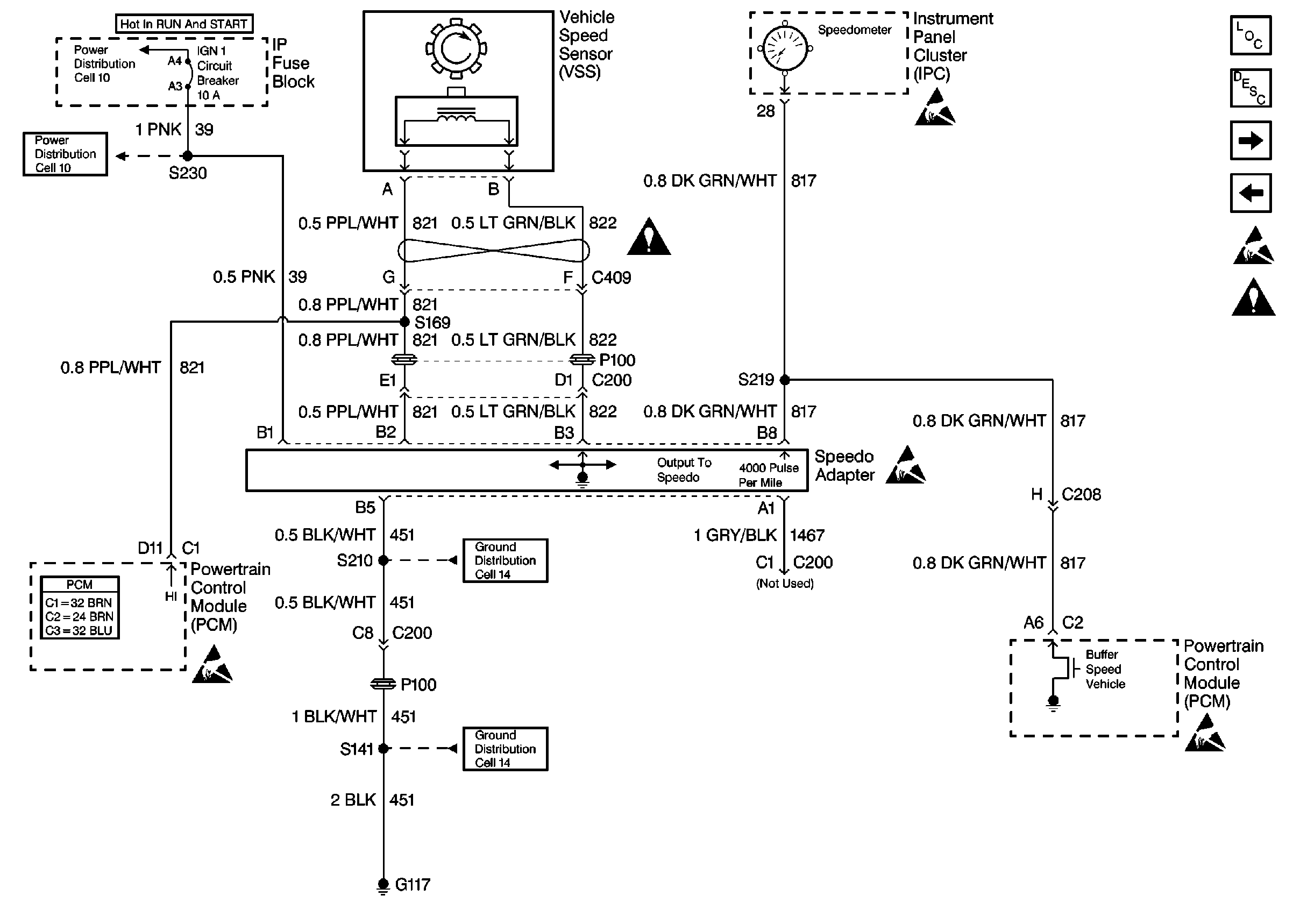
Cell 22: Instrument Panel Cluster (IPC), Speedo Adapter and Vehicle Speed Sensor


Object Number: 244532  Size: FS
Engine Controls Components
Cell 22: Instrument Panel Cluster (IPC) Indicators and Gauges
Cell 22: Engine Data Sensors
Handling ESD Sensitive Parts Notice
.

Circuit Description

The speed sensor circuit consists of a magnetic induction type sensor, a vehicle speed sensor buffer module and wiring. The gear teeth pressed on the output shaft induces an alternating current in the sensor. This signal is transmitted to the buffer. The buffer compensates for various axle ratios and converts the signal into a square wave for use by the speedometer, the cruise control, the antilock brake and the PCM. The buffer sends two different signals to the PCM.

Conditions for Setting the DTC

    • The vehicle speed is greater than 20 mph.
    • The four wheel low is not selected.
    • The VSS buffer calculated speed is less than half of the transmission calculated speed.

or

    • The VSS buffer calculated speed is greater than the transmission calculated speed by 20 mph.
    • All of the conditions must be met for 2 seconds.

Action Taken When the DTC Sets

    • The PCM will not illuminate the Malfunction Indicator Lamp (MIL).
    • The PCM records the operating conditions at the time the diagnostic fails. This information stores in the Failure Records.

Conditions for Clearing the MIL/DTC

    • A History DTC will clear after forty consecutive warm-up cycles during which the diagnostic does not fail (the coolant temperature has risen 5°C (40°F) from the start up coolant temperature and the engine coolant temperature exceeds 71°C (160°F) during that same ignition cycle).
    • Use of a scan tool will clear the DTC codes.

Diagnostic Aids

Check the connections at the VSS buffer and the PCM. Refer to 4L80E Diagnostic Trouble Codes if DTC P0722 or DTC P0723 is also set.

Test Description

Number(s) below refer to number(s) on the Diagnostic Table.

  1. This tests for B+ at VSS buffer.

  2. This tests for proper ground path for vehicle speed sensor signal buffer.

Step

Action

Value(s)

Yes

No

1

Important: Before clearing any DTCs, use the Scan Tool Capture Info to save freeze frame and failure records for reference, as the Scan Tool loses data when using the Clear Info function.

Was the Powertrain On-Board Diagnostic (OBD) System Check performed?

--

Go to Step 2

Go to Powertrain On Board Diagnostic (OBD) System Check

2

  1. Install Scan Tool.
  2. Raise drive wheels.
  3. Engine operating.
  4. Transmission in any drive range.

With drive wheels rotating, does vehicle speed increase with drive wheel speed increase?

--

Go to Step 7

Go to Step 3

3

  1. Transmission in park.
  2. Back probe VSS buffer module ignition feed circuit with a test light connected to ground.

Is test light ON?

--

Go to Step 4

Go to Step 8

4

Back probe VSS buffer module ignition feed circuit to the ground circuit with a test light.

Is the test light ON?

--

Go to Step 5

Go to Step 9

5

  1. Back probe VSS buffer module at VSS input circuit (C7) to the other VSS input circuit (C12) with a J 39200 on the AC scale.
  2. Transmission in any drive range with drive wheels rotating.

Does voltage increase on J 39200 with drive wheel increase?

--

Go to Step 6

Go to Step 10

6

Does Scan Tool display a trans output speed (MPH) increase with drive wheel increase?

--

Go to Step 13

Go to Step 12

7

DTC is intermittent. If no additional DTCs are stored, refer to Diagnostic Aids. If additional DTCs are stored refer to those table(s) first.

Are any additional DTCs stored?

--

Go to the Applicable DTC Table

Go to Diagnostic Aids

8

Repair the open in the ignition feed circuit.

Is the action complete?

--

Go to Step 18

--

9

Repair the open in the ground circuit.

Is the action complete?

--

Go to Step 18

--

10

Check the complete VSS input circuit for an open or short to ground.

Was a repair performed?

--

Go to Step 18

Go to Step 11

11

  1. Check for a poor connection at the VSS sensor.
  2. If a problem is found, repair the problem as necessary.

Was a problem found?

--

Go to Step 18

Go to Step 15

12

  1. Back probe the VSS buffer module at the VSS output circuit (C15) with a J 39200 connected to ground.
  2. Transmission in any drive range with drive wheels rotating.

Is there voltage present?

--

Go to Step 13

Go to Step 16

13

Check VSS output circuit for an open or short to ground.

Was a repair performed?

--

Go to Step 18

Go to Step 14

14

Check VSS output circuit for a poor connections at the PCM.

Was a repair performed?

--

Go to Step 18

Go to Step 17

15

Replace the Vehicle Speed Sensor.

Is the action complete?

--

Go to Step 18

--

16

Replace VSS Buffer module. Refer to Vehicle Speed Signal Buffer Replacement .

Is the action complete?

--

Go to Step 18

--

17

  1. Replace the PCM.
  2. Program the new PCM. Refer to Powertrain Control Module Replacement/Programming .
  3. Is the action complete?

--

Go to Step 18

--

18

  1. Using the Scan Tool, clear the DTCs.
  2. Start engine and idle at normal operating temperature.
  3. Select DTC, Specific, then enter the DTC number which was set.
  4. Operate the vehicle, within the Conditions for Setting this DTC, until the Scan Tool indicates the diagnostic Ran.

Does the Scan Tool indicate the diagnostic Passed?

--

Go to Step 19

Go to Step 2

19

Does the Scan Tool display any additional undiagnosed DTCs?

--

Go to the Applicable DTC Table

System OK