GM Service Manual Online
For 1990-2009 cars only

Refer to

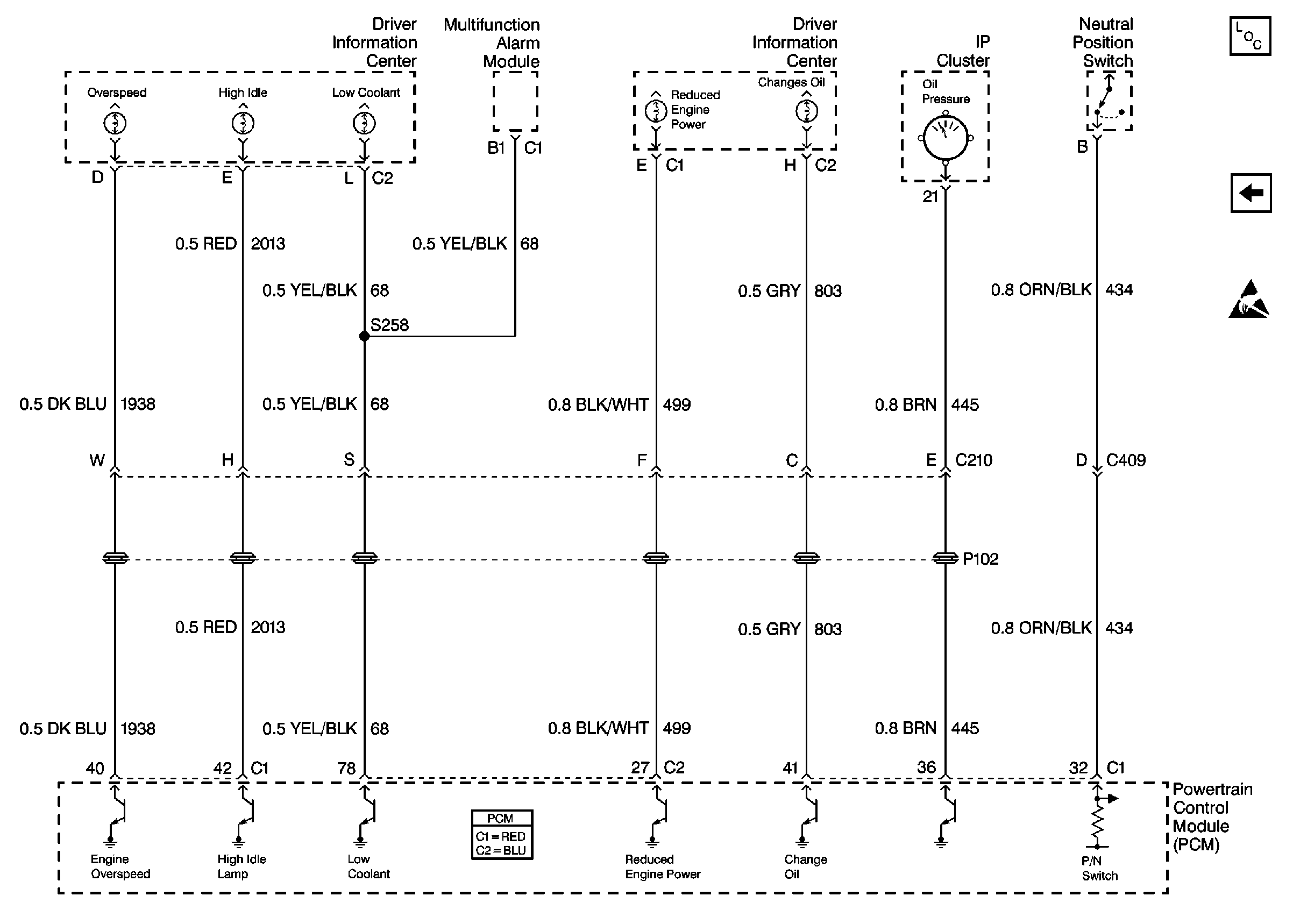
Cell 20: Driver Information Center, Engine Controls


Object Number: 330351  Size: FS
Engine Controls Components
Cell 20: IP Cluster, Transmission Controls, Multifuction Alarm Module
Handling ESD Sensitive Parts Notice

Circuit Description

Ignition positive voltage is supplied to the CHANGE OIL lamp. The PCM controls the lamp by grounding the control circuit with an internal switch called a driver.

The PCM will turn the CHANGE OIL lamp ON when any of the following conditions exist:

    • The ignition switch is turned to the ON position.
    • The PCM Engine Oil Life Monitor has determined that the engine oil needs to be changed.

The PCM will turn the CHANGE OIL lamp OFF when any of the following conditions exist:

    • The ignition switch has been turned to the ON position for at least 5 seconds.
    • The PCM Engine Oil Life Monitor has been reset.

Diagnostic Aids

An open ignition positive voltage fuse/circuit breaker will cause the entire IP cluster to be inoperative.

Inspect the related circuits and components that are suspected of causing an intermittent problem for the following conditions:

    • A terminal that is backed out of the connector.
    • A connector that is improperly mated.
    • Connector locks that are broken.
    • Terminals that are deformed or damaged.
    • Poor terminal to wire connections.
    • A wiring harness that is damaged.

Test Description

The numbers below refer to the step numbers on the diagnostic table.

  1. This step will determine if the PCM is controlling the lamp.

Step

Action

Value(s)

Yes

No

1

Did you perform the Powertrain On-Board Diagnostic (OBD) System Check?

--

Go to Step 2

Go to Powertrain On Board Diagnostic (OBD) System Check

2

  1. Turn the ignition switch to the OFF position for the specified value.
  2. Turn the ignition switch to the ON position and observe the CHANGE OIL lamp.

Did the lamp illuminate?

10 seconds

Go to Step 3

Go to Step 7

3

Did the CHANGE OIL lamp turn OFF after the specified value?

5 seconds

System OK

Go t Step 4

4

Does the scan tool indicate that the Engine Oil Life Remaining is greater than the specified value?

0%

Go to Step 6

Go to Step 5

5

  1. Change the engine oil an the oil filter. Refer to Engine Oil and Oil Filter Replacement in Engine Mechanical.
  2. Perform the Engine Oil Life Monitor Reset Procedure. Refer to Oil Life Monitor Resetting .

Is the action complete?

--

Go to Step 2

--

6

  1. Turn OFF the ignition.
  2. Disconnect the PCM connector containing the CHANGE OIL lamp control circuit.
  3. Turn the ignition switch to the ON position.

Is the CHANGE OIL lamp ON?

--

Go to Step 8

Go to Step 11

7

  1. Disconnect the PCM connector containing the CHANGE OIL lamp control circuit.
  2. Connect a fused jumper to battery ground and probe CHANGE OIL lamp control circuit at the PCM connector.
  3. Turn the ignition switch to the ON position.

Is the CHANGE OIL lamp ON?

--

Go to Step  9

Go to Step 10

8

Repair the short to ground at the CHANGE OIL lamp control circuit.

Is the action complete?

--

Go to Step 2

--

9

Inspect the PCM connector for the following conditions:

    • Damaged or deformed terminals.
    • Terminal that are improperly positioned.

Did you find and repair a problem?

--

Go to Step 2

Go to Step 11

10

Check for the following conditions and repair as necessary:

    • Faulty bulb
    • Open ignition feed to the bulb
    • Open lamp control circuit between the lamp and the PCM

Is the action complete?

--

Go to Step 2

--

11

Important:: Program the replacement PCM. Refer to Powertrain Control Module Replacement .

Replace the PCM.

Is the action complete?

--

Go to Step 2

--