GM Service Manual Online
For 1990-2009 cars only
Makes
🢒
Chevrolet
🢒
2000
🢒
Chevrolet C-Series Medium Duty Truck B7
🢒
Body and Accessories
🢒
Lighting Systems
🢒 Headlights/Daytime Running Lights (DRL) Schematics
Figure
1:
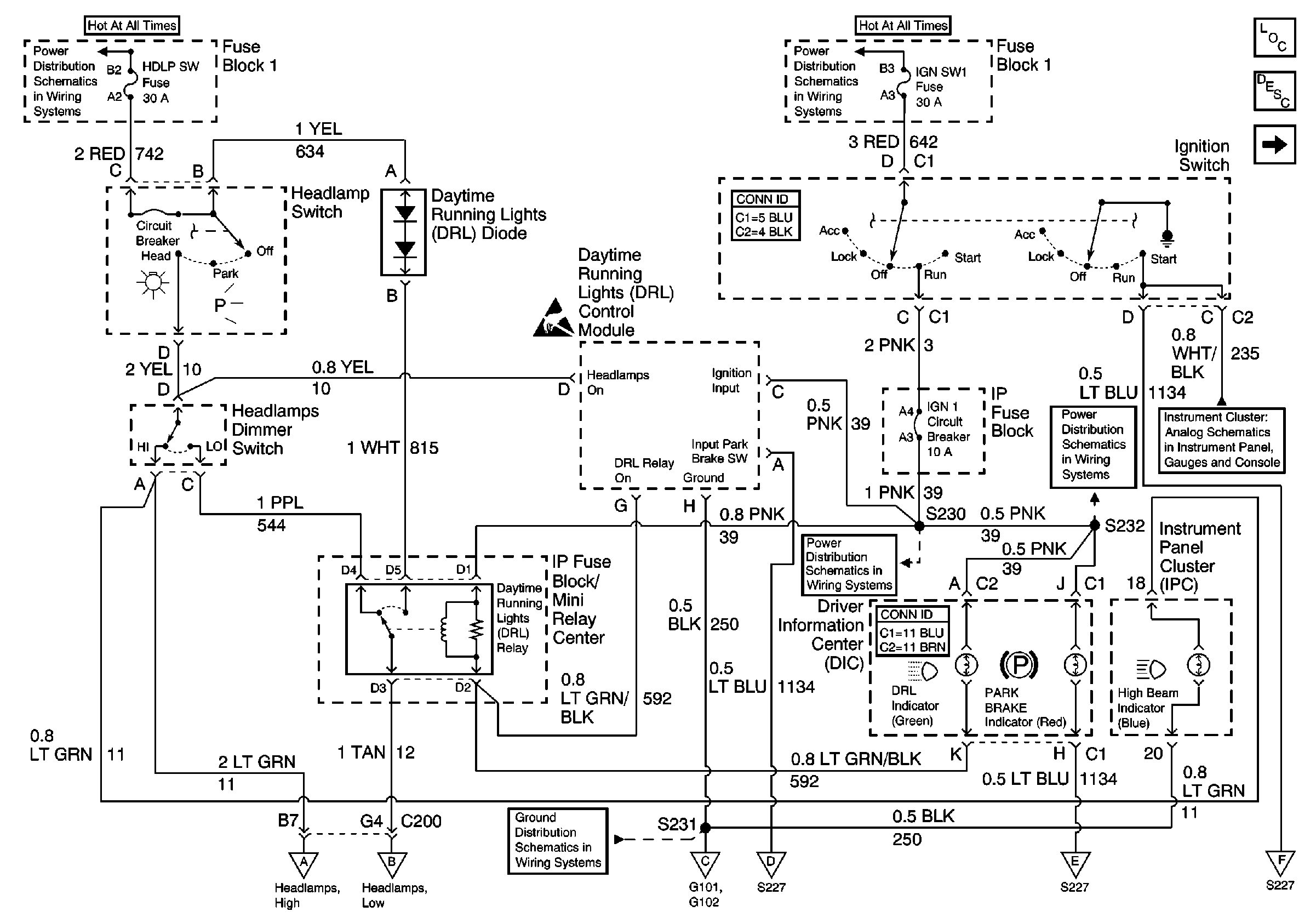
Circuit Power, DRL Controls
Lighting Systems Components
Headlights/Daytime Running Lights (DRL) Circuit Description
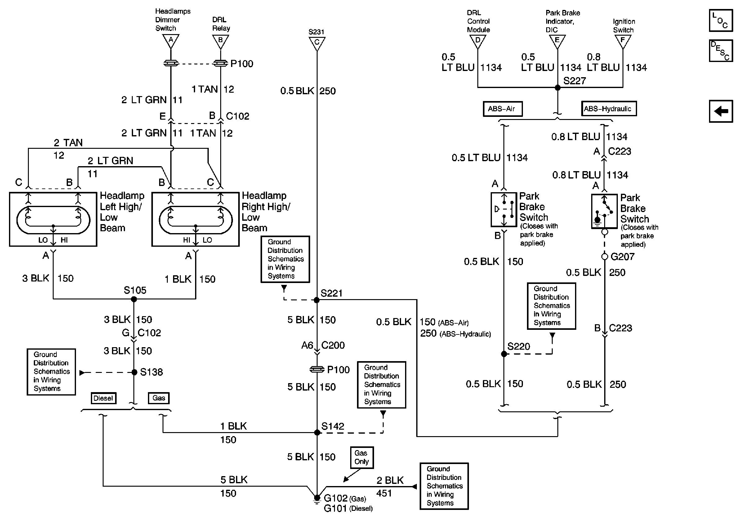
Headlamps, Park Brake Control, Ground Circuit
Headlamps, Park Brake Control, Ground Circuit
Headlamps, Park Brake Control, Ground Circuit
Headlamps, Park Brake Control, Ground Circuit
Headlamps, Park Brake Control, Ground Circuit
Headlamps, Park Brake Control, Ground Circuit
Headlamps, Park Brake Control, Ground Circuit
Power and Grounding Connector End Views
Instrument Panel, Gages, and Console Connector End Views
Battery, HORN/STOP, HD LP SW, IGN SW 1 Fuses, BRK, HORNS, STOP LP CircUit Breakers
Battery, HORN/STOP, HD LP SW, IGN SW 1 Fuses, BRK, HORNS, STOP LP CircUit Breakers
IGN 1 Circuit Breaker (1 of 2)
IGN 1 Circuit Breaker (2 of 2)
S105, S261, S231
Cell 81: IP Cluster - Park Brake Indicator and Water In Fuel Indicator
Figure
2:
Headlamps, Park Brake Control, Ground Circuit
Lighting Systems Components
Headlights Circuit Description
Circuit Power, DRL Controls
Circuit Power, DRL Controls
Circuit Power, DRL Controls
Circuit Power, DRL Controls
Circuit Power, DRL Controls
Circuit Power, DRL Controls
Circuit Power, DRL Controls
Ground Distribution Schematics
Ground Distribution Schematics
Ground Distribution Schematics
Ground Distribution Schematics
Ground Distribution Schematics