GM Service Manual Online
For 1990-2009 cars only

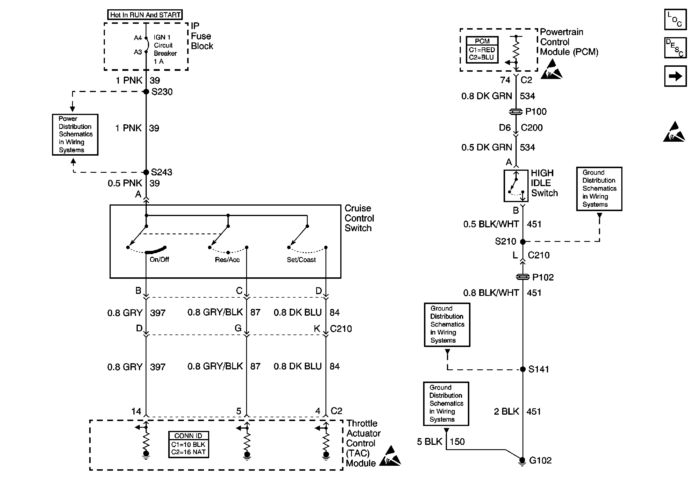
Cruise Control Schematics LG5

Figure 1:

1 of 2


Object Number: 618235  Size: FS
Cruise Control Components
Cruise Control System Circuit Description LG5
Handling ESD Sensitive Parts Notice
Accelerator Pedal, Clutch Pedal Position, Cruise Control, HI IDLE and Stoplamps Switches, EBCM and PCM,
Cell 44: Brake Fluid Control Module, Multifunction PRIMARY BRAKE Lamps Switch
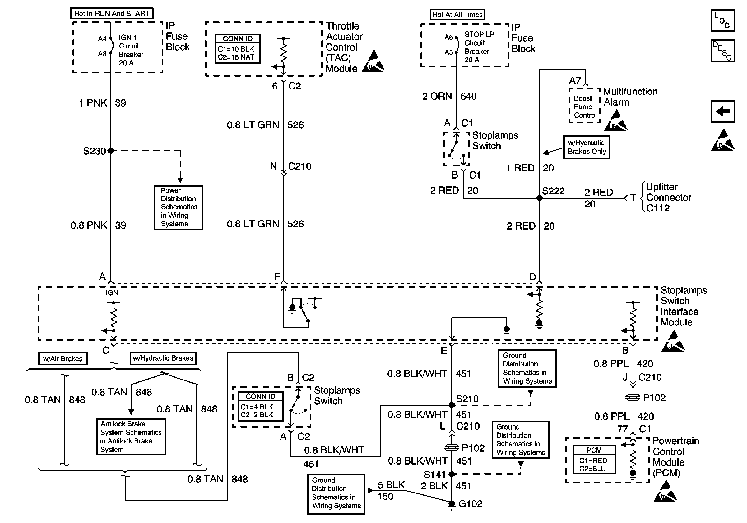
Figure 2:

2 of 2


Object Number: 618237  Size: FS
Cruise Control Components
Cruise Control System Circuit Description LG5
Handling ESD Sensitive Parts Notice
STOP LP, HORNS, TL/MKR, PNL, HAZ Circuit Breakers

Cruise Control Schematics LP4/L21

Figure 1:

1 of 2


Object Number: 618239  Size: FS
Cruise Control Components
Cruise Control System Circuit Description LP4/L21
Handling ESD Sensitive Parts Notice
IGN 1 Circuit Breaker (2 of 2)
Gasoline Engine, S141 and S210
Gasoline Engine, G102
Gasoline Engine, S141 and S210
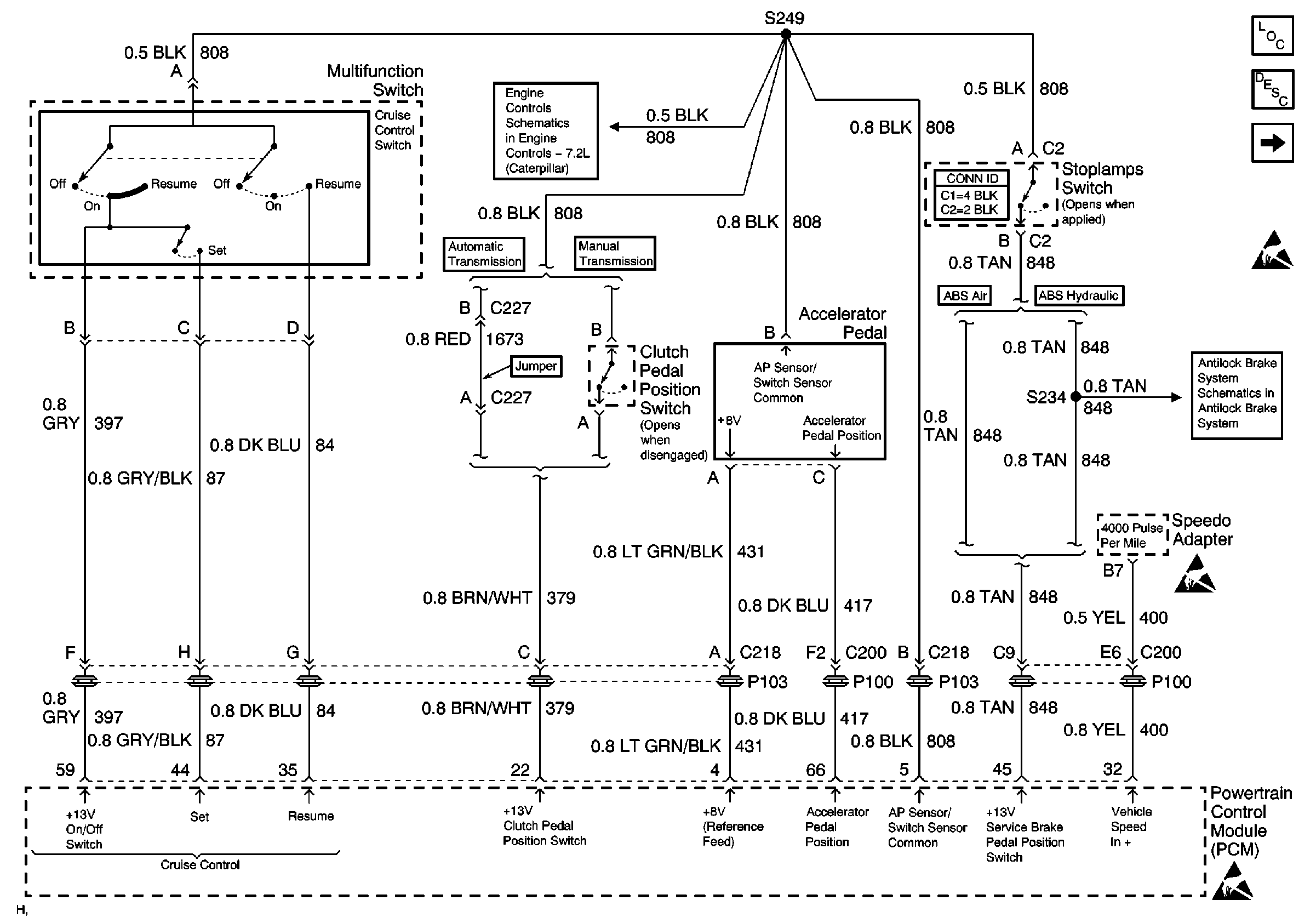
Figure 2:

2 of 2


Object Number: 618241  Size: FS
Cruise Control Components
Cruise Control System Circuit Description LP4/L21
Handling ESD Sensitive Parts Notice
IGN 1 Circuit Breaker (1 of 2)
Cell 44: Brake Fluid Control Module, Multifunction PRIMARY BRAKE Lamps Switch
Gasoline Engine, G102
Gasoline Engine, S141 and S210