GM Service Manual Online
For 1990-2009 cars only
Makes
🢒
Chevrolet
🢒
2000
🢒
Chevrolet C-Series Medium Duty Truck B7
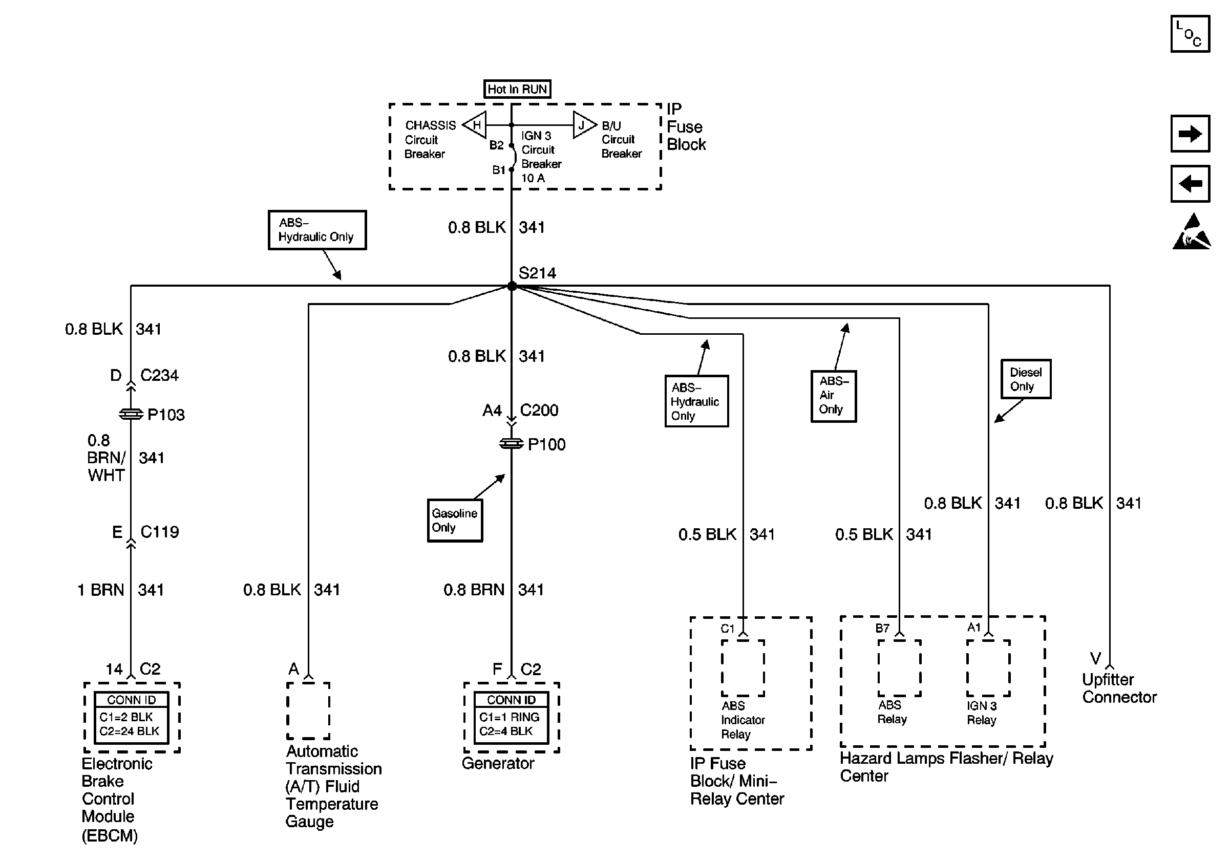
🢒 IGN 3 Circuit Breaker
IGN 3 Circuit Breaker
IGN 3 Circuit Breaker
Power and Grounding Components Power Distribution
AUX 2, CHASSIS, B/U, AUX 1 Circuit Breakers
IGN 1 Circuit Breaker (2 of 2)
Handling ESD Sensitive Parts Notice
AUX 2, CHASSIS, B/U, AUX 1 Circuit Breakers
AUX 2, CHASSIS, B/U, AUX 1 Circuit Breakers
Antilock Brake System Connector End Views
Engine Electrical Connector End Views