GM Service Manual Online
For 1990-2009 cars only
Makes
🢒
Chevrolet
🢒
2000
🢒
Chevrolet C-Series Medium Duty Truck B7
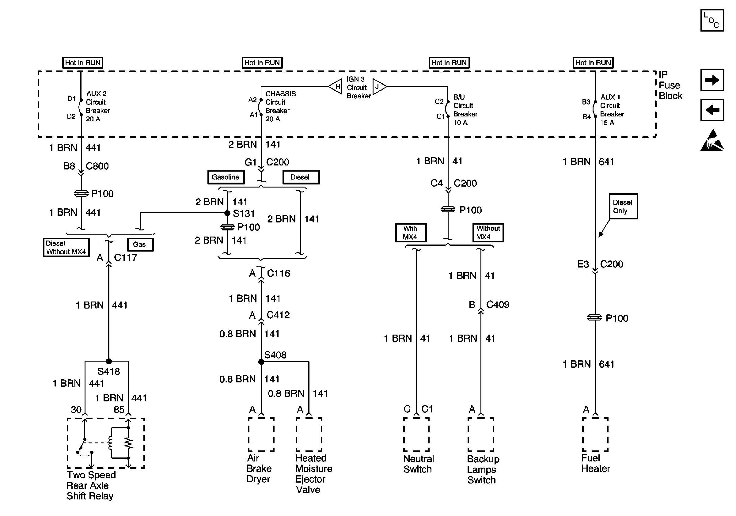
🢒 AUX 2, CHASSIS, B/U, AUX 1 Circuit Breakers
AUX 2, CHASSIS, B/U, AUX 1 Circuit Breakers
AUX 2, CHASSIS, B/U, AUX 1 Circuit Breakers
Power and Grounding Components Power Distribution
STOP LP, HORNS, TL/MKR, PNL, HAZ Circuit Breakers
IGN 3 Circuit Breaker
Handling ESD Sensitive Parts Notice
IGN 3 Circuit Breaker