GM Service Manual Online
For 1990-2009 cars only
Makes
🢒
Chevrolet
🢒
2002
🢒
Chevrolet C-Series Medium Duty Truck B7
🢒
Engine
🢒
Engine Exhaust
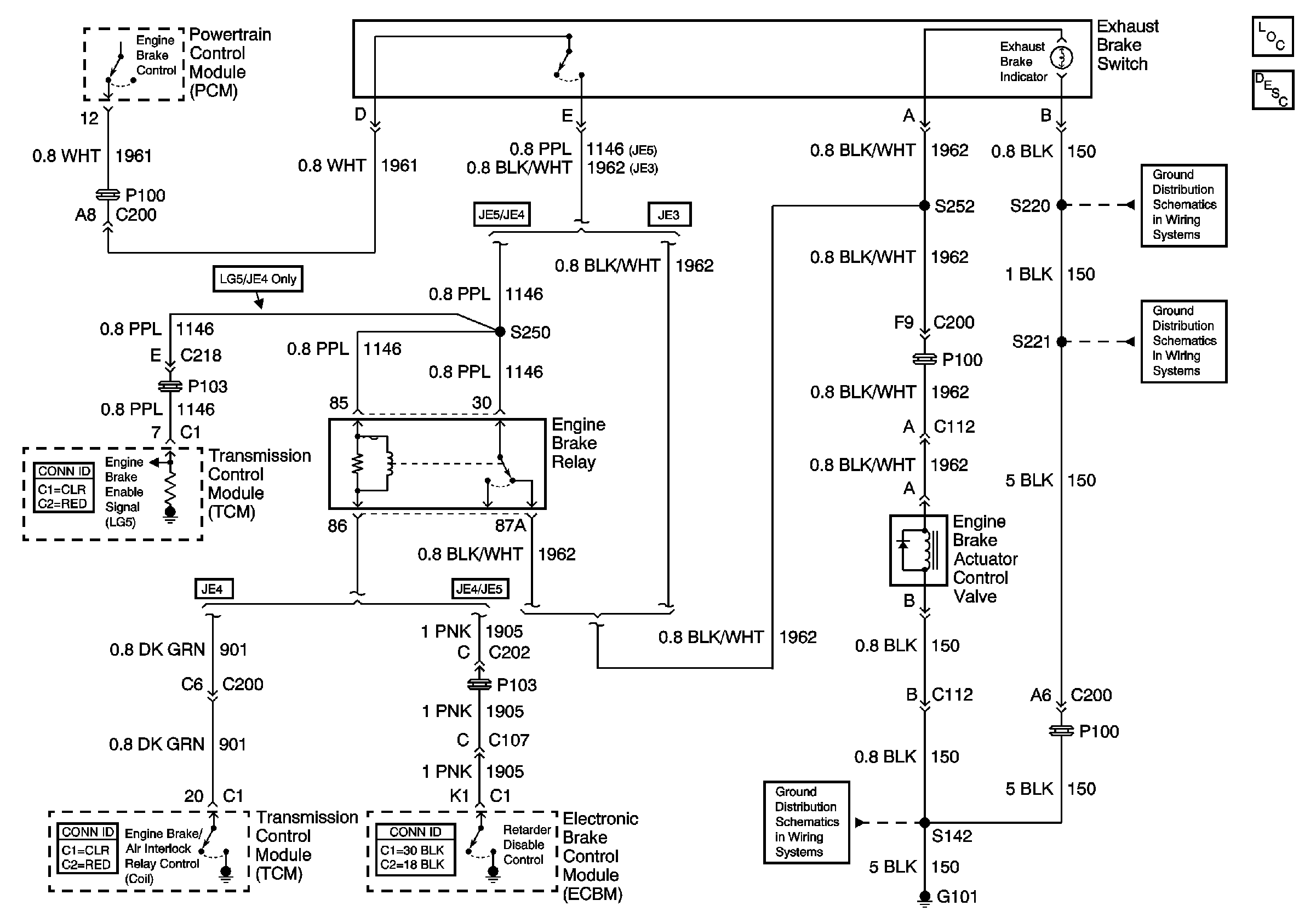
🢒 Engine Exhaust Brake Schematics
Master Electrical Component List
Exhaust Brake Operation
Ground Distribution Schematics - S220, S229 LG5
Ground Distribution Schematics - G108, G207, G208 and S221 LG5
Ground Distribution Schematics - S142 and S241 LG5