GM Service Manual Online
For 1990-2009 cars only
Figure 1:

Battery and BRK, HORNS and STOP LP Circuit Breakers, HD LP SW, HORN/STOP and IGN SW 1 Fuses


Object Number: 682040  Size: FS
Master Electrical Component List
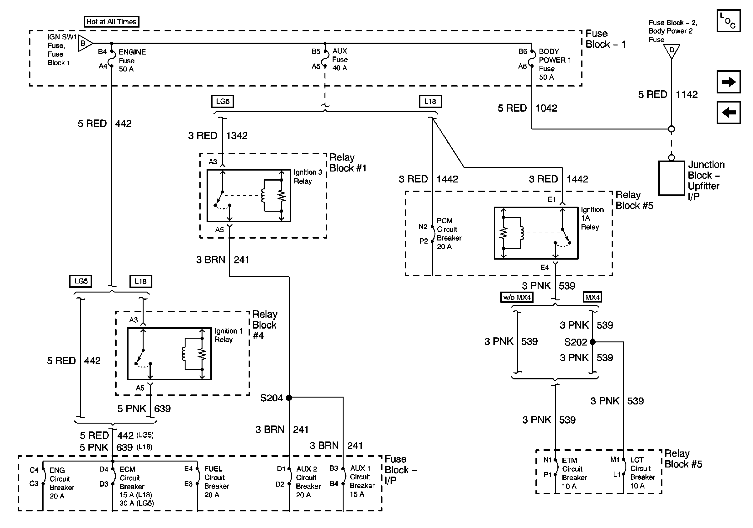
Power Distribution Schematics - Aux 1, Aux 2, ECM, ENG, ETM and Fuel Circuit Breakers, Aux, Body Power 1 and Engine Fuses
Power Distribution Schematics - ABS, Body Power 2, ING SW 2, Lighting, PCM/Injectors and Starter Fuses, Even and ODD INJ, HAZ, PNL, and TL/MKR Circuit Breakers
Power Distribution Schematics - Aux 1, Aux 2, ECM, ENG, ETM and Fuel Circuit Breakers, Aux, Body Power 1 and Engine Fuses
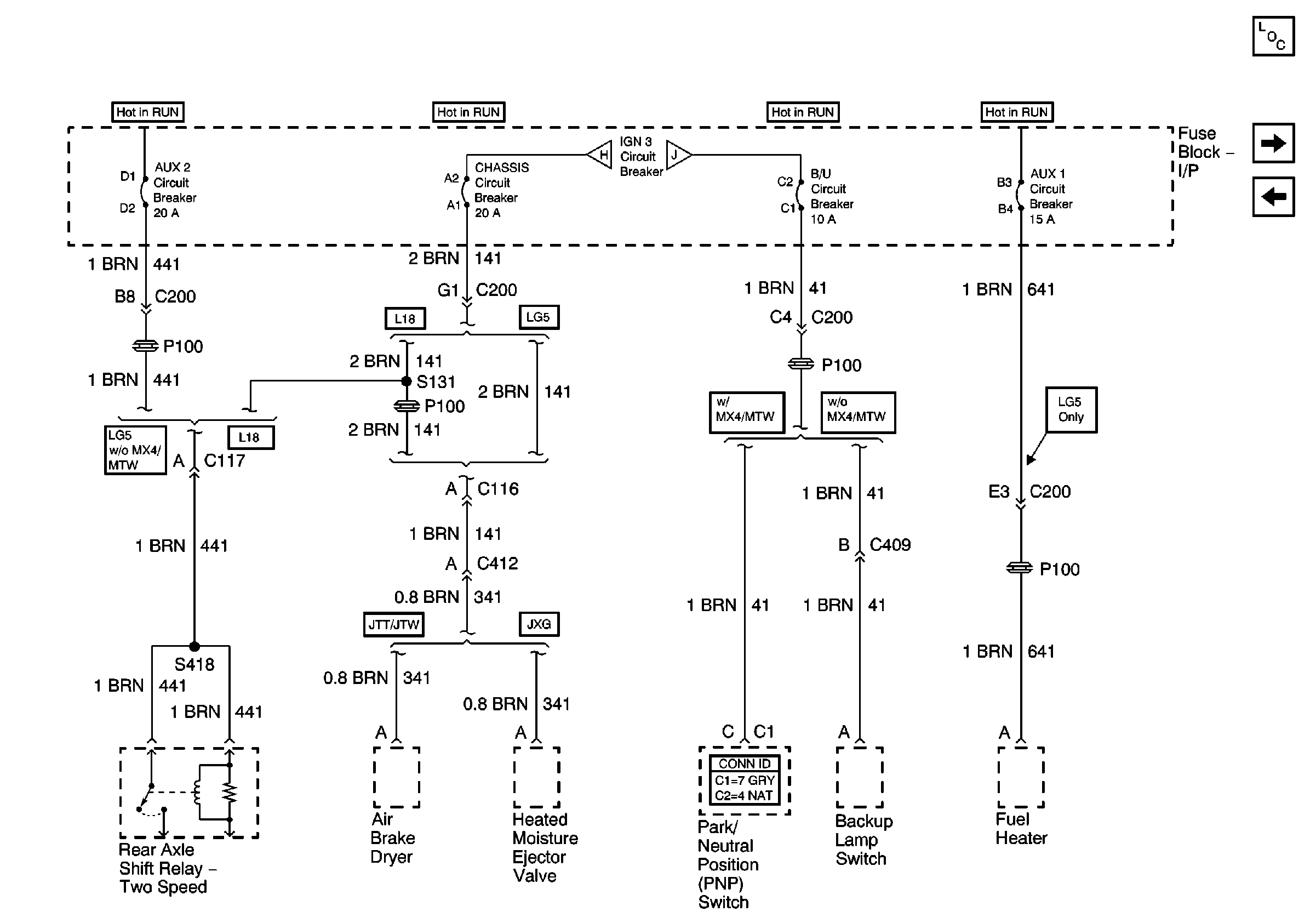
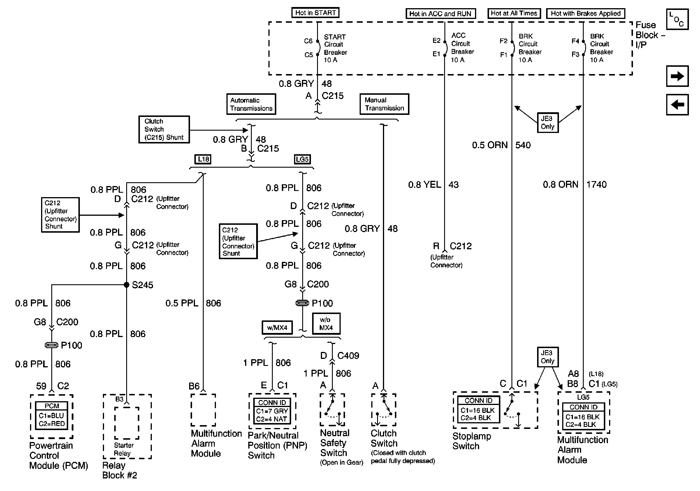
Power Distribution Schematics - ACC, B/U, Chassis, ING 1, ING 3 and Start Circuit Breakers
Figure 2:

AUX 1, AUX 2, ECM, ENG, ETM and FUEL Circuit Breakers, AUX, BODY POWER 1 and ENGINE Fuses


Object Number: 682047  Size: FS
Battery and BRK, HORNS, and STOP LP Circuit Breakers, HD LP SW, HORN/STOP and IGN SW 1 Fuses
Power Distribution Schematics - ABS, Body Power 2, ING SW 2, Lighting, PCM/Injectors and Starter Fuses, Even and ODD INJ, HAZ, PNL, and TL/MKR Circuit Breakers
Master Electrical Component List
Power Distribution Schematics - ABS, Body Power 2, ING SW 2, Lighting, PCM/Injectors and Starter Fuses, Even and ODD INJ, HAZ, PNL, and TL/MKR Circuit Breakers
Battery and BRK, HORNS, and STOP LP Circuit Breakers, HD LP SW, HORN/STOP and IGN SW 1 Fuses
Figure 3:

EVEN INJ, HAZ, ODD INJ, PNL and TL/MKR Circuit Breakers, ABS, BODY POWER 2, IGN SW 2, LIGHTING, PCM/INJECTORS and STARTER Fuses


Object Number: 682050  Size: FS
Battery and BRK, HORNS, and STOP LP Circuit Breakers, HD LP SW, HORN/STOP and IGN SW 1 Fuses
Master Electrical Component List
Power Distribution Schematics - ACC, B/U, Chassis, ING 1, ING 3 and Start Circuit Breakers
Power Distribution Schematics - Aux 1, Aux 2, ECM, ENG, ETM and Fuel Circuit Breakers, Aux, Body Power 1 and Engine Fuses
Power Distribution Schematics - ACC, B/U, Chassis, ING 1, ING 3 and Start Circuit Breakers
Power Distribution Schematics - Aux 1, Aux 2, ECM, ENG, ETM and Fuel Circuit Breakers, Aux, Body Power 1 and Engine Fuses
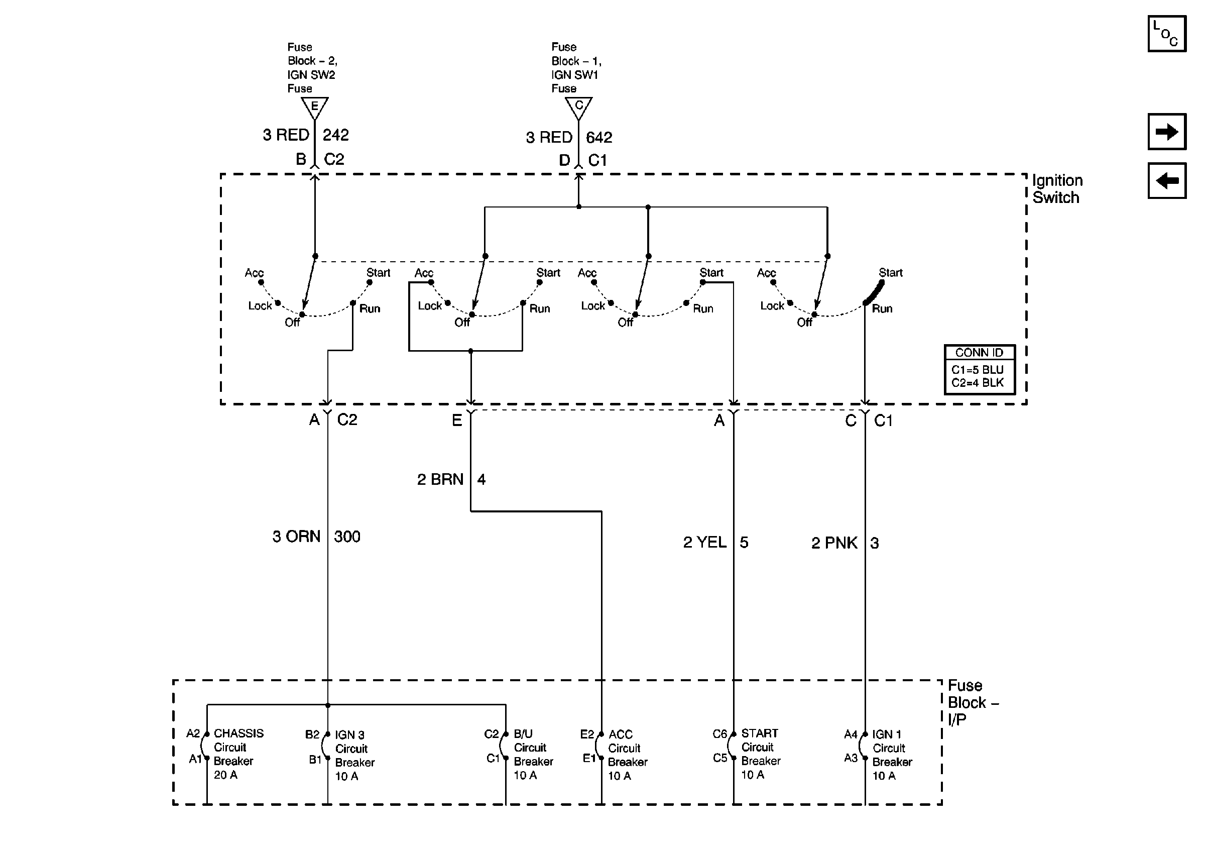
Figure 4:

ACC, B/U, CHASSIS, IGN 1, IGN 3 and START Circuit Breakers


Object Number: 682054  Size: FS
Power Distribution Schematics - ABS, Body Power 2, ING SW 2, Lighting, PCM/Injectors and Starter Fuses, Even and ODD INJ, HAZ, PNL, and TL/MKR Circuit Breakers
Battery and BRK, HORNS, and STOP LP Circuit Breakers, HD LP SW, HORN/STOP and IGN SW 1 Fuses
Master Electrical Component List
Power Distribution Schematics - IGN 1 Circuit Breaker, S225, S226, S230
Power Distribution Schematics - ABS, Body Power 2, ING SW 2, Lighting, PCM/Injectors and Starter Fuses, Even and ODD INJ, HAZ, PNL, and TL/MKR Circuit Breakers
Figure 5:

IGN 1 Circuit Breaker, S225, S226, S230


Object Number: 775376  Size: FS
Master Electrical Component List
Power Distribution Schematics - IGN 1 Circuit Breaker, S232, S243
Power Distribution Schematics - ACC, B/U, Chassis, ING 1, ING 3 and Start Circuit Breakers
Power and Grounding Schematic Icons
Power Distribution Schematics - IGN 1 Circuit Breaker, S232, S243
Power Distribution Schematics - IGN 1 Circuit Breaker, S232, S243
Figure 6:

IGN 1 Circuit Breaker, S232, S243


Object Number: 800917  Size: FS
Power Distribution Schematics - IGN 1 Circuit Breaker, S225, S226, S230
Power Distribution Schematics - IGN 1 Circuit Breaker, S225, S226, S230
Master Electrical Component List
Power Distribution Schematics - IGN 3 Circuit Breaker
Power Distribution Schematics - IGN 1 Circuit Breaker, S225, S226, S230
Figure 7:

IGN 3 Circuit Breaker


Object Number: 682069  Size: FS
Power Distribution Schematics - AUX 1, AUX 2, B/U and Chassis Circuit Breakers
Power Distribution Schematics - AUX 1, AUX 2, B/U and Chassis Circuit Breakers
Master Electrical Component List
Power Distribution Schematics - AUX 1, AUX 2, B/U and Chassis Circuit Breakers
Power Distribution Schematics - IGN 1 Circuit Breaker, S232, S243
Figure 8:

AUX 1, AUX 2, B/U and CHASSIS Circuit Breakers


Object Number: 682072  Size: FS
Power Distribution Schematics - IGN 3 Circuit Breaker
Power Distribution Schematics - IGN 3 Circuit Breaker
Master Electrical Component List
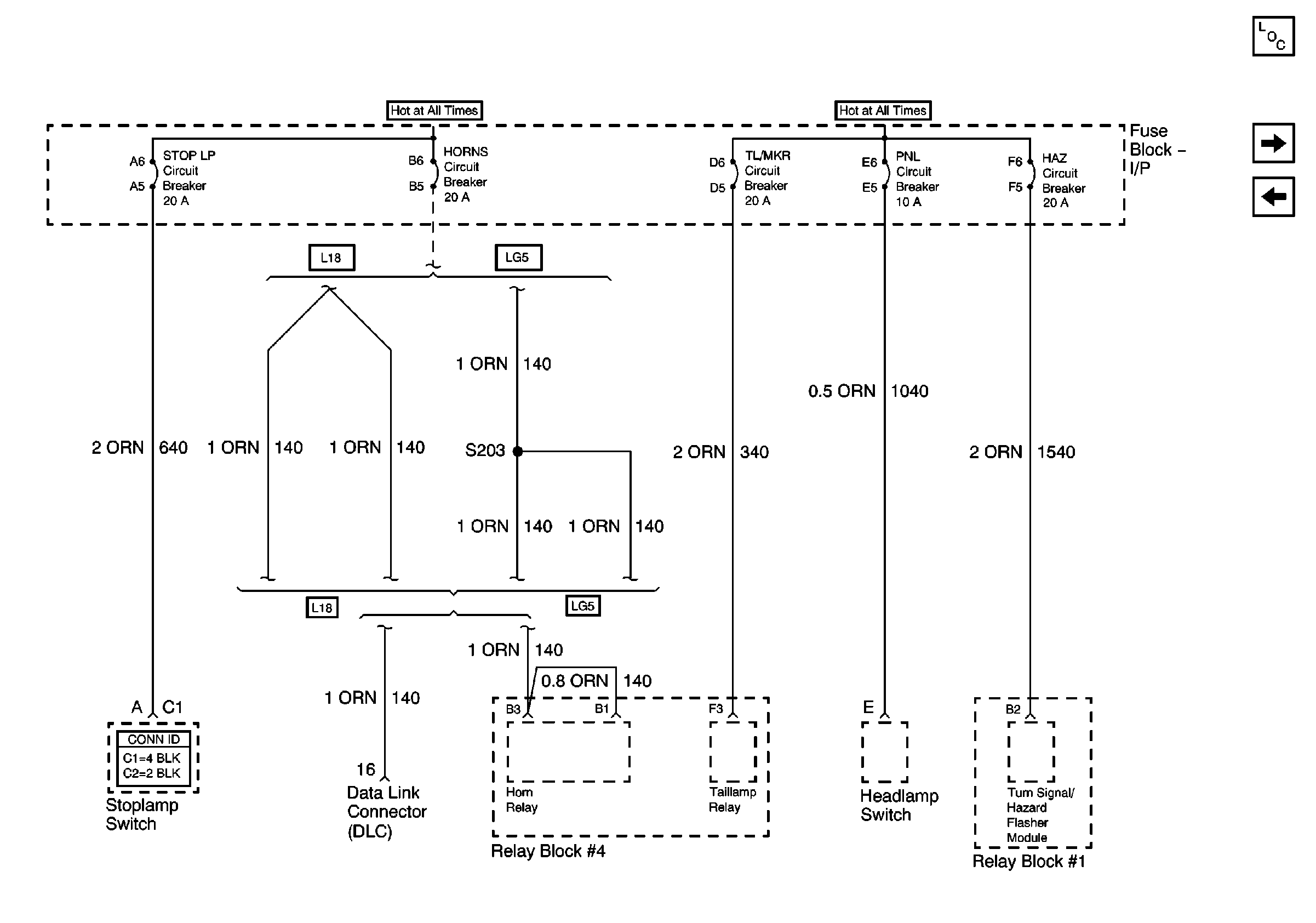
Power Distribution Schematics - HAZ, Horns, PNL, STOP LP and TL/MKR Circuit Breakers
Power Distribution Schematics - IGN 3 Circuit Breaker
Figure 9:

HAZ, HORNS, PNL, STOP LP and TL/MKR Circuit Breakers


Object Number: 682076  Size: FS
Master Electrical Component List
Power Distribution Schematics - ECM, ENG and Fuel Circuit Breakers
Power Distribution Schematics - AUX 1, AUX 2, B/U and Chassis Circuit Breakers
Figure 10:

ECM, ENG and FUEL Circuit Breakers


Object Number: 682080  Size: FS
Master Electrical Component List
Power Distribution Schematics - ACC, BRK and Start Circuit Breakers
Power Distribution Schematics - HAZ, Horns, PNL, STOP LP and TL/MKR Circuit Breakers
Figure 11:

ACC, BRK and START Circuit Breakers


Object Number: 800918  Size: FS
Master Electrical Component List
Power Distribution Schematics - ODD INJ and PCM Circuit Breakers L18
Power Distribution Schematics - ECM, ENG and Fuel Circuit Breakers
Figure 12:

ODD INJ and PCM Circuit Breakers (L18)


Object Number: 682084  Size: FS
Power Distribution Schematics - ETM and EVEN INJ Circuit Breakers L18
Master Electrical Component List
Power Distribution Schematics - ETM and EVEN INJ Circuit Breakers L18
Power Distribution Schematics - ACC, BRK and Start Circuit Breakers
Figure 13:

ETM and EVEN INJ Circuit Breakers (L18)


Object Number: 682086  Size: FS
Power Distribution Schematics - ODD INJ and PCM Circuit Breakers L18
Master Electrical Component List
Power Distribution Schematics - ODD INJ and PCM Circuit Breakers L18