GM Service Manual Online
For 1990-2009 cars only

Removal Procedure


    Object Number: 199865  Size: MH
  1. Remove vehicle components only if necessary, in order to provide adequate clearance for transmission removal.
  2. The vehicle will be equipped with one of the following:
  3. • Apron-type flywheel housing (2)
    • SAE number 2 type flywheel housing (6)
    • The apron-type flywheel housing (2) has a sheet metal pan which covers the lower portion of the clutch and flywheel. The flywheel housing is attached separately from the transmission body.
    • The SAE number 2 type flywheel housing (6) surrounds the entire clutch and flywheel. The flywheel housing is not separate from the transmission body.
  4. Transmission replacement procedures differ slightly between the two types of housings.

  5. Object Number: 204729  Size: SH
  6. Block the front and rear wheels.
  7. Ensure that the transmission is in neutral.
  8. Ensure that the park brake handbrake lever is in the full release position.
  9. Caution: Unless directed otherwise, the ignition and start switch must be in the OFF or LOCK position, and all electrical loads must be OFF before servicing any electrical component. Disconnect the negative battery cable to prevent an electrical spark should a tool or equipment come in contact with an exposed electrical terminal. Failure to follow these precautions may result in personal injury and/or damage to the vehicle or its components.

  10. Disconnect the negative battery cable. Refer to Battery Negative Cable Disconnection and Connection in Engine Electrical.
  11. Drain the transmission fluid. Refer to Transmission Oil Changing .

  12. Object Number: 795930  Size: SH
  13. Loosen the shift knob lock nut.
  14. Unscrew the shift knob.
  15. Remove the boot, if equipped.

  16. Object Number: 796628  Size: SH
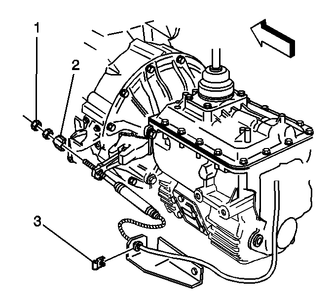
  17. If equipped with regular production option (RPO) HPZ, remove the spring clips.
  18. Disconnect the rear axle shift control switch electrical connector.
  19. If equipped with RPO NYB, remove the harness strap (1).
  20. If equipped with RPOs NH9/NL9, remove the harness strap (2).
  21. Reposition the harness.

  22. Object Number: 791340  Size: SH
  23. Remove the control lever retainer.
  24. Remove the control lever pin.
  25. Remove the control lever from the transmission.

  26. Object Number: 796090  Size: SH
  27. If equipped with the 6.6L or 7.2L engine with RPOs, MK0/MPU/MM7/MSC and MWW, disconnect the engine harness electrical connector (3) from the transmission electrical connector.

  28. Object Number: 796091  Size: SH
  29. If equipped with the 8.1L engine with RPOs, MSC/MPU, disconnect the engine harness electrical connector (3) from the transmission electrical connector.

  30. Object Number: 796414  Size: SH
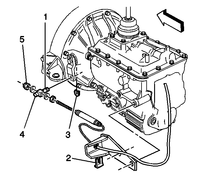
  31. If equipped with the 6.6L or 7.2L engine, remove the clutch fork return spring from the bracket and clutch fork.

  32. Object Number: 796416  Size: SH
  33. If equipped with the 6.6L or 7.2L engine, disconnect the clutch return spring from the bracket and the clutch lever.

  34. Object Number: 796415  Size: SH
  35. If equipped with the 8.1L engine, remove the clutch fork return spring from the bracket and clutch fork.

  36. Object Number: 796417  Size: SH
  37. If the transmission is equipped with a clutch fork, perform the following:
  38. 25.1. Remove the clutch cable nuts (1)
    25.2. Remove the clutch cable wing nut (2)
    25.3. Remove the clutch cable retainer (3)
    25.4. Remove the clutch cable from the fork and bracket

    Object Number: 796418  Size: SH
  39. If the transmission is equipped with a clutch lever, perform the following:
  40. 26.1. Remove the clutch cable nut (5) and washer
    26.2. Remove the clutch cable retainer (3)
    26.3. Remove the clutch cable from the swivel and bracket
  41. If equipped with the 8.1L engine, remove the muffler. Refer to Muffler Replacement in Engine Exhaust.

  42. Object Number: 796538  Size: SH
  43. If equipped with the 6.6L or 7.2L engine, loosen the band clamp (2) joining the exhaust manifold front (3), and rear (1) pipes.

  44. Object Number: 796485  Size: SH
  45. If equipped with the 6.6L or 7.2L engine without RPO K40, perform the following:
  46. • Loosen the exhaust manifold front pipe clamp nut.
    • Remove the U-bolt nuts and U-bolt.
    • Remove the exhaust manifold front pipe.

    Object Number: 796486  Size: SH
  47. If equipped with the 6.6L or 7.2L engine with RPO K40, perform the following:
  48. • Loosen the exhaust manifold front pipe clamp nut.
    • Remove the U-bolt nuts and U-bolt.
    • Remove the exhaust manifold front pipe.
  49. Remove the propeller shaft. Refer to One-Piece Propeller Shaft Replacement , Two-Piece Propeller Shaft Replacement , Three-Piece Propeller Shaft Replacement , or Four-Piece Propeller Shaft Replacement in Propeller Shaft.

  50. Object Number: 796483  Size: SH
  51. If equipped with RPO JE3, remove the cotter pin (2) and clevis pin (1) from the park brake cable.

  52. Object Number: 796484  Size: SH
  53. If equipped with RPO JE3, remove the park brake cable bracket bolt.
  54. Remove and reposition the park brake cable.
  55. If equipped, remove the power take-off (PTO) and controls. Install a protective cover over the PTO opening.

  56. Object Number: 199880  Size: SH

    Important: When removing or installing the transmission, use a transmission dolly jack in order to support the weight of the transmission. Fasten safety chains over the top and to both sides of the dolly.

  57. Position the dolly jack under the transmission. Adjust the dolly jack in order to support the weight of the transmission.

  58. Object Number: 796684  Size: SH
  59. If equipped with the 6.6L or 7.2L engine, remove the engine rear mounting bracket bolt, nut, and washers.
  60. Remove the lower mounting bracket insulator.

  61. Object Number: 796749  Size: SH
  62. If equipped with the 8.1L engine, remove the engine rear mount bolt, and washer.
  63. Remove the engine rear mount and spacer.

  64. Object Number: 792320  Size: SH
  65. If equipped with the apron-type flywheel housing, remove the flywheel housing cover bolts and cover.

  66. Object Number: 792316  Size: SH
  67. If equipped with the apron-type flywheel housing, remove the clutch fork return spring bracket, caution tag, and housing cover extension cover bolts.

  68. Object Number: 792322  Size: SH
  69. If equipped with the apron-type flywheel housing, remove the flywheel housing bolts.

  70. Object Number: 796487  Size: SH
  71. If equipped with the SAE number 2 flywheel housing, remove the transmission bolts and exhaust manifold front pipe bracket.

  72. Object Number: 796608  Size: SH
  73. If equipped with the SAE number 2 flywheel housing, remove the transmission bolts.
  74. Notice: When removing the transmission, do not allow the weight of the transmission to hang on the clutch disc hub. The clutch disc will become distorted and seriously affect the operation of the clutch.

  75. Move the transmission straight back from the engine, keep the mainshaft in alignment with the clutch disc hub.
  76. When the transmission is free from the engine, lower and remove the transmission.

Installation Procedure


    Object Number: 199880  Size: SH
  1. Shift the transmission into high gear.
  2. With the transmission mounted to a suitable dolly, move the transmission into position under the vehicle.
  3. Rotate the output flange to align the main drive gear shaft with the clutch disc hub.
  4. Move the transmission forward, guiding the main drive gear shaft into the clutch disc splines.
  5. Install the transmission.
  6. • Avoid springing the clutch when installing the transmission.
    • Do not allow the transmission to drop or hang unsupported in the splined hub of the clutch disc.

    Object Number: 796608  Size: SH
  7. If equipped with the SAE number 2 flywheel housing, install the transmission bolts

  8. Object Number: 796487  Size: SH

    Notice: Use the correct fastener in the correct location. Replacement fasteners must be the correct part number for that application. Fasteners requiring replacement or fasteners requiring the use of thread locking compound or sealant are identified in the service procedure. Do not use paints, lubricants, or corrosion inhibitors on fasteners or fastener joint surfaces unless specified. These coatings affect fastener torque and joint clamping force and may damage the fastener. Use the correct tightening sequence and specifications when installing fasteners in order to avoid damage to parts and systems.

  9. If equipped with the SAE number 2 flywheel housing, install the exhaust manifold front pipe bracket and two transmission bolts.
  10. Tighten
    Tighten the transmission bolts to 50 N·m (37 lb ft).


    Object Number: 792322  Size: SH
  11. If equipped with the apron-type flywheel housing, install the transmission bolts.
  12. Tighten
    Tighten theflywheel housing bolts to 67 N·m (49 lb ft).


    Object Number: 792316  Size: SH
  13. If equipped with the apron-type flywheel housing, install the clutch fork return spring bracket, caution tag, and flywheel housing cover extension bolts.
  14. Tighten
    Tighten the flywheel housing cover extension bolts to 43 N·m (32 lb ft).


    Object Number: 792320  Size: SH
  15. If equipped with the apron-type flywheel housing, install the flywheel housing cover bolts and cover.
  16. Tighten
    Tighten the flywheel housing cover bolts to 12 N·m (106 lb in).


    Object Number: 796749  Size: SH
  17. If equipped with the 8.1L engine, install the engine rear mount and spacer.
  18. Install the engine rear mount washer, and bolt.
  19. Tighten
    Tighten the engine rear mount bolt to 196 N·m (145 lb ft).


    Object Number: 796684  Size: SH
  20. If equipped with the 6.6L or 7.2L engine, install the lower mounting bracket insulator.
  21. Install the engine rear mounting bracket washers, bolt, and nut.
  22. Tighten
    Tighten the engine rear mounting bracket bolt to 175 N·m (129 lb ft).

  23. If equipped, Remove the protective cover over the PTO opening. Install the PTO and controls.

  24. Object Number: 796484  Size: SH
  25. If equipped with RPO JE3, reposition and install the park brake cable.
  26. Install the park brake cable bracket bolt.
  27. Tighten
    Tighten the park brake cable bracket bolt to 65 N·m (48 lb ft).


    Object Number: 796483  Size: SH
  28. If equipped with RPO JE3, install the clevis pin (1) and cotter pin (2) to the park brake cable.
  29. Install the propeller shaft. Refer to One-Piece Propeller Shaft Replacement , Two-Piece Propeller Shaft Replacement , Three-Piece Propeller Shaft Replacement , or Four-Piece Propeller Shaft Replacement in Propeller Shaft.

  30. Object Number: 796486  Size: SH
  31. If equipped with the 6.6L or 7.2L engine with RPO K40, perform the following:
  32. • Install the exhaust manifold front pipe.
    • Install the U-bolt and nuts.

    Tighten
    Tighten the U-bolt nuts to 24 N·m (18 lb ft).

    • Tighten the exhaust manifold front pipe clamp nut.

    Tighten
    Tighten the front pipe clamp nut to 10 N·m (89 lb in).


    Object Number: 796485  Size: SH
  33. If equipped with the 6.6L or 7.2L engine without RPO K40, perform the following:
  34. • Install the exhaust manifold front pipe.
    • Install the U-bolt and nuts.

    Tighten
    Tighten the U-bolt nuts to 24 N·m (18 lb ft).

    • Tighten the exhaust manifold front pipe clamp nut.

    Tighten
    Tighten the front pipe clamp nut to 10 N·m (89 lb in).


    Object Number: 796538  Size: SH
  35. If equipped with the 6.6L or 7.2L engine, tighten the band clamp (2) joining the exhaust manifold front (3), and rear (1) pipes.
  36. If equipped with the 8.1L engine, install the muffler. Refer to Muffler Replacement in Engine Exhaust.

  37. Object Number: 796418  Size: SH
  38. If the transmission is equipped with a clutch lever, perform the following:
  39. 24.1. Install the clutch cable to the swivel and bracket.
    24.2. Install the clutch cable retainer (3).
    24.3. Install the clutch cable nut (5) and washer.

    Object Number: 796417  Size: SH
  40. If the transmission is equipped with a clutch fork, perform the following:
  41. 25.1. Install the clutch cable to the fork and bracket
    25.2. Install the clutch cable retainer (3)
    25.3. Install the clutch cable wing nut (2)
    25.4. Install the clutch cable nuts (1)

    Object Number: 796415  Size: SH
  42. If equipped with the 8.1L engine, install the clutch fork return spring to the bracket and clutch fork.

  43. Object Number: 796416  Size: SH
  44. If equipped with the 6.6L or 7.2L engine, connect the clutch return spring to the bracket and the clutch lever.

  45. Object Number: 796414  Size: SH
  46. If equipped with the 6.6L or 7.2L engine, install the clutch fork return spring to the bracket and clutch fork.

  47. Object Number: 796091  Size: SH
  48. If equipped with the 8.1L engine with RPOs, MSC/MPU, connect the engine harness electrical connector (3) to the transmission electrical connector.

  49. Object Number: 796090  Size: SH
  50. If equipped with the 6.6L or 7.2L engine with RPOs, MK0/MPU/MM7/MSC and MWW, connect the engine harness electrical connector (3) to the transmission electrical connector.

  51. Object Number: 791340  Size: SH
  52. Install the control lever to the transmission.
  53. Install the control lever pin.
  54. Install the control lever retainer.

  55. Object Number: 796628  Size: SH
  56. If equipped with RPO HPZ, reposition the harness.
  57. If equipped with RPOs NH9/NL9, install the harness strap (2).
  58. If equipped with RPO NYB, install the harness strap (1).
  59. Connect the rear axle shift control switch electrical connector.
  60. Install the spring clips.

  61. Object Number: 795930  Size: SH
  62. Install the boot, if equipped.
  63. Screw on the shift knob.
  64. Tighten the shift knob lock nut.
  65. Tighten
    Tighten the shift knob lock nut to 25 N·m (18 lb ft).

  66. Fill the transmission fluid. Refer to Transmission Oil Changing .

  67. Object Number: 204729  Size: SH
  68. Connect the negative battery cable. Refer to Battery Negative Cable Disconnection and Connection in Engine Electrical.
  69. Adjust the clutch cable. Refer to Clutch Control Cable Adjustment in Clutch.