GM Service Manual Online
For 1990-2009 cars only
Makes
🢒
Chevrolet
🢒
2002
🢒
Chevrolet C-Series Medium Duty Truck B7
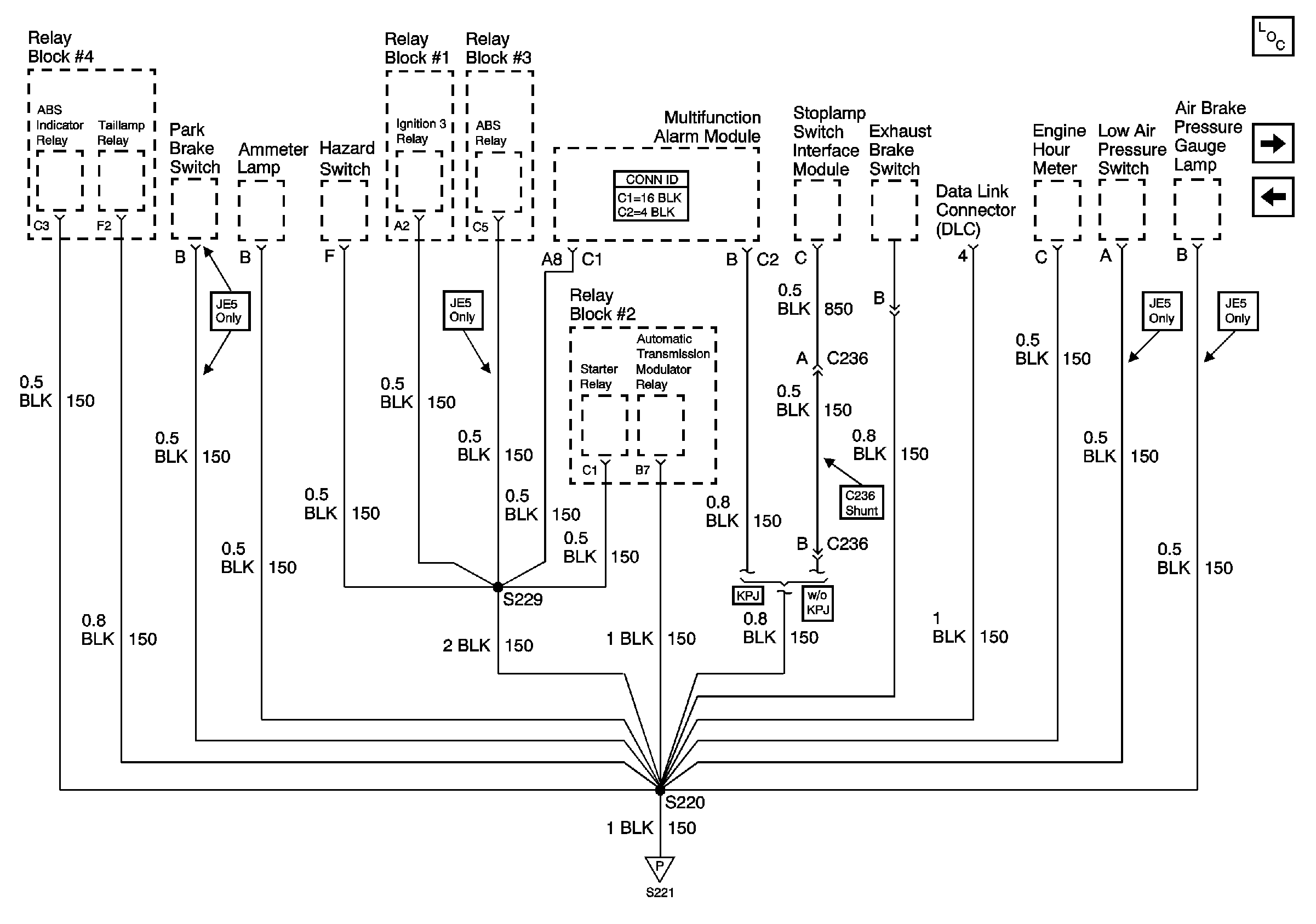
🢒 S220, S229 (LG5 - Late)
S220, S229 (LG5 - Late)
S220, S229 (LG5 -- Late)
Master Electrical Component List
S169, S210, S411 and S 414 (LG5)
Ground Distribution Schematics S220 (LG5-Early)
G108, G207, G208 and S221 (LG5)