GM Service Manual Online
For 1990-2009 cars only
Makes
🢒
Chevrolet
🢒
2002
🢒
Chevrolet C-Series Medium Duty Truck B7
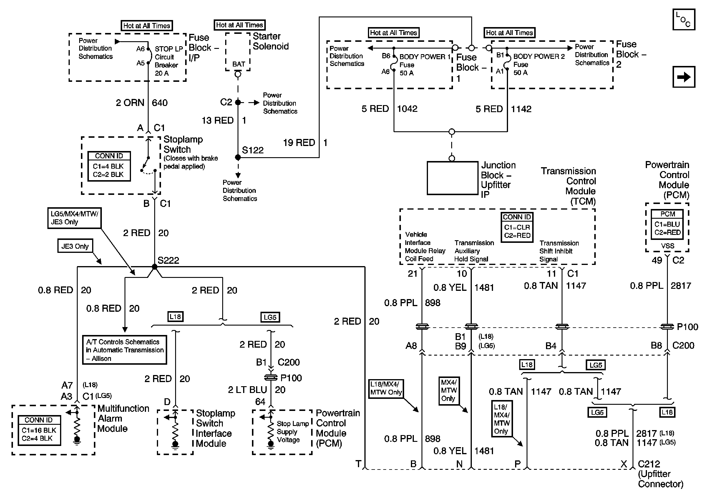
🢒 C212 (Upfitter Connector) Terminals B, N, P, T and X, Junction Block- Upfitter I/P
C212 (Upfitter Connector) Terminals B, N, P, T and X, Junction Block- Upfitter I/P
C212 (Upfitter Connector) Terminals B, N, P, T and X, Junction Block -- Upfitter I/P
Master Electrical Component List
C212 (Upfitter Connector) Terminals A, F, L and Z
Battery and BRK, HORNS and STOP LP Circuit Breakers, HD LP SW, HORN/STOP and IGN SW 1 Fuses
Battery and BRK, HORNS and STOP LP Circuit Breakers, HD LP SW, HORN/STOP and IGN SW 1 Fuses
AUX 1, AUX 2, ECM, ENG, ETM and FUEL Circuit Breakers, AUX, BODY POWER1 and ENGINE Fuses
EVEN INJ, HAZ, ODD INJ, PNL and TL/MKR Circuit Breakers, ABS, BODY POWER 2, IGN SW 2, LIGHTING, PCM/INJECTORS and STARTER Fuses
Battery and BRK, HORNS and STOP LP Circuit Breakers, HD LP SW, HORN/STOP and IGN SW 1 Fuses
Multifunction Alarm Module, Park/Neutral Position (PNP) Switch, Stoplamp SwiTch (MX4/MTW)