GM Service Manual Online
For 1990-2009 cars only
Makes
🢒
Chevrolet
🢒
2002
🢒
Chevrolet C-Series Medium Duty Truck B7
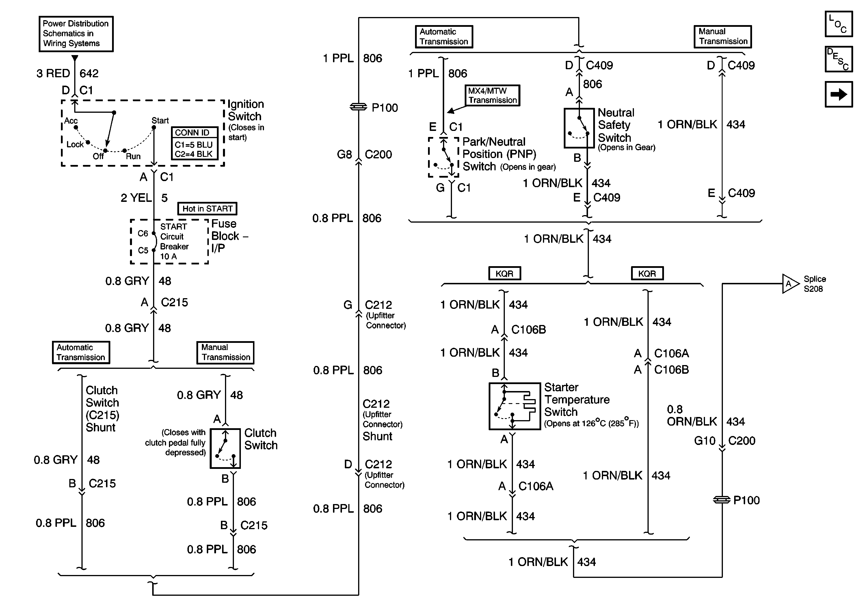
🢒 Starting Circuit (1 of 2)
Starting Circuit (1 of 2)
Starting Circuit (1 of 2)
Master Electrical Component List
Starting System Description and Operation
Starting Circuit (2 of 2)
Starting Circuit (2 of 2)
Battery and BRK, HORNS and STOP LP Circuit Breakers, HD LP SW, HORN/STOP and IGN SW 1 Fuses