GM Service Manual Online
For 1990-2009 cars only
Makes
🢒
Chevrolet
🢒
2002
🢒
Chevrolet C-Series Medium Duty Truck B7
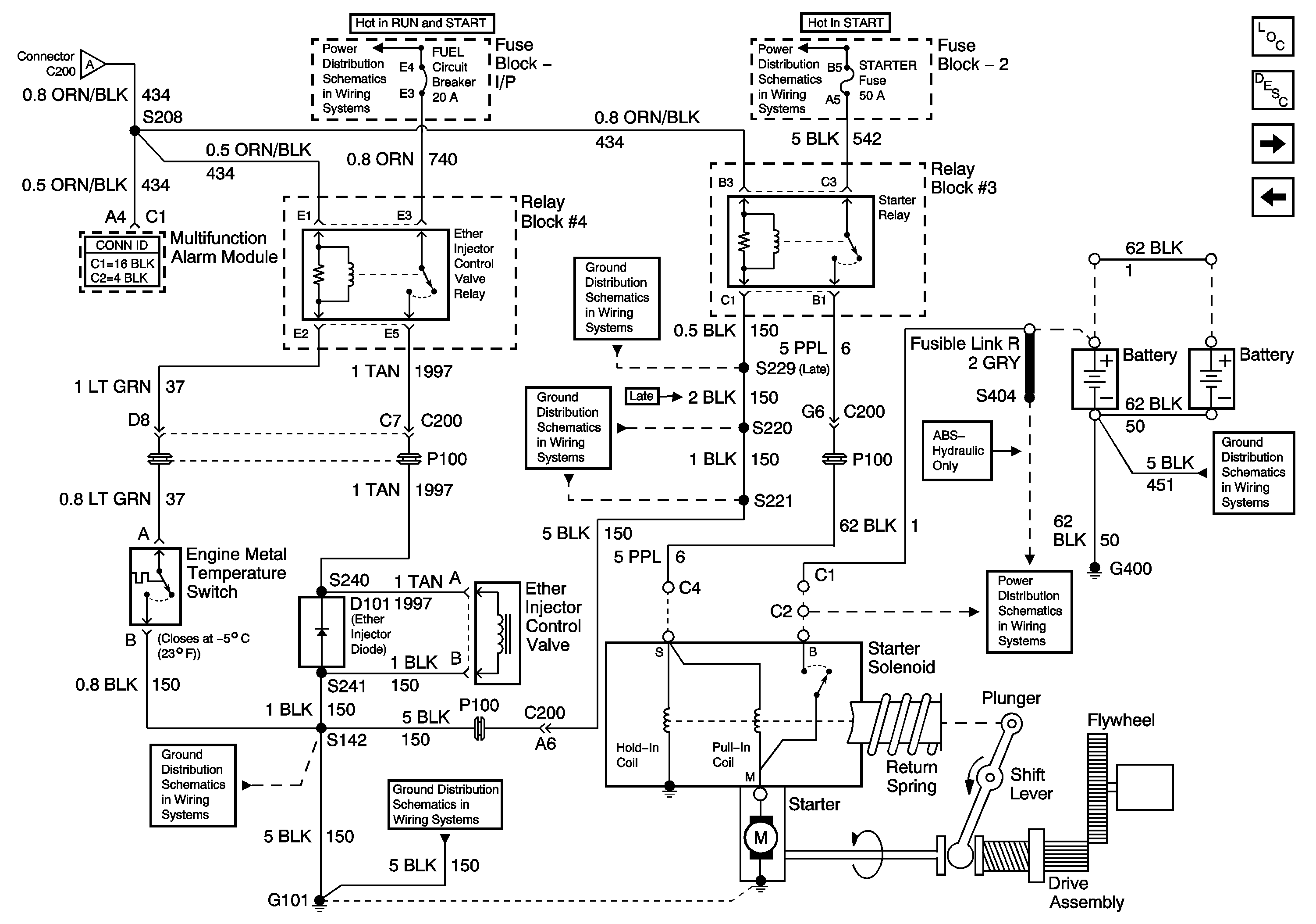
🢒 Starting Circuit (2 of 2)
Starting Circuit (2 of 2)
Starting Circuit (2 of 2)
Master Electrical Component List
Starting System Description and Operation
Charging Circuit
Starting Circuit (1 of 2)
Starting Circuit (1 of 2)
ECM, ENG and FUEL Circuit Breakers
EVEN INJ, HAZ, ODD INJ, PNL and TL/MKR Circuit Breakers, ABS, BODY POWER 2, IGN SW 2, LIGHTING, PCM/INJECTORS and STARTER Fuses
S220, S229 (LG5 - Late)
S220, S229 (LG5 - Late)
G100, G101, G103, G107, G117, G119, G120, G121, G124, G400, G401, G405,G412, G413 and G414, S170
Battery and BRK, HORNS and STOP LP Circuit Breakers, HD LP SW, HORN/STOP and IGN SW 1 Fuses
S142 and S241 (LG5)
G101, S138, and S405 (LG5)