GM Service Manual Online
For 1990-2009 cars only
Makes
🢒
Chevrolet
🢒
2002
🢒
Chevrolet C-Series Medium Duty Truck B7
🢒 Charging Circuit
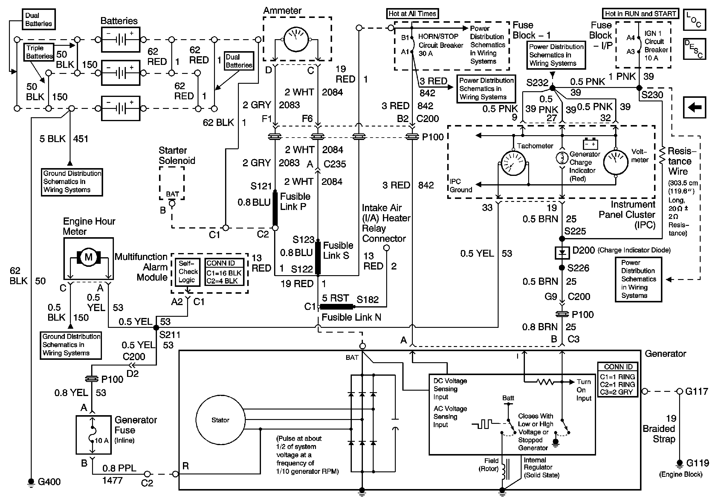
Charging Circuit
Charging Circuit
Master Electrical Component List
Charging System Description and Operation
Starting Circuit (2 of 2)
Battery and BRK, HORNS and STOP LP Circuit Breakers, HD LP SW, HORN/STOP and IGN SW 1 Fuses
Battery and BRK, HORNS and STOP LP Circuit Breakers, HD LP SW, HORN/STOP and IGN SW 1 Fuses
IGN 1 Circuit Breaker, S232, S243
G102 and S138 (L18)
S220, S229 (LG5 - Late)
IGN 1 Circuit Breaker, S225, S226, S230
Instrument Panel Cluster (IPC), Fuel Gauge, Generator Charge Indicator, Speedometer and Tachometer
Instrument Panel Cluster (IPC), High Beam, Left Turn and Right Turn Indicators, I/P Illumination Lamps