GM Service Manual Online
For 1990-2009 cars only
Makes
🢒
Chevrolet
🢒
2002
🢒
Chevrolet C-Series Medium Duty Truck B7
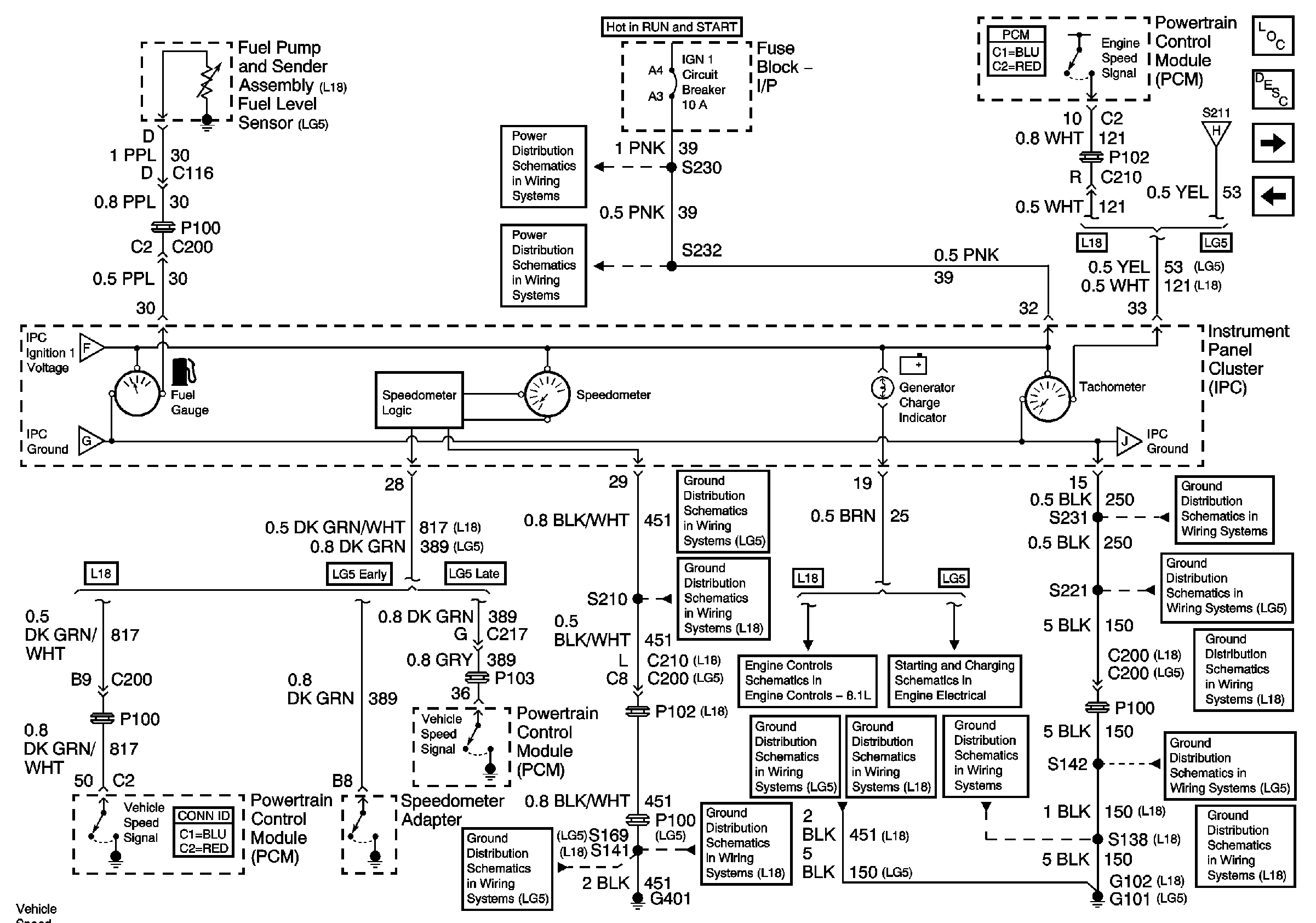
🢒 Instrument Panel Cluster (IPC), Fuel Gauge, Generator Charge Indicator, Speedometer and Tachometer
Instrument Panel Cluster (IPC), Fuel Gauge, Generator Charge Indicator, Speedometer and Tachometer
Instrument Panel Cluster (IPC), Fuel Gauge, Generator Charge Indicator, Speedometer and Tachometer
Master Electrical Component List
Instrument Cluster Description and Operation
Instrument Panel Cluster (IPC), High Beam, Left Turn and Right Turn Indicators, I/P Illumination Lamps
Instrument Panel Cluster (IPC), CHECK GAUGES Indicator, Engine Coolant Temperature (ECT), and Engine Oil Pressure (EOP) Gauges and Voltmeter
Instrument Panel Cluster (IPC), CHECK GAUGES Indicator, Engine Coolant Temperature (ECT), and Engine Oil Pressure (EOP) Gauges and Voltmeter
Instrument Panel Cluster (IPC), CHECK GAUGES Indicator, Engine Coolant Temperature (ECT), and Engine Oil Pressure (EOP) Gauges and Voltmeter
Instrument Panel Cluster (IPC), High Beam, Left Turn and Right Turn Indicators, I/P Illumination Lamps
Engine Hour Meter, Generator Inline Fuse, Transmission Fluid Temperature(TFT) Gauge and Sensor
S141 and S210 (L18)
S169, S210, S411 and S 414 (LG5)
Evaporative Emissions (EVAP) Canister Purge Solenoid, Exhaust Gas Recalculation(EGR) Valve, Generator and Generator Charge Indicator
Charging Circuit
S141 and S210 (L18)
S169, S210, S411 and S 414 (LG5)
G101, S138, and S405 (LG5)
G102 and S138 (L18)
G102 and S138 (L18)
S105, S261 and S231
G108, G207, G208 and S221 (LG5)
G207, G208 and S221 (L18)
S142 and S241 (LG5)
S142, S178, S179, S405 and S409 (L18)