GM Service Manual Online
For 1990-2009 cars only
Makes
🢒
Chevrolet
🢒
2002
🢒
Chevrolet C-Series Medium Duty Truck B7
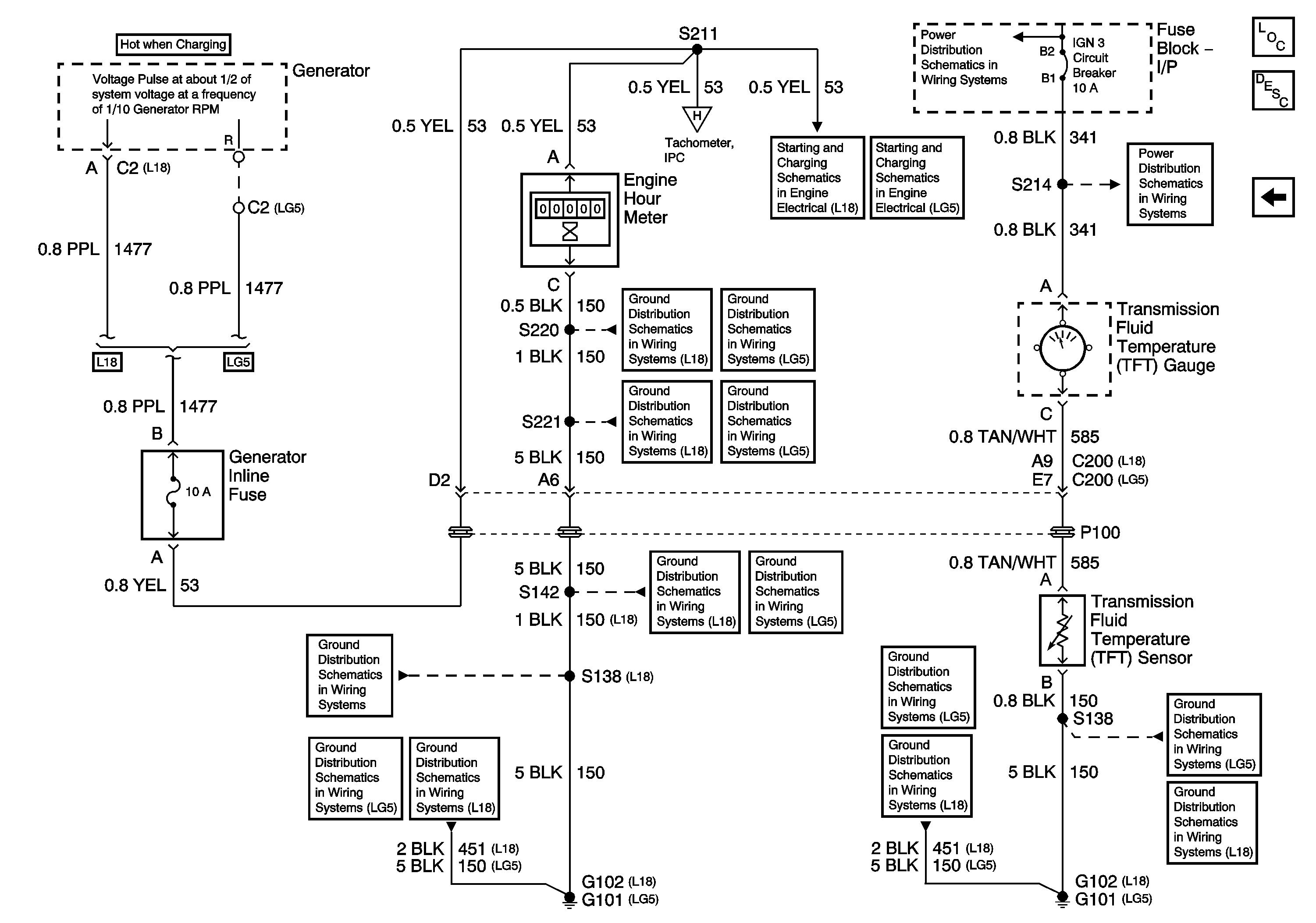
🢒 Engine Hour Meter, Generator Inline Fuse, Transmission Fluid Temperature(TFT) Gauge and Sensor
Engine Hour Meter, Generator Inline Fuse, Transmission Fluid Temperature(TFT) Gauge and Sensor
Engine Hour Meter, Generator Inline Fuse, Transmission Fluid Temperature (TFT) Gauge and Sensor
Master Electrical Component List
Indicator/Warning Message Description and Operation
Driver Information Center (DIC), AUX and PARK BRAKE, CHECK TRANS and REDUCED ENGINE POWER Indicators and Ammeter (U31) and Ammeter Lamp
Instrument Panel Cluster (IPC), Fuel Gauge, Generator Charge Indicator, Speedometer and Tachometer
IGN 3 Circuit Breaker
IGN 3 Circuit Breaker
Charging Circuit
Charging Circuit
G108 and S220 (L18)
S220, S229 (LG5 - Late)
G207, G208 and S221 (L18)
G108, G207, G208 and S221 (LG5)
S142, S178, S179, S405 and S409 (L18)
S142 and S241 (LG5)
G102 and S138 (L18)
G101, S138, and S405 (LG5)
G102 and S138 (L18)
G101, S138, and S405 (LG5)
G102 and S138 (L18)
G101, S138, and S405 (LG5)
G102 and S138 (L18)