GM Service Manual Online
For 1990-2009 cars only
Makes
🢒
Chevrolet
🢒
2002
🢒
Chevrolet C-Series Medium Duty Truck B7
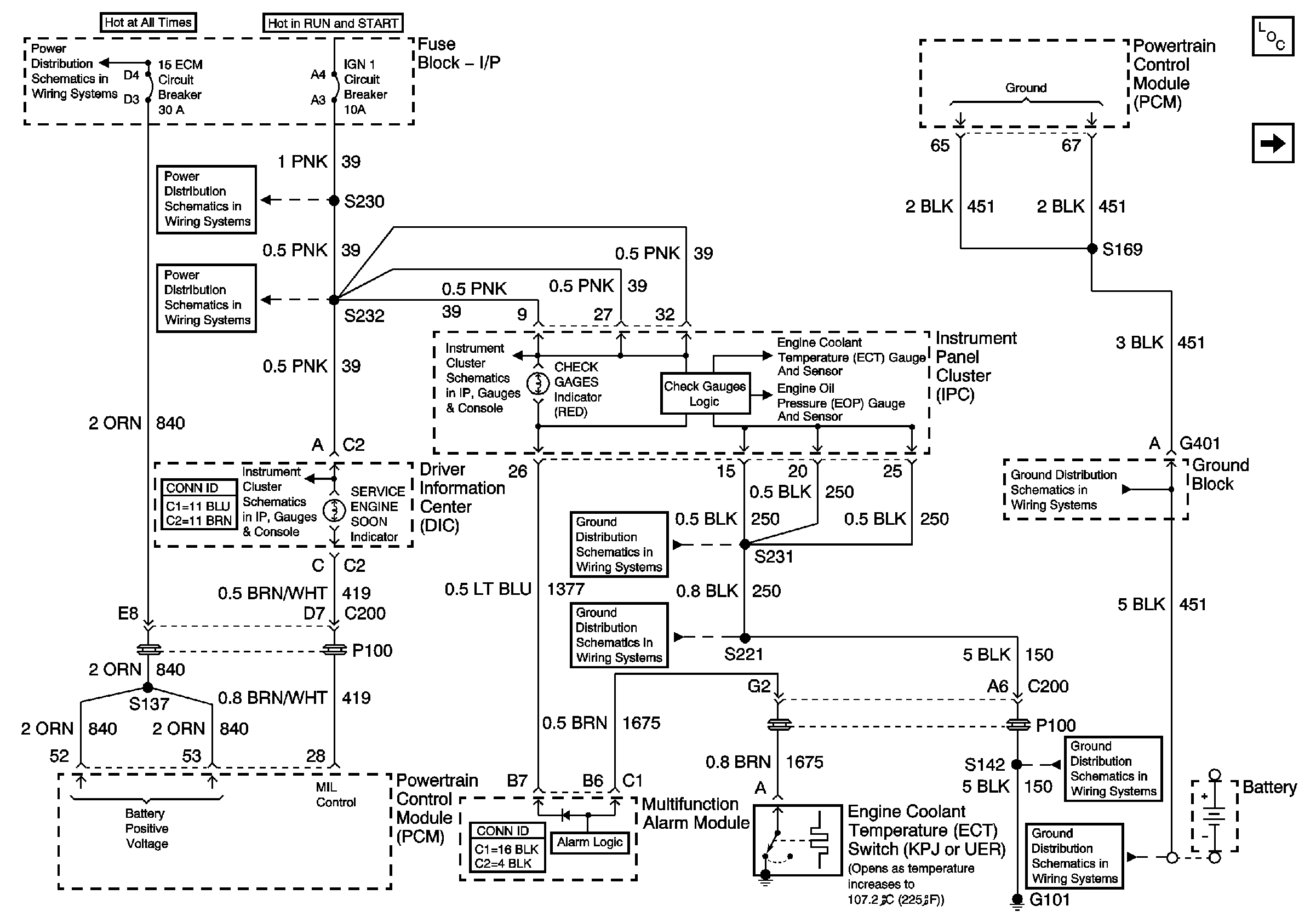
🢒 CHECK GAGES (MIL), ECT Switch, MFAM, PCM and SERVICE ENGINE SOON Indicator
CHECK GAGES (MIL), ECT Switch, MFAM, PCM and SERVICE ENGINE SOON Indicator
CHECK GAGES (MIL), ECT Switch, MFAM, PCM and SERVICE ENGINE SOON Indicator
Master Electrical Component List
ECT, EOP and Low Coolant Switches, MFAM and Stoplamp Switch Interface Module
AUX 1, AUX 2, ECM, ENG, ETM and FUEL Circuit Breakers, AUX, BODY POWER1 and ENGINE Fuses
IGN 1 Circuit Breaker, S225, S226, S230
IGN 1 Circuit Breaker, S232, S243
Driver Information Center (DIC), ABS, CHANGE OIL, DRL, ENGINE OVERSPEED, HIGH IDLE, INTAKE HEATER, LOW AIR, LOW COOLANT, PRIMARY BRAKE and SERVICE ENGINE SOON Indicators
Instrument Panel Cluster (IPC), CHECK GAUGES Indicator, Engine Coolant Temperature (ECT), and Engine Oil Pressure (EOP) Gauges and Voltmeter
S105, S261 and S231
G207, G208 and S221 (L18)
Instrument Panel Cluster (IPC), CHECK GAUGES Indicator, Engine Coolant Temperature (ECT), and Engine Oil Pressure (EOP) Gauges and Voltmeter
S142, S178, S179, S405 and S409 (L18)
G100, G101, G103, G107, G117, G119, G120, G121, G124, G400, G401, G405,G412, G413 and G414, S170
G100, G101, G103, G107, G117, G119, G120, G121, G124, G400, G401, G405,G412, G413 and G414, S170