GM Service Manual Online
For 1990-2009 cars only
Makes
🢒
Chevrolet
🢒
2002
🢒
Chevrolet C-Series Medium Duty Truck B7
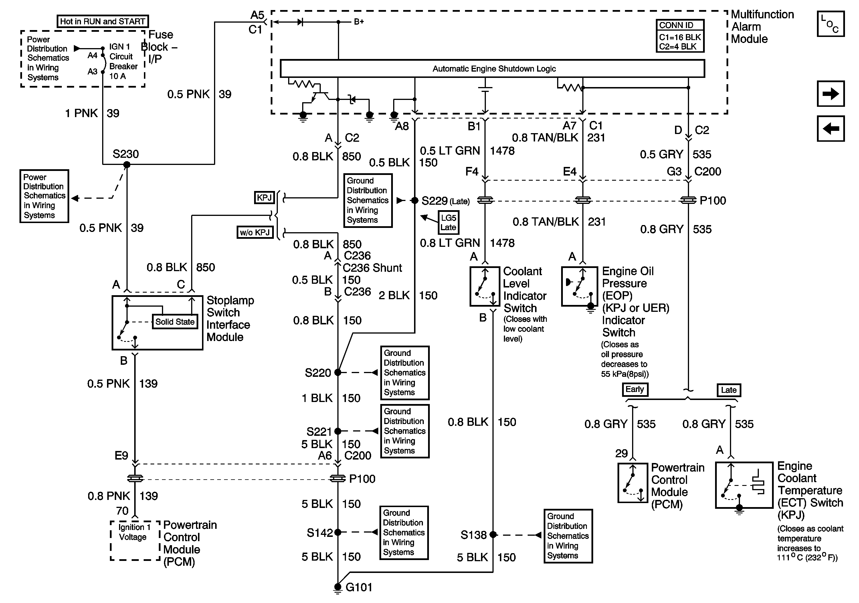
🢒 ECT, EOP and Low Coolant Switches, MFAM and Stoplamp Switch Interface Module
ECT, EOP and Low Coolant Switches, MFAM and Stoplamp Switch Interface Module
ECT, EOP and Low Coolant Switches, MFAM and Stoplamp Switch Interface Module
Master Electrical Component List
Data Link Connector (DLC)
CHECK GAGES (MIL), ECT Switch, MFAM, PCM and SERVICE ENGINE SOON Indicator
IGN 1 Circuit Breaker, S225, S226, S230
S220, S229 (LG5 - Late)
S220, S229 (LG5 - Late)
G108, G207, G208 and S221 (LG5)
S142 and S241 (LG5)
G101, S138, and S405 (LG5)