GM Service Manual Online
For 1990-2009 cars only
Makes
🢒
Chevrolet
🢒
2002
🢒
Chevrolet C-Series Medium Duty Truck B7
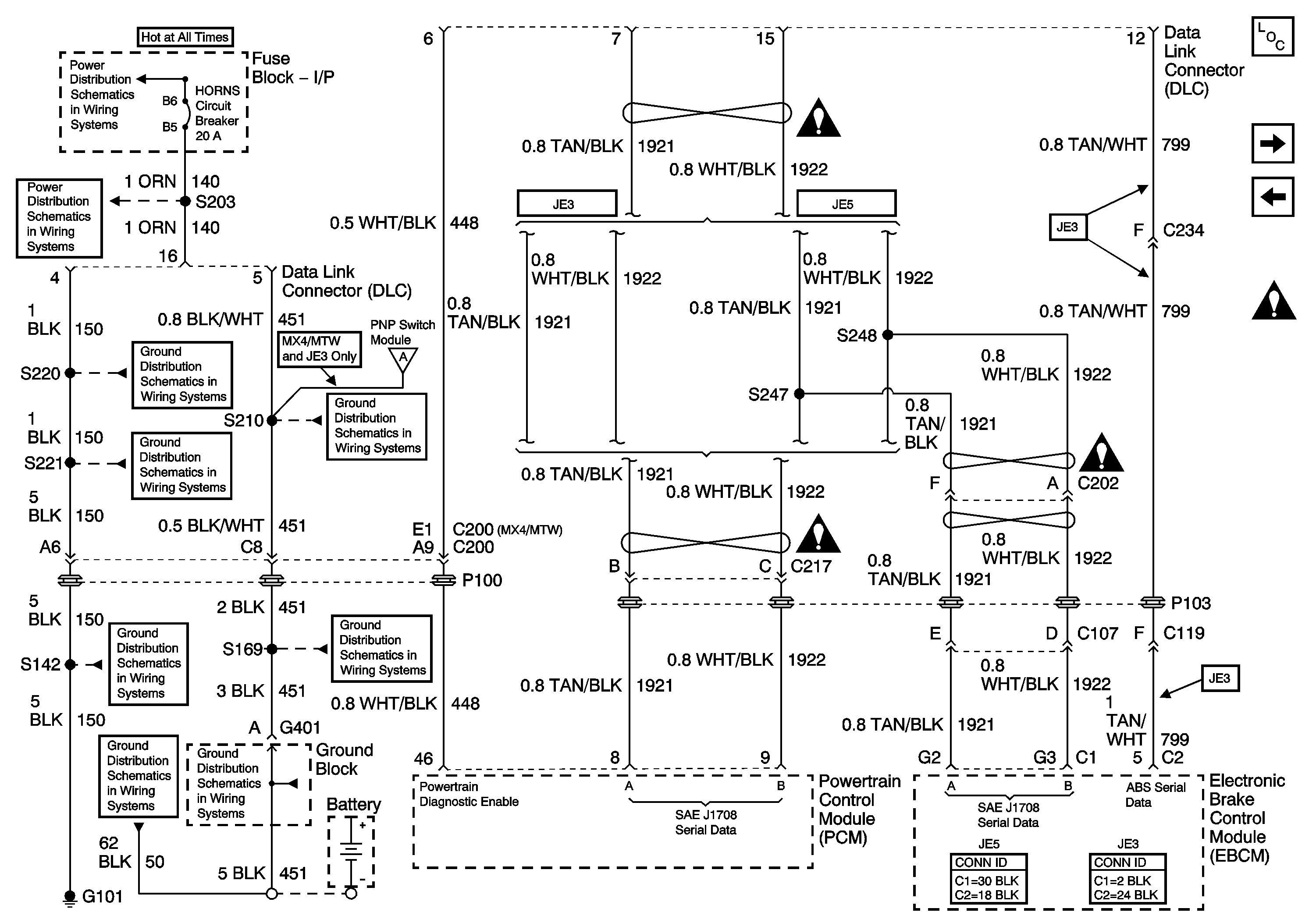
🢒 Data Link Connector (DLC)
Data Link Connector (DLC)
Data Link Connector (DLC)
Master Electrical Component List
Power and Ground, Ignition 3 Relay and Fuel Heater
ECT, EOP and Low Coolant Switches, MFAM and Stoplamp Switch Interface Module
Engine Controls Schematic Icons
Battery and BRK, HORNS and STOP LP Circuit Breakers, HD LP SW, HORN/STOP and IGN SW 1 Fuses
HAZ, HORNS, PNL, STOP LP and TL/MKR Circuit Breakers
S220, S229 (LG5 - Late)
G108, G207, G208 and S221 (LG5)
S142 and S241 (LG5)
G100, G101, G103, G107, G117, G119, G120, G121, G124, G400, G401, G405,G412, G413 and G414, S170
G100, G101, G103, G107, G117, G119, G120, G121, G124, G400, G401, G405,G412, G413 and G414, S170
MFAM, PCM, Stoplamp Switch, and C212 (Upfitter Connector) 1 of 2
S169, S210, S411 and S 414 (LG5)
S169, S210, S411 and S 414 (LG5)
Engine Controls Schematic Icons
Engine Controls Schematic Icons
Engine Controls Schematic Icons