GM Service Manual Online
For 1990-2009 cars only
Makes
🢒
Chevrolet
🢒
2002
🢒
Chevrolet C-Series Medium Duty Truck B7
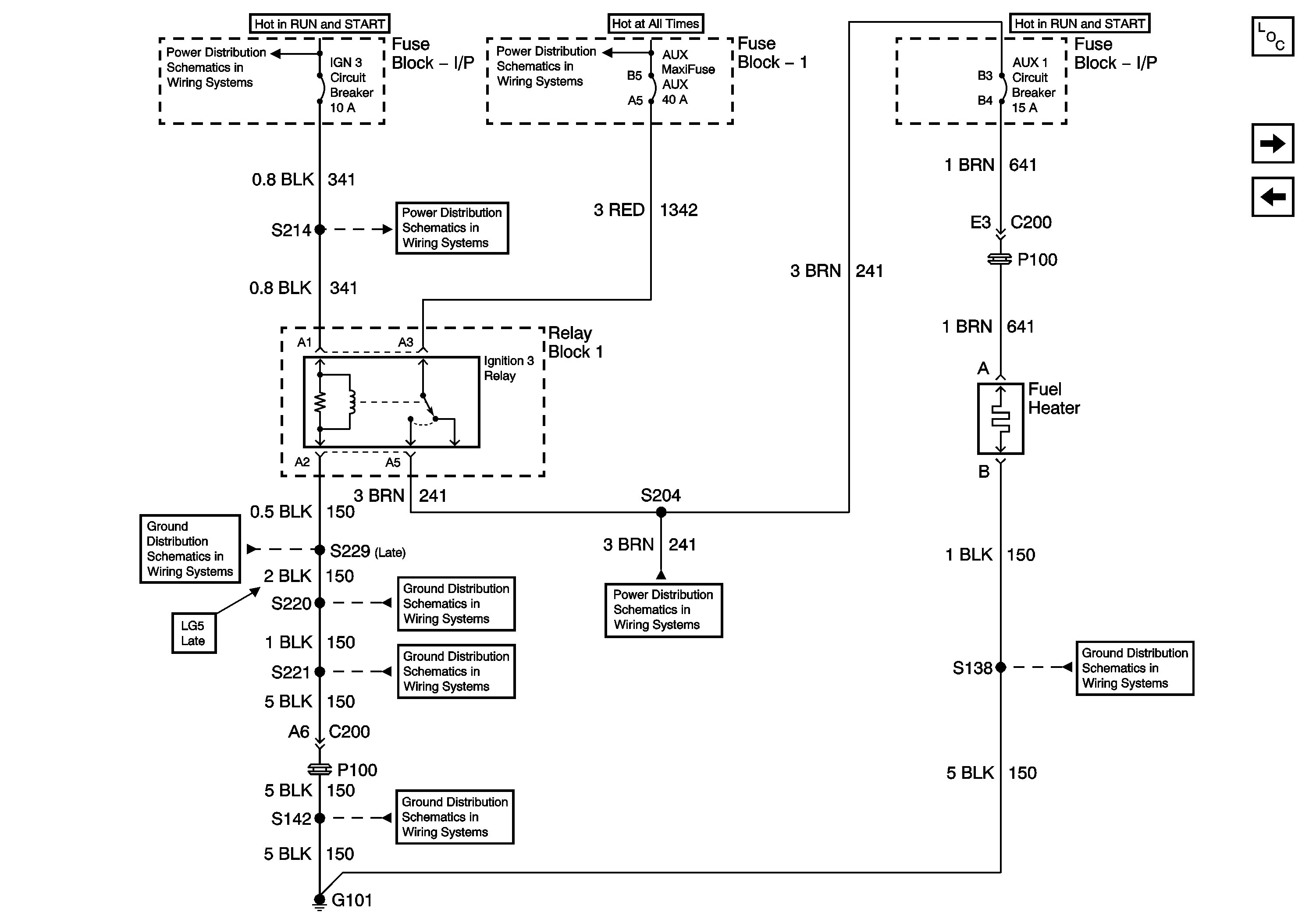
🢒 Power and Ground, Ignition 3 Relay and Fuel Heater
Power and Ground, Ignition 3 Relay and Fuel Heater
Power and Ground, Ignition 3 Relay and Fuel Heater
Master Electrical Component List
Air (IA) Heater, INTAKE HEATER Indicator, Connector C127 and Ignition1 Relay
Data Link Connector (DLC)
ACC, B/U, CHASSIS, IGN 1, IGN 3 and START Circuit Breakers
IGN 3 Circuit Breaker
S220, S229 (LG5 - Late)
S220, S229 (LG5 - Late)
G108, G207, G208 and S221 (LG5)
S142 and S241 (LG5)
AUX 1, AUX 2, ECM, ENG, ETM and FUEL Circuit Breakers, AUX, BODY POWER1 and ENGINE Fuses
AUX 1, AUX 2, ECM, ENG, ETM and FUEL Circuit Breakers, AUX, BODY POWER1 and ENGINE Fuses
G101, S138, and S405 (LG5)